Мощный блок питания из старого компьютера

  • Опубликовано: 6 июня 2019

Мощный блок питания из старого компьютера


Делаем недорогой и мощный блок питания из старого компьютера.


Для работы понадобился блок питания на 12 вольт. Ток нужен в районе 5 ампер. Можно конечно приобрести блок питания для светодиодной ленты. Цена на него приличная. Мне нужен бюджетный вариант.

Бюджетный БП, это компьютерный. В нем имеются довольно мощные шины на 12, 5 и 3.3 вольта. Его и применим. Их полно продают на барахолках по 2$.

 

Комплектующие

  • блок питания компьютера;
  • держатели предохранителей;
  • тумблер;
  • клеммы;
  • светодиоды;
  • резисторы;
  • листовой пластик.

О комплектующих

Я взял блок питания на 350 ватт. По 12-ти вольтам он выдает 16 ампер. Мне нужно 5-6 ампер. Так как имеются еще мощные шины, найдем и им применение.


Старый компьютерный блок питания


Держатели предохранителей из Китая. Понадобится три штуки.


Держатели предохранителей из Китая


Тумблер отечественный Т3, со старого оборудования.


Тумблер советский ТЗ


Клеммы китайские. Нужны разного цвета, хотя для меня это не важно.


Клеммы китайские


Светодиоды АЛ307, советские. Резисторы 0.125 ватт.


Светодиоды АЛ307, советские. Резисторы 0.125 ватт.


По размерам передней панели вырезал пластик.


Пластик листовой


Сборка

На пластике произвожу разметку.


Изготовление корпуса для блока питания


Вырезаю все отверстия и окошко. Дублирую на корпусе все отверстия. Но тут видна неувязка. Панель переделал и оставил один светодиод.


Изготовление корпуса для блока питания


Крышку покрасил.


Изготовление корпуса для блока питания


Установил тумблер. Прикрутил клеммы и держатели предохранителей. Распаял провода, на держатели, соответственно напряжений. Минус распаиваю на клемму.


Изготовление блока питания из старого компьютера


Выходы держателей соединяю вместе и распаиваю на плюсовую клемму. Так же распаял светодиод, индицирует включение блока.

Запитал светодиод от -5 вольт, через резистор 150 Ом.


Изготовление блока питания из старого компьютера


Прикручиваю крышку. Так же забыл сказать, что покрасил лицевую панель.


Блок питания из старого компьютера. Конкурс самоделок лето 2019 freeseller.ruБлок питания из старого компьютера. Конкурс самоделок лето 2019 freeseller.ru


Видео по сборке

Похожие самоделки

Комментариев 22
  1. Первая правильно оформленная работа на конкурс ? Удачи.
    0
  2. Если не ошибаюсь, уже 4-ый блок питания предложенный автором.

    Интересно узнать для каких целей этот!
    +1
  3. Этот для работы, проверять лампочки автомобильные.
    Для спойлера. Это еще не последние конструкции.
    +1
    1. Здравствуйте. Почему такой блок питания при подключении нагрузки отключается? У меня сделан на всякий случай для подзарядки АКБ в гараже, если вдруг сядет. Но при включении хотя бы лампочки, он отключается. Приходится выставлять U на минимум и потом плавно поднимать. О каких 12 или 16 Амперах, указанных на корпусе, идёт речь, не очень понял.
      +1
      1. В данном блоке есть резисторы для нагрузки. На шины 3.3 и 5 вольт нужно установить резисторы. Нагрузка нужна в 0.5 ампер, примерно.
        Датчик ошибок смотрит перекосы напряжений.
        А чем регулируете выход?
        +1
        1. Переменным сопротивлением. Давно делал, в интернете нашёл, как переделать под блок питания с регулировкой. Могу сегодня измерить, сколько Ампер он выдаст.
          +1
  4. Ток регулируется? Если да, то нужно глянуть электролиты. Я так понимаю раньше было нормально?
    На табличке указано при 12 вольтах, если задрать до 14.4 для аккумулятора, то ток ниже. Нужно попробовать нагрузить остальные каналы. Можно еще заряжать через лампочку.
    В моей самоделке 3.3 и 5 вольт нагружены резисторами у изготовителя.
    +1
    1. Нет, только напряжение. Это просто блок питания, а не ЗУ. Надо было мне раньше ток измерить, на фотографиях всё видно). Просто в моём случае нужно напряжение выставить на минимум, включить нагрузку, и уже потом поднимать напряжение. Если сразу выставить 12-13В, то отключится при подключении нагрузки. Амперметр включён параллельно! Сначала подключил 20-амперный тестер, но он сразу ушёл в защиту и изоляция на проводах щупов начала гореть. Не ожидал такого результата. Потом подключил этот амперметр. После таких экспериментов ПВС 2х0,75 нагрелся так, что в руку не взять было, пора менять на КГ2х6))).
      +1
      1. Это реально 46 ампер?
        Аккумулятор умрет почти сразу. Не удивительно что стабатывает защита БП. Могло уже давно пробить выходной диод. Большой ток-это показатель сильного разряда АКБ или сульфатация.
        Пробуйте включить через лампу. Не к добру такой ток, ой не к добру.
        Щупы тестера расчитаны на кратковременный ток, разве что оригинальные нормальные, но не факт.
        +1
        1. Да, это понятно. Сам не ожидал. Старый АКБ уже давно своё отслужил, а новый ещё ни разу не подводил.
          +1
        2. Пожалуй, не стоит им даже подзаряжать АКБ, ну если только через лампочку, включённую последовательно. Но пригодится для проверки и ремонта электрооборудования автомобиля. Уже пару лет валяется без дела, а я и не в курсе был о его возможностях. Ещё прикупил блок питания для светодиодной ленты на 12В 30 А, от него сейчас запитана вытяжка из вентилятора радиатора.
          +1
          1. Я этот для проверок и делал.
            +1
  5. Еси правильно понял, то переключение между напряжениями выполняется перестановкой предохранителя?
    Отличная идея! Давно собираюсь сделать нечто подобное. Кстати подобных клемм на Алике не нашёл. Собирался заменить самодельными из болтиков М6.
    И ещё вопросик - можно-ли подобный БП использовать для питания светодиодной ленты 12 Вольт? Или есть какие-то "подводные камни"?
    +1
    1. Правильно, переключением. Для работы в основном нужно 12 вольт.
      Можно, но..
      Все зависит от схемы. Нужно проверить, чтоб на других каналах были нагрузочные резисторы. Если их нет, нужно установить. Иначе при большой нагрузке, БП уходит в защиту.
      Под видео есть ссылка на держатели, они хорошие. Продублирую в ЛС.
      +2
      1. Большое спасибо за держатели, тоже нужны будут. Но я искал именно клеммы. Буду очень благодарен за ссылочку. И ещё. К сожалению практически ничего не понимаю в радиотехнике. Не знаю как рассчитать нужные параметры, хотя по готовой схеме что-то простенькое могу спаять. Подскажите пожалуйста, какие нагрузочные резисторы нужно ставить в данном случае?
        .
        +1
        1. http://cxem.net/calc/ledcalc.php
          +1
          1. Это для светодиодов, а человеку нужно для нагрузки БП.
            +1
        2. А это и есть клеммы. Других я честно говоря не знаю.
          На 3.3 вольта, можно поставить порядка 10-15 ом, 1 ватт.
          На 5 вольт, тоже порядка 10-15 ом, 3 ватт. Должно хватить. Хотя в самом БП и так есть резисторы, но малого сопротивления.
          Для начала, нужно подключить и замерять напряжение, если в районе 12 вольт.
          А так эти отрезки для БП не нагрузка, токи мизерные для него)
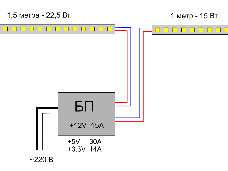
          22,5/12=1,875А.
          15/12=1,25
          +2
          1. Спасиб за консультацию. Честно говоря, в реальной жизни спросить не у кого. Друзья в этом разбираются ещё меньше меня. Если правильно понял, резисторы ставятся как перемычки на выходе 5 и 3,3 вольта? И ещё клеммы я имел в виду вот эти - 
            +1
            1. Попробуйте без резисторов, для начала.
              А гляньте под моим видео.
              Я сейчас в отпуске, с планшета тяжело ссылки вставлять.
              +1
            2. Спасибо. Приятного отдыха! Чой-то не догадался сразу на Тюбик перейти :(
              +1
  6. А зачем радиолюбителю такой блок питания в нем стоит импульсный блок питания который дает помехи .
    0
Имя:*
E-Mail:


Песочница RSSРеклама на сайтеFreeseller.ru - Полезные самоделки
Copyright © 2008-2025