Металлоискатели

Самодельный металлоискатель на принципе частометра

Самодельный металлоискатель на принципе частометра

Металлоискатель на принципе частотомера с разрешением сотые-десятые доли Герца (в зависимости от рабочей частоты)....
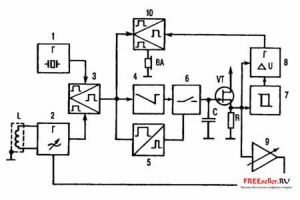
Прибор для обнаружения металла - электронная схема

Прибор для обнаружения металла - электронная схема

Прибор служит для определения местоположения таких предметов в толще немагнитных масс, обладающих незначительной электропроводимостью. Например, под слоем грунта, асфальта, снега можно найти чугунную крышку водопроводного люка на глубине до 0,6-0,8 м, обнаружить под деревянным или бетонным полом, а также в стенах, потолках место расположения металлических балок, труб или электрических кабелей с металлической бронёй на расстоянии до 0,2-0,4 м...
Миноискатель на 7 транзисторах

Миноискатель на 7 транзисторах

Миноискатель на семи транзисторах позволяет добиться сравнительно высокой чувствительности, стабильности в работе и четкой неразличимости чёрных и цветных металлов....
Миноискатель на 3 транзисторах

Миноискатель на 3 транзисторах

Миноискатель на трех транзисторах способен обнаруживать консервные банки или листы железа площадью не менее 150 см2 на глубине до 30 см....
Миноискатель на двух транзисторах

Миноискатель на двух транзисторах

Принцип работы миноискателя, как и большинства подобных конструкций, состоит в том, что при приближении металлического предмета к катушке индуктивности генератора частота генератора изменяется. Чем ближе предмет и чем он больше, тем сильнее его влияние на частоту генератора....
Конструкция электронного металлоискателя

Конструкция электронного металлоискателя

Металлоискатель представляет собой относительно простое устройство, электронная схема которого обеспечивает хорошую чувствительность и стабильность работы. Отличительной особенностью такого устройства является его низкая рабочая частота. Катушки индуктивности металлоискателя работают на частоте 3 кГц....
Простой миноискатель - схема

Простой миноискатель - схема

Предлагаемая схема металлоискателя выгодно отличается от ранее опубликованных металлоискателей подобного класса экономичностью электроэнергии, повышенной чувствительностью и упрощённой сигнализацией. Предлагаемый металлоискатель обнаруживает в земле, в стене здания магнитные и немагнитные металлические предметы на глубине: монету 25 копеек -10...15 см, более крупные предметы - до 60 см....
Схема прибора для обнаружения металлических предметов

Схема прибора для обнаружения металлических предметов

Схема прибора для обнаружения металлических предметов. Во время городских и полевых геодезических съёмок топографам и геодезистам часто приходится отыскивать геодезические отметки. Последние иногда находятся под слоем грунта, что затрудняет их обнаружение. Если организация имеет подземное хозяйство, возникает необходимость определять под слоем грунта или снега местонахождение крышек колодцев....
Импульсный металлоискатель - электронная схема

Импульсный металлоискатель - электронная схема

Импульсный металлоискатель предназначен для нахождения металлических предметов в земле. Его испытания показали, что он может обнаруживать алюминиевую пластину 100 x100 x 2 мм на глубине 75 см, ту же пластину размерами 200 x 200 x 2 мм на глубине 100 см, стальную трубу большой протяжённости и диаметром 300 мм на глубине 200 см, люк канализационного колодца на глубине 200 см, стальную трубу большой протяжённости диаметром 50 мм на глубине 120 см,...
Самодельный металлдетектор

Самодельный металлдетектор

Разработанный мною металлодетектор пока не применялся ни в миротворческих операциях по выявлению и обезвреживанию минных полей, ни в крупномасштабных геологических или археологических изысканиях. Рассчитанный не на профессионалов, а на любителей, чьё желание «заглянуть под землю» способна удовлетворить конструкция с параметрами, приведёнными в таблице, он представляет собой улучшенный вариант «металлоискателя на биениях»....
Металлоискатель на 4 транзисторах

Металлоискатель на 4 транзисторах

Металлоискатель на 4 транзисторах позволяет обнаруживать массивные металлические предметы, зарытые в земле на глубине около 60 см, мелкие металлические предметы размером с небольшую монету могут быть обнаружены на глубине около 5 см....
Металлоискатель на 3 транзисторах

Металлоискатель на 3 транзисторах

Простой металлоискатель на 3-х транзисторах способен обнаружить в грунте пятикопеечную монету на глубине около 2 см, а более крупные предметы - на глубине в несколько десятков сантиметров....
Песочница RSSРеклама на сайтеFreeseller.ru - Полезные самоделки
Copyright © 2008-2025