
Металлоискатель на принципе частотомера с разрешением сотые-десятые доли Герца (в зависимости от рабочей частоты).
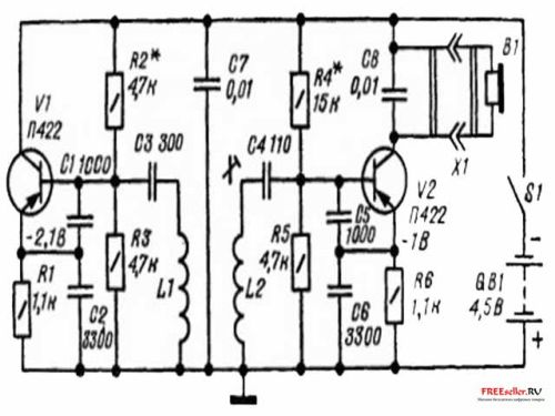
Частота синусоидального генератора от 3 до 20 кГц (в зависимости от числа витков и диаметра катушки металлоискателя).
Чем выше частота, тем лучше различаются мелкие предметы.
Готовность работы после прогрева 1-2 минуты (если генератор залить эпоксидом - 15 мин). Балансировка кнопкой "BALANCE".
Катушка не боится замыканий. Индуктивность катушки более 2 миллиГенри. Можно использовать несколько разных катушек на разные рабочие частоты.
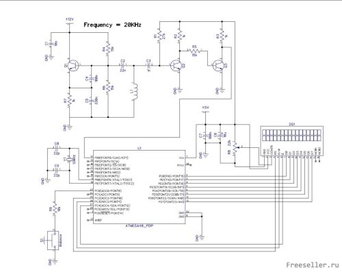
Металлоискатель выполнен на микроконтроллере ATMega48PA. Программа регистрирует отклонение частоты при приближении к черным или цветным металлам. Методами цифровой обработки вычисляется условное индикаторное знаковое значение отклонения частоты. На жидкокристаллическом индикаторе 16х2 в верхней строке отображается уровень в прямоугольниках от 0 до 16, а на второй строке - знаковое значение отклонения. Проект программы собран под AVRStudio 5.1.
Обращаем Ваше внимание, что проект самодельного металлоискателя может быть изменен и улучшен. В частности, можно поднять напряжение питания синусоидального генератора для увеличения глубины обнаружения. Также можно после генератора поставить лучший формирователь импульса. В исходном коде можно увидеть, что прерывание возникает по заднему фронту импульса (в данной схеме задний фронт круче переднего). От крутизны фронта зависит разрешающая способность частотомера.
Исходники проекта под программу AVRStudio 5.1. качаем по ссылке
Скачать файл:
zip-winrar.zip [172,96 Kb] (cкачиваний: 842) .zip
Владимир Шевченко
shelf05@mail.ru