Из электронных часов делаем простейший таймер для полива

  • Опубликовано: 11 марта 2017

Из электронных часов делаем простейший таймер для полива


Как сделать таймер для полива из конструктора часов KIT с Aliexspress.


Для изготовления таймера полива (в принципе можно управлять любыми электроприборами) необходимы любые часы с функцией будильника и звуковым сигналом.

 

 

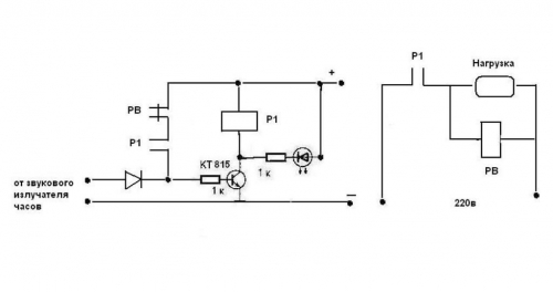
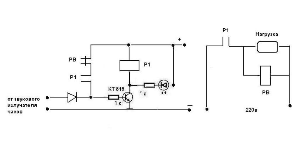
Схема таймера.

 

 

Собирается простая схема с реле и транзисторным ключом. Часы дают сигнал на включение нагрузки а время работы задается реле времени. Реле времени можно применить как промышленного изготовления, так и самодельное. По сигналу будильника включается электроклапан полива. Реле времени включается а через установленное время выключает клапан. Применить таймер можно для включения любых систем-освещения, вентиляции и тому подобное.
Если нужно только включить электроприбор то реле времени можно не применять.

 

Более подробно работа таймера показана в видео

 


Из электронных часов делаем простейший таймер для полива

votak131

Автор работы

0

комментариев

9 301

просмотр

Похожие самоделки

Имя:*
E-Mail:


Песочница RSSРеклама на сайтеFreeseller.ru - Полезные самоделки
Copyright © 2008-2025