Бегущие огни на таймере NE555 и счетчике CD4017

  • Опубликовано: 29 мая 2016

Бегущие огни на таймере NE555 и счетчике CD4017


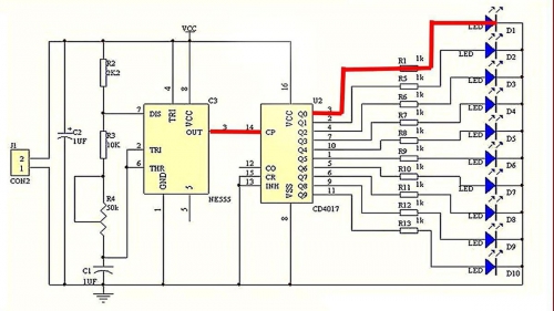
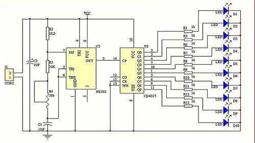
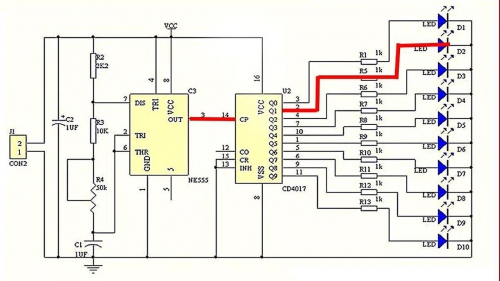
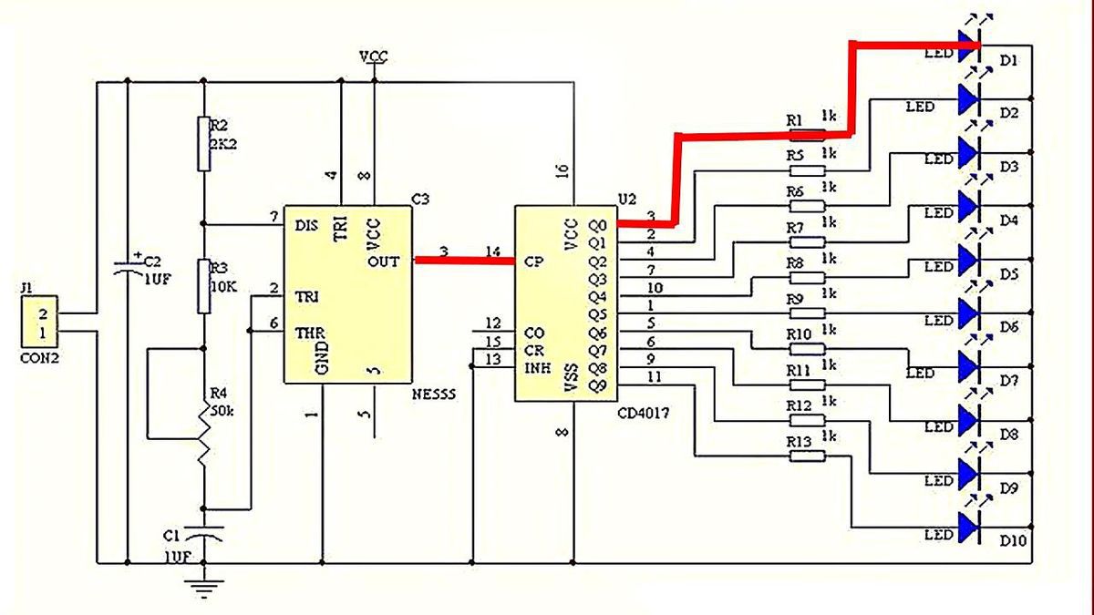
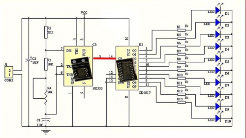
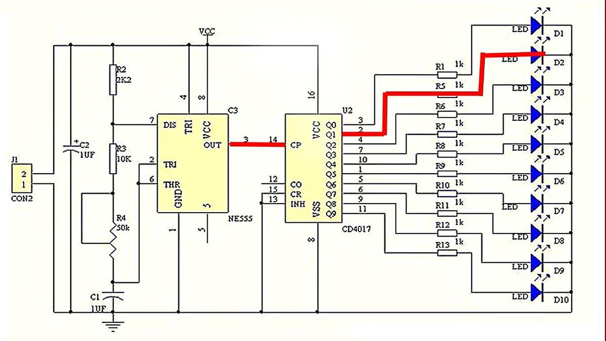
Схема довольно простая и известная, позволяет создать довольно красивый эффект бегущих огней.


 

Принцип работы схемы довольно прост.

 

 

Мысленно схему можно разделить на 2 части, первая часть построена на таймере NE555, её задача генерировать импульсы.

 

 

Вторая часть схемы построена на cd4017, это десятичный счетчик, он считает импульсы и последовательно подаёт напряжения, на свои выводы, зажигая соответствующий светодиод.

 

 

 

Меняя номинал резистора R4 можно менять частоту генерируемых импульсов а, следовательно, и скорость бегущих огней.

 

 

Похожие самоделки

Комментариев 1
  1. привет,вопрос,заказал такую же схему,а как уменьшить число загорающихся диодов,10 для меня много хочу 5 допустим,что бы 5 по кругу зажигались
    +1
Имя:*
E-Mail:


Песочница RSSРеклама на сайтеFreeseller.ru - Полезные самоделки
Copyright © 2008-2025