
Ремонт кинескопов – задача актуальная и экономически целесообразная. Для ее решения автор предлагает несложный прибор, который можно изготовить самостоятельно. Прибор гораздо компактней и удобней в работе, а главное – дешевле фирменных, но не уступает им по эффективности.
Неисправности кинескопа являются довольно частой проблемой при ремонте телевизоров и мониторов. Высокие напряжения и сложный температурный режим довольно скоро выявляют нарушения технологических норм при сборке кинескопа. Неисправности кинескопов достаточно разнообразны и имеют свои способы устранения с помощью различных ухищрений. Чаще всего мастера сталкиваются с падением эмиссии катодов и межэлектродным замыканием.
Одним из методов повышения эмиссии катодов является повышение напряжения накала кинескопа. Другой метод - регенерация катодов высоковольтным разрядом, выжигающим поверхностный слой. Успешность этой процедуры, как видится автору, зависит в значительной степени не от самого прибора и способов воздействия на поверхность активного слоя, а от качества и состояния катодов восстанавливаемого кинескопа. Межэлектродные замыкания, возникающие из-за разрушения компонентов электронных пушек, обычно устраняют, пропуская через замкнутые электроды кратковременный импульсный ток, например, разряжая конденсатор. По сути своей эти процессы слабо контролируемы, а результаты восстановления непредсказуемы.
Различные приборы и методы восстановления работоспособности кинескопов в общем уже давно разработаны и известны. В настоящее время оптимизируется схемотехника приборов за счет применения современной элементной базы, например, для реализации известных алгоритмов используются микроконтроллеры. Совершенствуется эргономика приборов за счет применения всевозможных индикаторов и шкал. Модифицируются режимы работы. Например, для формирования более устойчивого электрического разряда используется импульсная модуляция напряжения, подаваемого на катод. Модуляция позволяет дольше активизировать процесс электрического пробоя при минимальных токах и напряжениях регенерации. Применяется периодическое отключение напряжения накала кинескопа во время регенерации, оказывающее за счет изменения температуры подогревателя и компонентов катода дополнительное воздействие на происходящие процессы.
В основном методы восстановления кинескопов разрабатывались в 50…60 годы, сейчас описания схем приборов и методик восстановления кинескопов редки. Тем не менее, прибор такого типа необходим и в наши дни любому мастеру, занимающемуся ремонтом телевизоров или мониторов. Обобщая опыт работы с различными приборами, предлагаю свой вариант. Он отличается тем, что в нем предусмотрена возможность предварительной установки значения тока в зоне электрического пробоя. Такое решение в сочетании с простотой применения является новым решением в регенерации катодов.
Прибор компактен и прост в использовании, а по эффективности мало чем отличается от сложных фирменных приборов в больших элегантных кейсах. Он не требует набора сменных панелей для различных типов кинескопов. Результат восстановления наблюдается сразу же на экране телевизора. За годы эксплуатации схемотехника прибора хорошо отработана, стоимость невысока, собрать и настроить его может даже радиолюбитель. Ни один телевизор или монитор не пострадал за многолетнюю практику применения прибора, но, тем не менее, предупреждение: автор не несет ответственности за последствия использования предлагаемого метода и прибора.
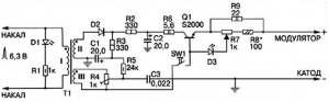
Принципиальная схема прибора приведена на рисунке 1. Прибор состоит из блока питания и ограничителя-модулятора. В блок питания прибора входят компоненты Т1, D2, С1, С2. Выпрямитель на D2 через токоограничительные резисторы заряжает конденсаторы С1 и С2 до напряжения 400…450 В. Энергия конденсатора С2 используется для разряда в кинескопе через ограничитель-модулятор на Q1. Напряжение управления на ограничитель-модулятор подается с конденсатора С1. Независимое питание позволяет сохранить стабильность характеристик ограничителя при разряде конденсатора С2. Для модуляции источника тока импульсами обратного хода используется обмотка III трансформатора Т1. Глубина модуляции тока устанавливается резистором R4 в пределах 40…60%. Ограничение по току в пределах 30…800 мА устанавливается резистором R7. Светодиод D3 красного цвета применяется в качестве стабилизатора базового напряжения и индикатора. Резистором R8 устанавливается значение максимального тока в цепи разряда. Резистор R6 ограничительный,R9 - датчик тока. Транзистор Q1 можно применить типа BU508, S2000 или аналогичный, но без резистора в цепи база- эмиттер. Средняя рассеиваемая на транзисторе мощность невелика, поэтому можно обойтись без радиатора. Диод D2 типа BYW54 или любой импульсный, с обратным напряжением не менее 600 В. Трансформатор Т1 намотан на ферритовом сердечнике от сетевого фильтра блока питания телевизора или монитора, размеры сердечника не критичны в силу малой мощности потребления. Обмотка I содержит 20 витков провода 0,53 мм, обмотка II - 180…200 витков провода 0,12 мм, обмотка III содержит 30 витков того же провода.
Рис. 1. Принципиальная схема прибора
Конструктивно прибор выполнен в компактном пластмассовом корпусе. Положительный вывод прибора и провода его подключения к выводам накала снабжены “крокодилами”. Отрицательный вывод удобно оформить в виде щупа, представляющем собой толстую металлическую иглу, вмонтированную в корпус от фломастера. В этом же щупе удобно расположить кнопку SW1.
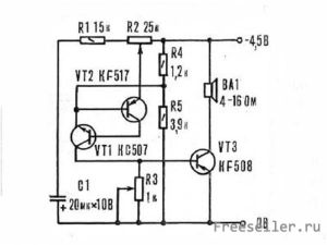
Работа с прибором сводится к следующему. Выводы питания подключаем с помощью “крокодилов” к выводам накала кинескопа работающего телевизора. Правильность подключения определяется по свечению светодиода D1. Через несколько секунд, необходимых для заряда конденсаторов, прибор готов к работе. Положительный вывод подключаем к модулятору (чаще всего это общий провод), отрицательный к восстанавливаемому катоду. Установив ток на минимум, замыкаем кнопку SW1. Результат регенерации проверяется по качеству изображения на экране после отключения прибора от катода. На рисунке 2 показана форма выходного сигнала. При необходимости увеличиваем ток резистором R7, включаем прибор и снова проверяем результат. Таким образом, постепенно увеличивая ток, можно наименее “травматично” воздействовать на катоды любых кинескопов.
Рис. 2. Форма выходного сигнала
В некоторых моделях телевизоров при регенерации может сработать защита. В этом случае телевизор перезапускается повторным включением и процесс может быть продолжен. Многолетняя практика использования этого прибора показала, что никаких дефектов в телевизорах при этом не возникает. При необходимости, отключение напряжения накала кинескопа можно имитировать просто выключив телевизор. Температурная инерция катодов и энергия, запасенная в конденсаторах прибора, позволяют проводить регенерацию с сохранением необходимых режимов. Для подачи отрицательного напряжения, что рекомендовано в некоторых методиках, необходимо просто поменять местами подключаемые к кинескопу выводы. Для применения устройства в ламповых телевизорах или мониторах, не имеющих импульсного накала, на строчный трансформатор необходимо намотать временную дополнительную обмотку из 3…5 витков и к ней подключить клеммы питания прибора.
При работе с прибором не забывайте о правилах техники безопасности!