Термостат-Вольтметр для авто

  • Опубликовано: 14 января 2016

Термостат-Вольтметр для авто


Привет! Сегодня я предоставляю вашему вниманию термостат+ вольтметр для авто. У меня на авто ЗАЗ 1102 вечно ломается кран и я решил сделать вот такой термостат который будет включать электроклапан, но чтоб задействовать ми контроллер как-то еще, я решил добавить вольтметр.


И так начнем. Так как это моя первая самоделка на LCD, то я немного расскажу, как я начинал учить язык программирования.

Начинал я изучать язык СИ так как и все, с самого простого, миганием светодиодов ну и различные простенькие схемы, но я все ровно не мог понять как написать что-то серьезное в итоге я решил начать с более менее сложного устройства и тем самым собрать себе термостат+вольтметр на автомобиль, после двух недель мучения я наконец-то понял как это все работает и что такое программирование.

Поэтому для меня, как оказалось, лучше начинать изучать с более менее сложных устройств, теперь я хоть начал понимать о чем идет речь, но еще по прежнему слабый в этом деле. Как показала практика (лично для меня), то лучше начинать с тяжелого, а легкое само прейдёт. Может кому-то из начинающих эта статья поможет.
Пишу я в программе Codevisionavr, в этой программе есть готовые библиотеки и начальные термины, в общем, начинать в ней легче.

 

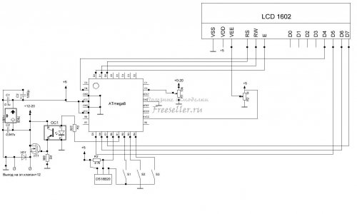
Пожалуй, хватит обо мне пора начать рассматривать моё устройство, вот принципиальная схема.

 

Термостат-Вольтметр для авто - схема

Вот такая получилась у меня простенькая схема и проще как мне кажется уже некуда, самый главный здесь ми контроллер ATmega8, к которому подключен LCD дисплей 1602, что означает 16 символов и 2 ряда.

Резистор R1 служит для точной настройки выводимого напряжения на дисплей, а резистор R2 для настройки контрастности дисплея.

Дальше все просто три тактовые кнопки S1 S2 S3 для установки и сохранения температуры, рядом у нас установлен температурный датчик Даллас DS18B20 с подтягивающим резистором R3 в 4,7k.

Теперь мы рассмотрим питание самой схемы, для нормальной работы нам нужно подать на схему 5 вольт и не в коем случае больше, а то наш ми контроллер с дисплеем и температурным датчиком выйдут из строя, а как нам известно, мы это устройство будем использовать в автомобиле, а там 12 вольт.

Для этого я поставил всем известную кренку L7805, параллельно входу поставил конденсатор C2 ёмкостью в 0,047 мкФ и на выходе в 0,1 мкФ также на выходе стоит электролит ёмкостью в 1000 мкФ, после всего этого мы получаем стабилизированное питание 5 вольт.

Дальше рассмотрим узел управления эл.клапаном. Наш ми контроллер подает 5 вольт на опто-транзистор, но через ограничивающий резистор R4 после чего наш оптрон открывается и питание идет на затвор полевого транзистора VT1, полевик открывается и на наш эл. клапан подается полноценные 12 вольт. Резистор R5 служит для разряда затвора VT1 в тот момент, когда оптрон закрылся, а диод VD1 служит для защиты полевого транзистора от всплесков.

И вот что получилось. Передняя часть.

 

Термостат-Вольтметр для авто - плата

 

И задняя часть.

 

Термостат-Вольтметр для авто - плата
 

Небольшое видео по работе данного устройства.

 

 

На этом буду заканчивать, если где-то ошибки, прошу прощения. Всем пока и удачи!!



1

комментарий

18 007

просмотров

Похожие самоделки

Комментариев 1
Имя:*
E-Mail:


Песочница RSSРеклама на сайтеFreeseller.ru - Полезные самоделки
Copyright © 2008-2025