Динамические поворотники - делаем из набора KIT бегущие огни

  • Опубликовано: 20 февраля 2017

Авто доработки. Динамические поворотники - делаем из набора KIT бегущие огни


Делаем динамические поворотники для авто, из набора KIT бегущие огни.


Конструктор бегущих огней с Алиэкспресс представляет собой печатную плату и набор радиодеталей. Все что нужно - запаять компоненты на плату.

 

Конструктор бегущих огней с Алиэкспресс


Но из нее можно получить более интересные эффекты бегущих огней. Например для поворотников авто или в стоп сигнал или просто на гирлянды для праздника.

 

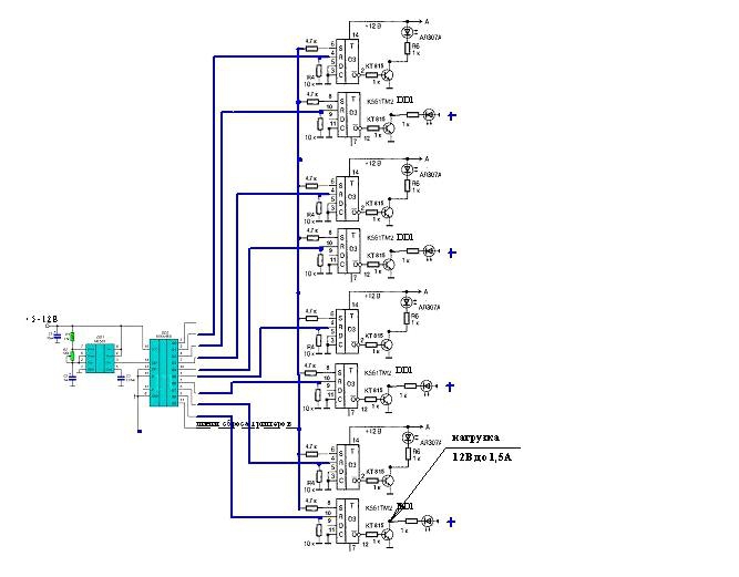
Динамические поворотники - делаем из набора KIT бегущие огни - схема

Данная схема может работать в диапазоне напряжения питания 3 -15 Вольт. Генератор импульсов собран на микросхеме NE555, далее импульсы подаются на десятичный счетчик с дешифратором - микросхема CD4017(или К561ИЕ8), к выходам которой подключены светодиоды через токоограничительные резисторы.


Скорость переключения бегущих огней регулируется подстроечным резистором. Добавляем схему с триггерами и выходными транзисторными ключами. Не надо ничего программировать и т.д. В результате можно получить более интересные световые эффекты бегущих огней. Нужно сделать еще одну печатную плату с триггерами К561ТМ2 и силовыми ключами на КТ815. Импульс с каждого выхода К561ИЕ8 подается на вход триггера по принципу «защелка» то есть на выходе триггера сигнал остается постоянным до прихода импульса сброса с вывода 11 микросхемы CD4017(К561ИЕ8). За цикл включаются 9 каналов.

 

Динамические поворотники - делаем из набора KIT бегущие огниАвто доработки. Динамические поворотники - делаем из набора KIT бегущие огни


Более подробней все показано в видео:

 

Похожие самоделки

Имя:*
E-Mail:


Песочница RSSРеклама на сайтеFreeseller.ru - Полезные самоделки
Copyright © 2008-2025