Светомузыкальная композиция на микроконтроллере своими руками

  • Опубликовано: 25 марта 2016

Светомузыкальная композиция на микроконтроллере своими руками


Хотелось ли тебе, мой дорогой друг, смастерить что-нибудь уникальное, запоминающееся и удивительное? Вложить в подарок смысл и свое отношение к человеку? Итак, если тебе так же как и мне нравится делать разные забавные штуки своими руками, то этот топик подаст тебе интересную идею, научит базовым принципам построения устройств на микроконтроллерах и, если решишь сделать что-нибудь подобное – доставит массу творческого удовольствия в процессе конструирования...


Идея сделать что-нибудь подобное возникла у меня в период новогоднего ажиотажа, когда я с любимой гулял по магазинам. В одном из бутиков, где продают подарки, её взгляд привлекла так называемая «новогодняя музыкальная композиция с подсветкой». Я не поленился, и сходил, сфотографировал представленные образцы:

 

 

Соответственно покупать типовые китайские композиции мне не хотелось, и я приступил к конструированию собственной. Итак, первым делом я сделал все фигурки, для чего мне понадобилась глина для запекания (полимерная глина FIMO), которую можно купить в магазине канцтоваров или игрушек.

 

 

Покупать полимерную глину лучше всего набором.

 

Соответственно покупать типовые китайские композиции мне не хотелось, и я приступил к конструированию собственной. В моей композиции помимо разноцветных светодиодов, так же используется шаговый двигатель для привода "карусельки". Итак, первым делом я сделал все фигурки, для чего мне понадобилась глина для запекания (полимерная глина FIMO), которую можно купить в магазине канцтоваров или игрушек. Не буду вдаваться в подробности технологии изготовления пластиковых фигурок из полимерной глины, в интернете есть множество видео уроков и мастер-классов на эту тему. Тут все ограничивается лишь фантазией. Скажу лишь, что раньше я никогда не лепил, быть может, только в детском саду из пластилина. Но в результате у меня практически все получилось с первого раза, как я и задумал. Помимо полимерных фигурок, в своей работе я использовал стеклянную елочку, под которую было установлено 4 разноцветных светодиода.

 

Далее, я заложил полученные фигурки в духовку и обжег при температуре, указанной на упаковке к глине. Следующим этапом было изготовление подставки-коробки из фанеры, на которой и располагалась вся композиция, сверловка отверстий для установки шагового двигателя, 4-х светодиодов разных цветов под стеклянную елочку, кнопки включения и под динамик. В общем, ничего сложного.

 

 

Затем я расположил фигурки на доске, наметил расположение и направление светодиодов для подсветки остальных фигурок, под ножки которых просверлил тоненькие отверстия. Вместо снега для своей новогодней композиции я использовал жидкие гвозди «Момент экспресс декор», которые, согласно описанию, не желтеют со временем. На те же жидкие гвозди были посажены все фигурки. В данной конструкции был использован биполярный шаговый двигатель Mitsumi M35SP11NK, который я выдернул из старого струйного принтера, двигатель был приклеен к фанере на суперклей.

 

 

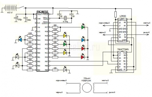
Следующим этапом стала разработка электронной «начинки». В качестве «сердца» устройства был выбран микроконтроллер базового семейства фирмы Microchip — PIC16F57, в котором нет ничего лишнего, и достаточно (20) портов ввода-вывода. Так же без каких-либо изменений кода можно использовать микроконтроллер PIC16F59, в котором их целых 32. Порты выдают достаточный ток для питания светодиодов напрямую. В качестве драйвера шагового двигателя была использована микросхема L293D по типовой схеме её включения.

 

 

В итоге была разработана вот такая принципиальная схема

 

Опытным путем было установлено необходимое для питания светодиодов сопротивление, так чтобы ток потребления составлял 10 мА. Для красных светодиодов оно составило 200 Ом, для всех остальных 150 Ом. При таком токе потребления светодиоды светились достаточно ярко, однако можно было без последствий увеличить его до 25 мА. На схеме видно, что перед некоторыми светодиодами стоят 2-3 резистора разного номинала – это нужно для того, чтобы можно было программно регулировать их яркость. В качестве музыкального сопровождения я решил использовать стандартную китайскую «пищалку» реагирующую на свет, с мелодией на мотив «в лесу родилась ёлочка», которую безжалостно вырвал из коробки от новогоднего подарка. Подобные пищалки можно найти в мягких игрушках, открытках и даже в жестяных банках из-под чая. Разобрав её, обнаружил, что питалась она от 3-х батареек — «пуговиц» (4,5 В), что оказалось очень кстати, т.к. схему микроконтроллера я решил питать от 3-х пальчиковых батареек. Поэтому пищалку я также запитал от них же.

 

 

Больше пищалку я решил не модифицировать, для запуска мелодии приклеил рядом с ней внутри коробки белый светодиод, хотя конечно по уму лучше было бы впаять вместо фоторезистора транзистор.

 

Схему я собрал на стандартной макетной плате. Микроконтроллер необходимо разместить на панельке под микросхему, чтобы его можно было снимать для перепрограммирования

 

 

Все компоненты в сборе

 

На следующем этапе необходимо было все это «оживить» и я приступил к написанию прошивки для микроконтроллера. Для создания и отладки прошивки, а также эмуляции устройства я использовал программу PIC Simulator Studio, которую можно бесплатно загрузить по ссылке ниже:

 

Внимание! У Вас нет прав для просмотра скрытого текста.

 

 

Добавив в окно devices editor светодиоды на том же месте, как и на доске я создавал различные световые «сценки»

 

Не буду вдаваться в подробности программирования на ассемблере, просто прикреплю исходный файл, в котором я прокомментировал каждую строчку так, что составить свои собственные сценки не составит труда. Далее я все в той же программе экспортировал hex-файл с прошивкой и с помощью программатора miniPro TL866CS я запрограммировал микросхему. Вместо него можно использовать практически любой универсальный программатор, или собрать самому – в интернете есть множество схем.

 

В качестве демонстрации приведу видео с работой готового образца:

 

 

Исходники можно скачать по ссылке ниже:

Внимание! У Вас нет прав для просмотра скрытого текста.

Похожие самоделки

Комментариев 2
  1. Нет слов-одни эмоции......зачем?
    0
  2. Хорошая композиция, хотя конечно она в основном походит для новогодних праздников!
    Но под елкой, должна смотреться очень неплохо!
    0
Имя:*
E-Mail:


Песочница RSSРеклама на сайтеFreeseller.ru - Полезные самоделки
Copyright © 2008-2025