
Конструкция самодельного универсального прицепа со съёмным кузовом для перевозки лодки и любых других грузов.
По моим расчетам, больше всего отвечала этим требованиям хребтовая конструкция прицепа. «Хребет», он же дышло, представляет собой силовую трубу, на которую насажен мост с подвесками колес.
Мост, сваренный из относительно тонкого стального листа, получился сложной формы. Дело в том, что сосед по гаражу подарил мне подвеску колес в сборе (предположительно от инвалидной мотоколяски одной из первых модификаций). Следовательно, нужно было предусмотреть на мосте установку ее присоединительных узлов аналогично тому, как это было на мотоколяске, а ее-то я и в глаза не видел. Пришлось потрудиться: продумать конструкцию, предусмотрев для повышения проходимости прицепа арки, начертить и вырезать из ватмана выкройки, склеить из них мост в масштабе 1:1 и определить по макету точные места расположения узлов крепления подвески.
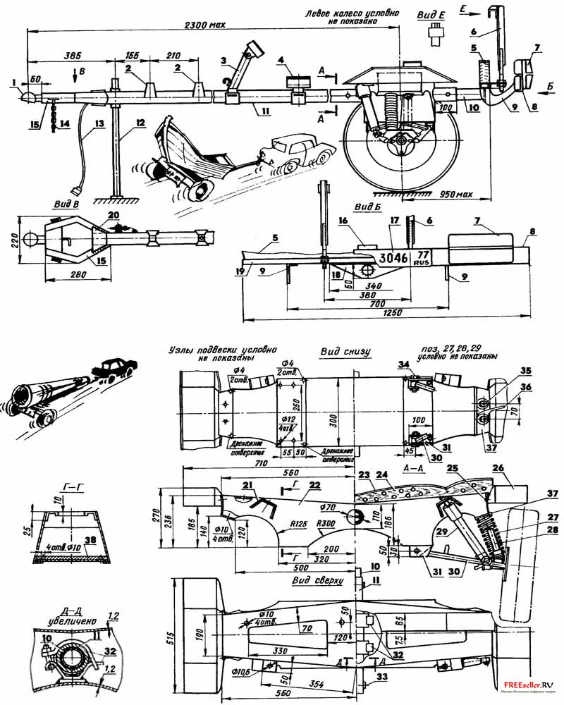
Рис.1. Чертежи самодельного универсального прицепа для изготовления своими руками
(показан в ненагруженном состоянии):
1 - узел сцепки (стандартный);2 - кронштейны крепления запасного колеса (СтЗ, лист s2); 3 - стойка упора форштевня лодки с крюком (СтЗ, труба 40x25x2); 4 - ложемент килевой; 5-ложемент кормовой (сосна, резина); 6 - стойка транцевого зацепа (СтЗ); 7 - фонари задние (от ВАЗ-2101); 8 - балка задних фонарей (Д16Т, швеллер 80x35); 9 - кронштейны балки задних фонарей (СтЗ, лист s2); 10 - удлинитель (СтЗ, труба 49x3, L1300); 11 - дышло (СтЗ, труба 55x3); 12 - стойка (СтЗ, труба 20x2, L550); 13 - жгут электропроводки; 14 - цепь страховочная (2 шт.); 15 - боковина сцепного устройства (СтЗ, швеллер 50x32); 16 - фонарь освещения номерного знака (от автомобиля УАЗ-469); 17 - знак номерной; 18 - кронштейн крепления кормового ложемента (СтЗ, лист s2); 19 - балка ложемента (СтЗ, труба 40x25x2); 20 - косынка (СтЗ, лист s2, 2 шт.); 21 -упор амортизатора (СтЗ, лист s2); 22 - мост (СтЗ, лист si,2); 23 - подушка (резина, лист s5); 24 - ложемент основной (сосна); 25 - болт М5 (8 шт.); 26 - крыло (Д16Т, лист s2); 27 - пружина; 28 - ограничитель хода подвески (резина); 29 - амортизатор; 30 - рычаг подвески; 31 - проушина крепления рычага (СтЗ, швеллер 40x40x3); 32 - замки (от строительных лесов); 33 - болт-фиксатор Ml2 (2 шт.); 34 - ось рычага (болт М12); 35 - упор (4 шт.); 36 - ремень страховочный; 37 - накладка упорная (СтЗ, лист s2, 2 шт.); 38 - плита усиливающая (СтЗ, лист s2, 2 шт.).
Конструкция удалась. Это подтвердила ее эксплуатация в различных условиях на протяжении нескольких лет, хотя в ней практически отсутствуют какие-либо дополнительные усиливающие элементы, кроме накладок под упоры пружин и плит, размещенных внутри над листами, к которым крепятся проушины рычагов подвески. Кстати, за счет разницы в диаметрах отверстий под болты в листах и плитах, фиксирующих проушины, можно, изменяя их положение, регулировать развал и схождение колес.
Рис.2. Установка кузова самодельного прицепа (левое крыло прицепа условно не показано):
1 - кузов; 2 - замки.
Надежное соединение дышла с мостом обеспечивают два замка, позаимствованные от строительных лесов, приваренные с внутренней стороны средней арки. Такая конструкция позволяет центровать прицеп и регулировать величину нагрузки на задний мост автомобиля при перевозке на прицепе грузов различной массы и габаритов. С этой же целью дышло сзади оснащено телескопическим удлинителем, на котором смонтированы кормовой ложемент, транцевые зацепы и бампер со светотехническим оборудованием. Вышеуказанные замки оказались очень удачной находкой, поэтому я применил их и для крепления на дышле стойки упора форштевня, килевого ложемента и кузова.
Рис.3. Рычаг подвески колеса самодельного прицепа:
1 - втулка сайлент-блока (труба 28x2); 2 - плечо (труба 26x2); 3 - стяжка (труба 26x2); 4,6 - кронштейны крепления ступицы (лист s8); 5 - основание пружин (лист s8); 7 - ступица; 8 - кронштейн (лист s5); 9 - ось крепления амортизатора; 10 - фланец.
Габариты, мм:
- длина с дышлом для катера......2750
- для прочих грузов.....................2050
- ширина.....................................1450
Габариты кузова, мм:
- длина...................................... 1400
- ширина.................................... 1120
- высота.......................................350
- Масса снаряженная, кг..................100
- Грузоподъемность, кг...............до 500
- Колея в нагруженном состоянии, мм......................... 1350
- Тягово-сцепное устройство ... по ОСТ 37.001.096-89