Схемы усилителей для стереонаушников

  • Опубликовано: 20 апреля 2010

Схемы усилителей для стереонаушников


Предлагаем вниманию 2 схемы усилителей для низкоомных и высокоомных стереонаушников.


Первый усилитель.

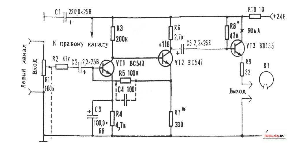
Более простая (рис. 1) состоит из трех каскадов (на схеме показан только один канал). Первые два (VT1, VT2) образуют предусилитель, создающий достаточный уровень сигнала, необходимый для раскачки эмиттерного повторителя VT3.

Режим работы по постоянному току первых двух транзисторов устанавливают с помощью резистора R7. При этом напряжение на коллекторе VT2 должно быть 10- 11 В. Режим работы оконечного каскада подбирают резистором R8 таким образом, чтобы при сопротивлении стереотелефонов от 4 до 100 Ом ток покоя VT3 не превышал 50-60 мА. Если же оно более 1 кОм, ток покоя тогда будет значительно меньше (10-15 мА), и в выходном каскаде можно применить такой же транзистор, как и в первых двух.

Замена транзисторов: VT1. VT2 -любые маломощные кремниевые, например КТ315, KT3I2, КТ3102; VT3-КТ603, КТ815, КТ807 с любыми буквенными индексами.


Рис. 1. Простейший усилитель для низкоомных стереонаушников.

Второй усилитель также выполнен на трех транзисторах, но по более сложной схеме (рис. 2), содержащей темброблок с раздельными регуляторами по низшим (R7) и высшим (RIO) частотам. Кроме того усилитель рассчитан на работу с высокоомными стереонаушниками, имеющими сопротивление от 400 Ом до 2 кОм. Для подключения низкоомных стереонаушников в оконечном каскаде необходимо установить более мощный транзистор (см. предыдущую схему).

В качестве VT1, VT2 можно применить транзисторы КТ3102, КТ315, КТ312, в выходном каскаде КТ503, КТ603, КТ815 с любыми буквенными индексами.


Рис. 2. Усилитель для высокоомных стереонаушников.

Млад конструктор, Болгария

Похожие самоделки

Имя:*
E-Mail:


Песочница RSSРеклама на сайтеFreeseller.ru - Полезные самоделки
Copyright © 2008-2025