
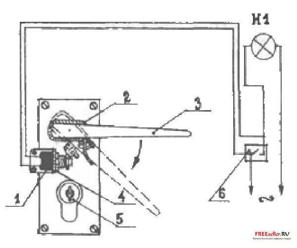
Вы вернулись домой или перешли из комнаты в комнату. Открывая дверь, нажали на ручку замка — и тут же загорелся свет. Удобно1 А секрет вот в чем. Прикрепленная к ручке скоба давит на пуговку кнопки, связанной с сетевым выключателем. Включите его, а когда будете закрывать дверь, снова нажмите на ручку, чтобы кнопочный выключатель разомкнулся.

Устройство для выключения света дверной ручкой:
1 — кнопочный выключатель, 2 — скоба, 3 — ручка, 4 — уголок для крепления кнопки, 5 — дверной замок, 6 — комнатный выкючатель.