
Схема преобразователя для питания люминесцентных ламп (ламп дневного света) от аккумулятора на 12 Вольт.
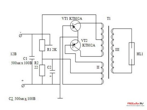
Схема преобразователя, выполненная в соответствии с общепринятыми нормами для изображения принципиальных радиоэлектрических схем, приведена на рисунке. В качестве магнитопровода трансформатора Т1 автор использовал сердечник от строчного телевизионного трансформатора, на котором размещены следующие три обмотки: I - коллекторная, II - базовая, III - повышающая. Точкой на схеме отмечено начало каждой из обмоток. Изготовление трансформатора имеет свои особенности.
Так, первой наматывают коллекторную обмотку I, состоящую из 8 + 8 витков провода диаметром 0,8…1 мм. Для уменьшения рассеяния магнитного поля в двухтактных преобразователях принято обе половинки этой обмотки наматывать одновременно сложенным вдвое проводом, а средняя точка обмотки, связанная с резистором R1, - это место соединения концов сложенного провода.
Рис.1. Схема преобразователя для питания люминесцентных ламп (ламп дневного света) от аккумулятора на 12 Вольт.
Поверх коллекторной обмотки I располагают базовую обмотку II, состоящую из 3 + 3 витков провода диаметром 0,4…0,6 мм. Эту обмотку формируют в два провода таким же образом, как и обмотку I. Поверх обмотки II укладывают повышающую обмотку III, состоящую из 400 витков провода диаметром 0,12…0,15 мм. (Для всех обмоток желательно использовать медный провод в лаковой изоляции марки ПЭВ - 2).
Между обмотками II и III предусматривают надёжную изоляцию из конденсаторной бумаги или лакоткани. Заметим, что фторопластовую плёнку применять не рекомендуется в связи с её большой текучестью под нагрузкой (плёнку легко продавить проводом при недостаточной квалификации наматывающего трансформатор). Такую же надёжную изоляцию обеспечивают между слоями повышающей обмотки III.
При отсутствии сердечника от старого строчного трансформатора можно воспользоваться сердечником из феррита марки 2000НМ или 3000НМ. Транзисторы VТ1 и VТ2 марки КТ802 устанавливают на радиаторах (площадь каждого радиатора не менее 10…15 кв. см).
В схеме использованы следующие детали: R1 - переменный резистор номиналом 2 кОм типа СП3 или СП5 (подстроечный); R2 - постоянный резистор номиналом 22 Ом тип МЛТ, ВС или др.; С1 и С2 - конденсаторы ёмко-стью 500 мкф типа К50 на напряжение 100 В.
Обратите внимание на то обстоятельство, что данный преобразователь создаёт сильные помехи радиоприёму, а на вторичной обмотке и контактах люминесцентной лампы создаётся высокое напряжение.