Элетрошоковое средство защиты - схема

  • Опубликовано: 20 декабря 2009


Я хочу предложить вашему вниманию электрошоковое средство самозащиты. Изделие весьма эффективно, в том числе и в психологическом плане.


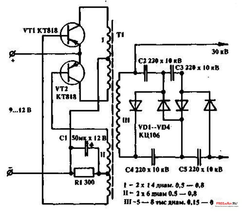
Основу прибора составляет преобразователь постоянного напряжения (рис.1). На выходе прибора я применил умножитель на диодах КЦ-106 и конденсаторах 220 пф х 10 кв. Питанием служат 10 аккумуляторов Д-0,55. С меньшими - результат чуть хуже. Можно применять и батареи "Крона" или "Корунд". Важно иметь 9- 12 вольт. Аккумуляторы удобны только тем, что их можно заряжать.

Очень важным элементом является трансформатор, который я изготовил из ферритового сердечника (ферритовый стержень от радиоприемника диаметром 8 мм), но эффективнее работал трансформатор из феррита от ТВС - из "П"-образного я изготовил брусок. Правила намотки высоковольтной обмотки взял из журнала "Радио" за 1992 год ("Электрическая спичка") - через каждую тысячу витков прокладывал изоляцию. Для межвитковой изоляции применил ленту ФУМ (фтороплат). На мой взгляд, другие материалы менее надежны. Экспериментируя, я пробовал изоленту, слюду, применял провод ПЭЛ-ШО. Трансформатор служил недолго - обмотки "прошивало". Корпус изготовил из пластмассовой коробки подходящих размеров - пластмассовая упаковка от электропаяльника. Размеры оригинала: 190 х 50 х 40 мм (см. фото).

 


Рис.1. Схема преобразователя постоянного напряжения


Рис.2.

В корпусе сделал перегородки из пластмассы между трансформатором и умножителем, а также между электродами со стороны пайки - меры предосторожности во избежание прохождения искры внутри схемы (корпуса),что также предохраняет трансформатор. С наружной части под электродами расположил небольшие "усики" из латуни для уменьшения расстояния между электродами - разряд образуется между ними. В моей конструкции расстояние между электродами - 30 мм, а длина короны - 20 мм. Искра образуется и без "усов" - между электродами, но есть опасность пробоя трансформатора, образования ее внутри корпуса. Идею "усов" я подсмотрел на "фирменных" моделях.


Рис.3.

Во избежание самовключения при ношении целесообразнее применять выключатель движкового типа. Хочу предупредить радиолюбителей о необходимости осторожного обращения с изделием как в период конструирования и наладки, так и с готовым аппаратом. Помните, что он направлен против хулигана, преступника, но, в то же время, против человека. Превышение пределов необходимой обороны наказывается по закону.

A.ВОРОБЬЕВ, г.Курск 

Похожие самоделки

Имя:*
E-Mail:


Песочница RSSРеклама на сайтеFreeseller.ru - Полезные самоделки
Copyright © 2008-2025