Схема карманного электрошокера Защитник

  • Опубликовано: 20 декабря 2009


Используется для самообороны и обеспечивает готовность к действию через 3 секунды после включения питания.

Принцип работы элетрошокера:

При снятии устройства с предохранителя и нажатии активаторной кнопки на контактных электродах возникает серийный электрический разряд тока высокого напряжения, импульсно воздействующий на объект .

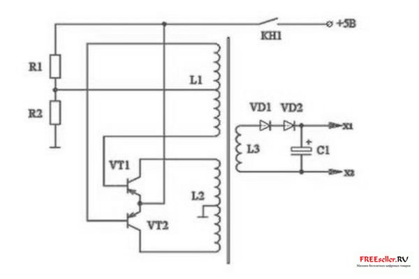
Описание деталей:
R1 - 330 Ом; R2 - 30 Ом; VD1,VD2 - КД105; VT1, VT2 - КТ816; C1 - 1000 мкФ х 400 В (подобрать с малой утечкой, например типа К50-73 или японского производства) Катушки намотаны на ферритовом магнитопроводе сечением не менее 0,5 см и проницаемостью 2000, например на кольце или на броневом магнитопроводе. Катушка L3 имеет 600 витков провода ПЭЛШО или ПЭВ-2 диаметром 0,2 мм. Сверху катушки L3 прокладывается 2 слоя изоляции, а затем наматываются катушки L1 и L2: L1 - 8 витков провода ПЭЛ диаметром 0,4 мм с отводом от середины; L2 - 12 витков провода ПЭЛ диаметром 0,8 мм.Устройство монтируется в жестком футляре; расстояние между штырями Х1 и Х2 - 30-40 мм, их длина - 50 мм. Питание подается кнопкой КН1 кратковременно. Источник питания - 4 последовательно соединенных элемента Д-0,55.


Рис.1. Схема электрошокера

Технические данные: 
• Емкость накопительного конденсатора 100 мкФ (более чем достаточно)
• Напряжение на накопительном конденсаторе - 350 В
Сохранение заряда на конденсаторе после выключения питания - не менее 30 минут.

Предостережения:

Данное устройство МОЖЕТ вызывать временной паралич.

Похожие самоделки

Имя:*
E-Mail:


Песочница RSSРеклама на сайтеFreeseller.ru - Полезные самоделки
Copyright © 2008-2025