Карманный электрошокер - схема

  • Опубликовано: 20 декабря 2009


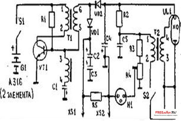
Еще одна схема карманного электрошокера из серии "Защитник"


Используемые детали:

1. VT1 (KT836A)
2. UD1, UD2 (КД105В)
3. Н1 (ИН-35)
4. VL1 (ФП-0,015)
5. S1 (ПМД 1)
6. S1 (МП-7)
7. R1(300 Ом), R2 (240 кОм), R3 (510 кОм), R4 СП3-220 (1,0 МОМ), R5 (1,0 мОМ)
8. С1 К50-6 (50 В 1,0 мкФ), С2, С3 К50-35 (160 в 22 мкФ), С4 К50-17 (400 в 150 мкФ), С5 К73-24 (160 В 22 мкФ)

Трансформаторы:

9. Т1 Броневой сердечник Б18 из феррита 2000 НМ (без зазора). Сначала на каркас наматывают виток к витку повышающую обмотку 5-6 - 1350 витков провода ПЭВ-2 д=0,07 мм с изоляцией, пропарафинированной тонкой бумагой через каждые 450 витков. Поверх укладывают двойной слой параф. бумаги, затем наматывают обмотки.
1-2 - 8 витков ПЭВ-2 д=0,3 мм.
3-4 - 6 витков ПЭВ-2 д=0,3 мм.


Допустимо использование сердечника Б14 из феррита 2000 НМ.
Т2 Стержневой сердечник д=2,8, 1=18 мм из феррита 2000 НМ. На сердечник крепят щечки из электроизоляционного материала (стеклотекстолит, картон) толщиной 0,5- 0,8 мм, затем наматывают повышающую обмотку 3-4 - 200 витков ПЭЛШО д=0,1 мм (через 100 витков изоляция двумя слоями лакоткани). Поверх нее 1-2-20 витков ПЭВ-2 д=0,3. Выход 4 повышающей обмотки припаивается к проводу МГТВ (сечение 0,7 кв. мм), идущему к поджигающему электроду импульсной лампу.

Детали «ЗАЩИТНИКА» смонтированы на печатной плате из фольгированного стеклотестолита толщиной 0,8-1,5 мм и размерами 54-90 мм. Элементы питания расположены на плате между контактными пластинами из пружинистой бронзы или латуни. Корпус выполнен из ударопрочного полистирола; габариты - 98х62х28 мм. Высота изоляционного основания электродной системы - 22 мм. Электроды Х51 и Х82 выступают над основанием на 3 мм, расстояние между ними - 10 мм.

При опасности включите 81, через 2-3 секунды напряжение на электродах достигнет 300 в. и прикосновением к открытым участкам тела вызовет электроудар. Нажимать на кнопку поджига импульсной лампы 52 с целью ослепления следует не ранее загорания индикатора Н1.

Эффективность применения прибора самообороны максимальна в случае нанесения электроудара сразу после ослепляющей вспышки!

Похожие самоделки

Имя:*
E-Mail:


Песочница RSSРеклама на сайтеFreeseller.ru - Полезные самоделки
Copyright © 2008-2025