
Импульсный металлоискатель предназначен для нахождения металлических предметов в земле. Его испытания показали, что он может обнаруживать алюминиевую пластину 100 x100 x 2 мм на глубине 75 см, ту же пластину размерами 200 x 200 x 2 мм на глубине 100 см, стальную трубу большой протяжённости и диаметром 300 мм на глубине 200 см, люк канализационного колодца на глубине 200 см, стальную трубу большой протяжённости диаметром 50 мм на глубине 120 см, медную шайбу диаметром 25 мм на глубине 35 см.
Прибор (рис. 1, а) состоит из задающего генератора 1 на частоту 100 Гц, усилителя тока импульса 2, излучающей рамки 3, генератора задержки 4 на 100 мкс, генератора стробирующих импульсов 5, согласующего усилителя 6, электронного коммутатора 7, приёмной рамки 8, двустороннего ограничителя 9, усилителя сигнала 10, интегратора 11, усилителя постоянного тока 12, индикатора 13, стабилизатора напряжения 14.
Металлоискатель работает следующим образом. Задающий генератор излучает импульс длительностью Ти (рис. 1, б), спад которого запускает генератор задержки. Импульс задающего генератора усиливается по мощности усилителем тока и поступает на излучающую рамку. Генератор задержки вырабатывает импульс длительностью 100 мкс, спадом которого запускается генератор стробирующих импульсов. Этот генератор вырабатывает стробирующий импульс длительностью 30 мкс, который через согласующий усилитель управляет работой электронного коммутатора. Коммутатор открывает усилитель сигналов на время действия стробирующего импульса и пропускает сигнал с усилителя 10 на интегратор. Сигнал с выхода интегратора через усилитель постоянного тока поступает на стрелочный индикатор.
Рис.1. Импульсный металлоискатель.
На рис. 1, б показано распределение во времени сигналов на передающей (излучающей) рамке (кривая 1), на приёмной рамке при отсутствии (кривая 2) и при наличии металла (кривая 5). В результате экспериментов было установлено, что при отсутствии металла принятый импульс за время 100 мкс довольно резко убывает по амплитуде. При наличии в зоне контроля металлических включений длительность убывания принятого импульса по амплитуде значительно затягивается в основном за счёт действия токов Фуко. Свойство деформации формы принятого сигнала из-за воздействия металлических включений положено в основу конструкции этого прибора. Конструкция датчика прибора показана на рис. 1, в. Излучающая и приёмная рамки намотаны на каркасе из диэлектрика наружным диаметром 300 мм. Приёмная рамка намотана внутри излучающей. Её внутренний диаметр 260 мм. Передающая рамка содержит 300 витков провода ПЭВ-2 0,44, а приёмная - 60 витков провода ПЭВ-2 0,14. Крепление ручки 1 произвольное и особых пояснений не требует.
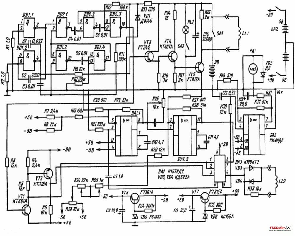
На рис. 2 изображена принципиальная схема прибора. Задающий генератор выполнен на микросхемах DD1.1 и DD1.2. Сигнал с выхода генератора через резистор R9 поступает на вход усилителя тока импульса - транзисторы VT3-VT5, нагрузкой которого является излучающая рамка L1.1. Через конденсатор С3 импульс с задающего генератора поступает на вход генератора задержки, выполненного на элементах DD1.3, DD1.4 по схеме триггера Шмидта. Спад импульса задержки запускает генератор стробирующих импульсов, выполненный на элементах DD2.1-DD2.3. Стробирующий импульс через согласующий усилитель (транзисторы VT1, VT2) поступает на электронный коммутатор DA1, который управляет работой усилителя сигналов (DA1.1 и DA1.2) и интегратором (С12, R30), пропуская сигнал постоянного тока на усилитель постоянного тока (DA2) во время действия стробирующего импульса. Нагрузкой усилителя постоянного тока служит стрелочный прибор РА1. Для повышения стабильности измерений питание усилительных каскадов дополнительно стабилизировано. Электронные стабилизаторы выполнены на транзисторах VT6, VT7.
В. С. Горчаков