Самодельный металлдетектор

  • Опубликовано: 27 декабря 2010

Самодельный металлдетектор


Разработанный мною металлодетектор пока не применялся ни в миротворческих операциях по выявлению и обезвреживанию минных полей, ни в крупномасштабных геологических или археологических изысканиях. Рассчитанный не на профессионалов, а на любителей, чьё желание «заглянуть под землю» способна удовлетворить конструкция с параметрами, приведёнными в таблице, он представляет собой улучшенный вариант «металлоискателя на биениях».


Чувствительность у прибора повышена за счёт выгодного использования (чёткой фиксации) зависимости длительности зондирующего импульса от интенсивности самих посылок с введением в поисковый генератор автоматической подстройки частоты (АПЧ). Причём дополнительных мер для стабилизации напряжения и температурной компенсации электронных блоков не потребовалось.


А предсказываемые скептиками «непримиримые противоречия» (мол, изменение частоты у поискового колебательного контура при попадании металла в рабочую зону несовместимо с нормальным функционированием системы АПЧ) разрешила сама практика. Оказалось, что при перемещении датчика над исследуемой поверхностью со скоростью 0,5-1 м/с схема прибора вовсе не вступает в конфликт с автоподстройкой частоты, имеющей значительную инерционность (большую постоянную времени).


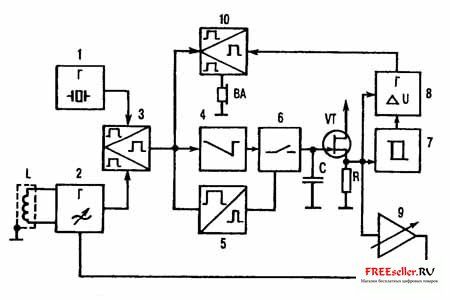
Уже из анализа блок-схемы видно, что изготовить такой прибор заведомо сложнее, чем любой из прежних менее чувствительных аналогов, включая металлоискатели, опубликованные в № 8'85 и 4'96 журнала «Моделист-конструктор». Ведь у предлагаемой мною разработки, помимо стандартного набора из образцового кварцевого (1) и измерительного (2) генераторов, выносной катушки индуктивности L (поисковой рамки-датчика), смесителя (3) и звукового регистратора ВА (телефонного капсюля), - налицо новые, существенно улучшающие эксплуатационные характеристики, устройства. Это и интегратор (4), вырабатывающий пилообразный сигнал с амплитудой, пропорциональной управляющей частоте биений, и формирователь импульса записи (5), который совместно с ключом (6) и истоковым повторителем VT представляют собой аналоговое запоминающее устройство, фиксирующее пиковое напряжение с интегратора.

Не обходится металлодетектор без компаратора (7), обеспечивающего автоматический перевод электроники из зоны максимальной чувствительности в область регистрации биений «один к одному» (и наоборот), без специального генератора ГУН (8), преобразующего напряжение, сформированное на истоковом повторителе, в электрические колебания частотой 200-8000 Гц. а также без упомянутой выше оригинальной системы автоподстройки частоты АПЧ (9) с особым узлом, замедляющим реакцию прибора на чрезмерно резкое изменение управляющего напряжения- Имеется здесь и ряд других технических решений, среди которых, конечно же, нельзя не выделить «операционник» и спецсмеситель (10).

Как показывает практика, именно такой состав устройств при выбранном способе формирования звукового сигнала позволяет прослушивать обе частоты одновременно, существенно облегчая начальную настройку прибора на определённую чувствительность. И надёжность обеспечивается достаточно высокая. Даже в экстремальной ситуации, когда, скажем, поисковая рамка-датчик приближается к массивному металлическому предмету на расстояние, при котором разностная частота становится почти критической (70 Гц), сбоев в работе не возникает - в головных телефонах слышна только изменяющаяся частота биений.


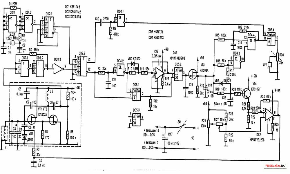
Теперь о частностях, нашедших своё отражение на принципиальной электрической схеме. Образцовый генератор выполнен на элементе DD1.1. Его частота стабилизирована кварцевым резонатором ZQ1, включённым в цепь положительной обратной связи. Для обеспечения возбуждения генератора при включении питания служит резистор R1. Имеющийся здесь же буферный элемент DD1.2 разгружает генератор, а также формирует сигнал с цифровыми уровнями. Резистор R2 определяет степень нагрузки и максимум мощности, рассеиваемой на кварцевом резонаторе. с. 1. Блок-схема металлодетектора.

Рис. 1. Блок-схема металлодетектора.Рис. 2. Эпюры напряжений и токов в контрольных точках прибора.

Рис. 2. Эпюры напряжений и токов в контрольных точках прибора.


Данный генератор может работать практически с любыми резонаторами при токе потребления 500-800 мкА. А идущий за ним делитель частоты на два (элемент DD2.1) формирует сигнал с симметричным меандром, необходимый для нормальной работы смесителя.


Измерительный генератор собран по схеме несимметричного мультивибратора (транзисторы VT1 и VT2). Выход на режим самовозбуждения обеспечивает цепь положительной обратной связи на конденсаторе С7. Частотозадающими элементами служат С3 - С5, VD1 и поисковая катушка-датчик L1. Причём генерация осуществляется в пределах от 500 кГц до 700 кГц, в зависимости от имеющегося кварцевого резонатора. Рис. 3. Принципиальная электрическая схема металлодетектора.

Рис. 3. Принципиальная электрическая схема металлодетектора.


Такой важный параметр, как кратковременная нестабильность, у данного генератора невелик. Уход частоты за первые 10 с сразу после включения питания составляет не более 0,7 Гц (а через каждые 30 мин - до 20 Гц), хотя для нормальной работы прибора считается приемлемым даже 1 Гц за 1 мин (без АПЧ).


Выдаваемый измерительным генератором синусоидальный сигнал, имея амплитуду 1 - 1,2 В, поступает через разделительный конденсатор С9 на триггер DD3.2, который формирует прямоугольные импульсы с цифровыми уровнями и скважностью 2. R5R6 - делитель, необходимый для нормальной работы этого участка схемы. Ну a DD3.3 выполняет роль буферного каскада. Сигнал с него подается на смеситель (Т-триггep DD2.2). Туда же поступает частота от делителя образцового генератора.


Особенности работы DD2.2 таковы, что если на входы С и D этого логического элемента приходят две импульсные последовательности, близкие по частоте, то на выходах формируется сигнал разностной частоты со строго симметричным меандром. Причём все, снимаемое с вывода 12 смесителя, имеет форму, представленную на рисунке 2а.


Прямой, а также задержанный (рис. 26) проинвертированный (благодаря цепи R8C11 и элементу DD4.2) сигналы суммируются на ключе DD5.1, выполняющем роль логического И/ИЛИ с формированием коротких положительных импульсов записи (рис. 2в) для работы аналогового запоминающего устройства (DD5.2, С13. VT3). Но это ещё не все. Снимаемый с выхода DD4.2 сигнал приходит на интегратор, выполненный по классической схеме с использованием VD2, R10 - R11, DA1, C12. Резистор R11 ограничивает ток перезаряда конденсатора С12, разгружая выход элемента DD4.2.


Проинтегрированный сигнал (рис. 2г) через ключ DD5.2. которым управляют импульсы с DD5.1, подается на запоминающую ёмкость С13, где формируется и до нового цикла записи удерживается с высокой точностью напряжение, равное пиковому значению того, что поступает от интегратора (рис. 2д). Конденсатор С14 сглаживает эффект типа «ступенька», который может возникнуть при резкой смене частот биений (рис. 2е).


С истокового повторителя сигнал поступает на компаратор DD4.3, ГУН (генератор, управляемый напряжением) и в цепь петли АПЧ. Делитель R21R22 совместно с R23 и R24 обратной связи сужают диапазон управляющего напряжения до амплитуды 1,2 В. Операционный усилитель DA2 сравнивает полученное с тем, что задано делителем R26R29, и формирует напряжение управления варикапом VD1.

Резистором R26 можно устанавливать начальную точку захвата АПЧ (чувствительность) грубо, a R27 - точно. Более того, при перемещении движка R26 в сторону крайнего (верхнего либо нижнего по схеме) положения легко выходить из зоны захвата АПЧ (±300 Гц), осуществляя режим с частотой биений «один к одному», что делает работу с прибором более гибкой.


Для уяснения особенностей функционирования узла, замедляющего реакцию АПЧ на резкое изменение частоты биений, предположим, что на базе транзистора VT4 имеется, к примеру, некоторое установившееся Uб. Допустим также, что в какой-то момент происходит резкое изменение частоты биений и, соответственно, напряжения на С14. Исправная схема нашего металлодетектора обязательно отзовётся на такую «вводную»» адекватным отклонением Uб транзистора VT4 от прежнего значения (благодаря большим номиналам R19, R20 и С16). А вот ответом на плавное изменение частоты биений непременно будет реакция в виде медленного изменения названных напряжений.

Когда в зону чувствительности поисковой рамки-датчика попадает металлический предмет и находится там относительно долго, на базе VT4 устанавливается напряжение, которого обычно хватает для возврата на заданный частотный режим. Но при резком отводе датчика в сторону ситуация изменяется, Uб транзистора VT4 не сможет быстро вернуться на предыдущий уровень. То есть создаются условия для перехода через «0» (возникновения положительной обратной связи). Чтобы последнее исключить, введено шунтирование R19 диодом VD3, через который происходит быстрый разряд ёмкости С16 (возврат Uб на установленный уровень).


Фактически АПЧ имеет (в зависимости от того, в какую сторону происходит изменение частоты биений) две постоянные времени. А так как особое выполнение датчика практически нивелирует влияние ферромагнитных свойств обнаруживаемых предметов на увеличение fпоискового генератора то и АПЧ, и прибор в целом работают во всех режимах весьма корректно. ГУН (DD4.4, и R18, С15) преобразует напряжение, изменяющееся с частотой биений, в частоту. А настроенный с помощью делителя R16R17 компаратор DD4.3 разрешает ему это делать в зоне максимальной чувствительности.


Частота ГУН поступает на вход А смесителя (ключ DD5.4). На вход СО приходят от логического элемента DD4.1 и разностная fбиений, и сформированный дифференцирующей цепью C10R9 (для лучшего звучания головных телефонов, уменьшения потребляемой мощности) короткий отрицательный импульс. В результате на выходе смесителя присутствует или промодулированная частота ГУН, или только частота биений. Причём переход с одного режима на другой схема выполняет автоматически. Переменный резистор R30 служит нагрузкой и регулятором громкости, а совмещённый с ним SA1 - выключателем электропитания.


Использование микросхем серии КМОП, операционных усилителей, работающих в микротоковом режиме, позволило сократить ток потребления до уровня 6 мА, сделав приемлемым использование батареи «Крона» в качестве источника электропитания.
Как и другие аналоги (включая опубликованные в «Моделисте-конструкторе» № 8'89 и 4'96), почти весь металлодетектор смонтирован на печатной плате из односторонне фольгированного стеклотекстолита. Поисковый генератор помещён в экранирующую коробку из жести. За габариты платы вынесены лишь регулировочные сопротивления R26, R27, R30, гнезда подключения источника питания и головных телефонов, а также рамка-датчик. Рис.4. Топология печатной платы. металлодетектора.

Рис.4. Топология печатной платы.


DD1 К561ЛА8; DA1-DA2 КР140УД1208; DD2 К561ТМ2; VT1-VT3 КП303А;

DD3 К176ЛП4; VT4 КТ3102Г; VD1 Д902; VD2-VD3 КД522


Технология и тщательность изготовления рамки-датчика настолько важны для работоспособности всего металлодетектора, что требуют, видимо, более детального изложения. В качестве основы здесь использован жгут, составленный из одиннадцати 1100-мм отрезков провода ПЭВ2-1,2. Плотно обернув слоем изоленты, его втискивают в алюминиевую трубку, имеющую внутренний диаметр 10 мм и длину 960 мм. Полученной заготовке придают форму прямоугольной рамки 300x200 мм с закруглёнными углами.


Конец первого из проводов, помещённых в алюминиевом корпусе - электростатическом экране, последовательно припаивают к началу второго и так далее до образования своеобразной 11-витковой катушки индуктивности. Спайки изолируют друг от друга бумажной лентой и заливают эпоксидной смолой, исключая при этом появление короткозамкнутого витка за счёт самой согнутой в рамку трубки. Рис.5 Рамка металл детектора.

Рис.5 Рамка металл детектора.


Желательно здесь же предусмотреть любой закрытый высокочастотный разъём и подходящее (не металлическое) крепление для штанги-рукоятки, в качестве которой можно использовать одну-две секции от разборного удилища. Кабель, соединяющий рамку с блоком, лучше использовать коаксиальный, телевизионный, например, РК75.


Дроссель L2 поискового генератора (обозначение здесь и далее - согласно рис. 1 и в соответствии с принципиальной электрической схемой металлодетектора, опубликованной в предыдущем номере журнала) имеет 450 витков провода ПЭЛ1-0,01. Намотка - внавал на каркасе диаметром 4 и длиной 15 мм с ферромагнитным сердечником М600НН (можно применить подходящую контурную катушку от старого радиоприёмника). Индуктивность такого дросселя 1-1,2 мГн.


В приборе использованы конденсаторы КСО или КТК (С3, С4, С5), КЛС или KM (С1, С2, С6 - С13, С15), К50-6 или К53-1 (С14, С16, С17). Есть выбор и резисторов. В частности, для «подстроечников» R26, R27 подойдут СП5-2 или СП-3. То же самое можно сказать о переменном R30, только он должен быть совмещён с выключателем.


Все остальные резисторы - МЛТ-0,125 (ВС-0,125).


Цифровые МС можно заменить аналогами из хорошо зарекомендовавшей себя серии К176. DD1, DD3 - любые из того же ряда, лишь бы содержали требуемое количество инверторов.


Допускают замену и транзисторы. В качестве VT1 и VT2, например, подойдут КП303Б (-Ж). На месте VT3 приемлем КП303 или КП305 (буквенный индекс в конце наименования в данном случае роли не играет), а КТ3102Г (VT4) заменит КТ3102Е.


Кварц - из тех, что рассчитаны на 1,0-1,4 мГц. Выбор головных телефонов тоже не ограничен. Как свидетельствует практика, вполне подойдут ТОН-1 или ТОН-2. Варикап Д901 можно заменить на Д902. Диоды VD2 и VD3 КД522 (КД523) с любым буквенным индексом.

Для настройки собранного прибора потребуются осциллограф и ...аккуратность в работе. Тщательно осмотрев весь монтаж, на схему подают электропитание. Затем проверяют ток потребления, который у правильно выполненной работоспособной конструкции должен составлять 5.5 - 6,5 мА. При выходе за указанные значения ищут и устраняют ошибки в пайке и т.д.


В функционировании образцового генератора убеждаются по наличию на выводе 1 микросхемы DD2 частоты, равной 0,5f кварцевого резонатора со скваженостью 2. Потом переходят к «поисковику.» В контрольную точку на печатной плате, где сходятся R3 и С8, подают половину напряжения питания, отсоединив при этом выход микросхемы DA2. И осциллографом, подключённым к стоку транзистора VT2, проверяют амплитуду выходного напряжения. Она должна быть от 1 В до 1,2 В. Если отклонение превышает 0,1 В. корректируют число витков в дросселе L2.


А с помощью конденсаторов С3 и С4 выставляют оптимальную частоту сигнала, равную 0.5fкварца Причём сам датчик должен располагаться не ближе двух метров от металлических предметов. При необходимости, подбирая R5, стремятся получить симметричный выходной сигнал на выводе 9 микросхемы DD3 (при этом смеситель должен выдавать сигнал разностной частоты с меандром, равным 2). Затем, установив изменением напряжения на варикапе частоту биений, равную 8-9 Гц, замеряют сигнал на выводе 6 интегратора DA1 - он должен быть «на грани ограничения снизу». Соответствующую же корректировку осуществляют подбором номинала у резистора R10.

Присоединив осциллограф к истоку транзистора VT3, проверяют изменение уровня напряжения в зависимости от частоты биений. Резисторами R16 и R17 добиваются, чтобы логический ноль на выходе компаратора (вывод 10 микросхемы DD4) появлялся только тогда, когда fбиений станет выше 70 Гц.


ГУН подстраивают с помощью резистора R15 так, чтобы генератор начинал работать, когда сигнал интегратора «выходил из ограничения снизу». В дальнейшем это существенно упростит корректировку прибора перед работой, гак как минимальная частота ГУН и будет соответствовать настройке металлодетектора на максимальную чувствительность.


Восстановив на печатной плате специально отпаянное ранее соединение R3 и С8 с DA2, переходят к заключительному этапу отладки прибора. Движок «подстроечника» R26 поворачивают в крайнее(«плюсовое»)положение, что будет соответствовать максимальной частоте биений (причём f поискового генератора > f образцового.


Затем, медленно вращая движок в обратную сторону, начинают контролировать сигнал на выводе 6 DA1. Замечают, как (при определённом положении движка R26) на экране осциллографа вырисовывается момент попадания сигнала в зону захвата АПЧ.

Продолжая поворот ручки подстроечного резистора R27, добиваются частоты биений, равной 10 Гц, одновременно проверяя работу АПЧ (по стремлению сигнала вернуться в исходное состояние).


Движки резисторов R26, R27 необходимо перемещать медленно, учитывая большую инерционность АПЧ. При этом в головных телефонах будут прослушиваться минимальная частота ГУН и слабые щелчки с fбиений. В некоторых случаях может возникнуть эффект «плавания» звука относительно некоторого фиксированного состояния. В этом случае необходимо более точно подобрать соотношение резисторов R23, R24 или уменьшить номиналы R19, R20.


Как уже отмечалось, электронную часть металлодетектора (а это почти и есть весь прибор) можно смонтировать в любом подходящем корпусе, закреплённом на ручке. Необходимо позаботиться, чтобы поисковая рамка-датчик, а также соединительные провода были жёстко закреплены относительно друг друга. Ведь даже незначительные вибрации этих деталей, возникающие при передвижении оператора, способны породить ложный сигнал (особенно при максимальной чувствительности схемы и недостаточном опыте работы с прибором). По той же причине лопатку следует носить за спиной штыком вверх (подальше от рамки-датчика). А металлические наконечники на шнурках ботинок оператора вообще недопустимы. Привносимые ими помехи грозят свести на нет все усилия сверхчуткого прибора отыскать в земле то, с чем она столь неохотно расстается.

 Рис.5 Рамка металл детектора.

Рис.6. Прибор, видящий сквозь землю.


Работа с металлодетектором мало чем отличается от действий с современным ручным миноискателем. Конечно же, столь точным приборам нужна юстировка. В нашем конкретном случае - это поворот движка подстроечного резистора R26 в крайнее («плюсовое») положение, a R27 - в среднее. Подав на аппаратуру электропитание, вращают ручку регулировки R26 в противоположную сторону до появления в головных телефонах сигнала ГУН. После этого подстроенным резистором R27 устанавливают требуемую чувствительность. А с помощью R26 произвольно выставляют (при работе с прибором в режиме биений «один к одному») fбиений в пределах 200-300 Гц.


АПЧ и ГУН, по сути, отключены, поэтому поиск ведут как обычно. Для более четкого определения места расположения мелких предметов рамку-датчик подносят к зоне поиска либо горизонтально (закруглённым углом вперёд), либо под наклоном 45-90° к исследуемой поверхности (с явным позиционным преимуществом одной из боковин рамки).

Ю.Стафийчук, Молдова
МК 07, 08 1998



0

комментариев

40 679

просмотров

Похожие самоделки

Имя:*
E-Mail:


Песочница RSSРеклама на сайтеFreeseller.ru - Полезные самоделки
Copyright © 2008-2025