Высокочувствительный металлоискатель цветных металлов - схема

  • Опубликовано: 23 декабря 2010

Высокочувствительный металлоискатель цветных металлов - схема


Высокочувствительный металлоискатель цветных металлов. Принципиальная электрическая схема и описание конструкции металлоискателя цветных и драгоценных металлов, способного обнаруживать предметы на глубине 2...3 м..


Среди радиолюбительских конструкций особым интересом пользуются разработки, помогающие обнаруживать скрытые в земле металлические предметы. Особенно если последние - небольшие по величине, залегают на значительной глубине и являются к тому же неферромагнетиками.


Добротных электрических схем подобных устройств, называемых по аналогии с известными военными разработками металлоискателями, и описаний вполне работоспособных конструкций немало опубликовано в различных технических изданиях, но рассчитаны они зачастую на подготовленных, опытных самодельщиков, имеющих хорошую материальную базу, дефицитные детали.


А вот предлагаемую нами конструкцию вполне сможет повторить-изготовить даже новичок. Тем более что и детали нужные (включая кварцевый резонатор на 1 МГц) приобрести будет вполне по силам. Ну а чувствительность собранного металлоискателя... О ней можно судить хотя бы по тому факту, что с помощью предлагаемого устройства легко отыскивается, например, медная монета диаметром 20 мм и толщиной 1,5 мм на глубине 0,9 м.


Принцип действия

Он основан на сравнении двух частот. Одна из них эталонная, а другая - изменяющаяся. Причем отклонения ее зависят от появления в поле высокочувствительной поисковой катушки металлических предметов. У современных металлоискателей, к которым можно вполне обоснованно отнести и рассматриваемую конструкцию, эталонный генератор работает на частоте, на целый порядок отличающейся от той, что возникает в поле поисковой катушки. В нашем случае эталонный генератор (см. принципиальную электрическую схему) реализован на двух логических элементах ЗИ-НЕ интегральной DD2. Частота его стабилизирована и определяется кварцевым резонатором ZQ1 (1 МГц). Генератор же с изменяющейся частотой выполнен на первых двух элементах ИС DD1. Колебательный контур здесь образован поисковой катушкой L1, конденсаторами С2 и СЗ, а также варикапом VD1. А для настройки на частоту 100 кГц служит потенциометр R2, задающий требуемое напряжение варикапу VD1. Принципиальная электрическая схема высокочувствительного самодельного металлоискателя.Рис.1. Принципиальная электрическая схема высокочувствительного самодельного металлоискателя.


В качестве буферных усилителей сигнала используются логические элементы DD1.3 и DD2.3, работающие на смеситель DD1.4. Индикатором является высокоомный телефонный капсюль BF1. А конденсатор С10 используется как шунт для высокочастотной составляющей, поступающей от смесителя.


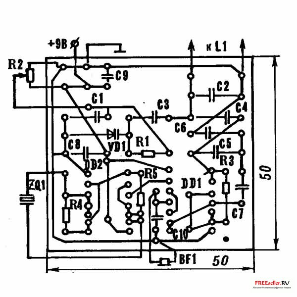
Конфигурация печатной платы приведена на соответствующей иллюстрации. А схема расположения радиоэлементов на стороне, обратной печатным проводникам, дана здесь другим цветом. Печатная плата самодельного металлоискателя, с указанием расположений элементов.

Рис.2. Печатная плата самодельного металлоискателя, с указанием расположений элементов.


Металлоискатель питается от источника постоянного тока напряжением 9 В. А так как высокая стабилизация здесь не обязательна, используется батарея типа «Крона». В качестве фильтра успешно трудятся конденсаторы С8 и С9.


Поисковая катушка требует особой точности и внимания при изготовлении. Наматывается она на виниловой трубке с внешним диаметром 15 мм и внутренним - 10 мм, согнутой в форме окружности 0 200 мм. Катушка содержит 100 витков провода ПЭВ-0,27. Когда намотка будет выполнена, она обвивается алюминиевой фольгой для создания электростатического экрана (уменьшения влияния емкости между катушкой и землей). При этом важно не допустить электрического контакта между проводом намотки и острыми краями фольги. В частности, поможет здесь «обвивка наискось». А для защиты самого алюминиевого покрытия от механических повреждений катушку дополнительно обвивают изоляционной бандажной лентой.


Диаметр катушки может быть и другим. Но чем он меньше, тем чувствительность всего устройства становится выше, зато площадь поиска скрытых металлических предметов сужается. При увеличении же диаметра катушки эффект наблюдается обратный.


Работают с металлоискателем следующим образом. Расположив поисковую катушку в непосредственной близости от поверхности земли, настраивают генератор потенциометром R2. Причем так, чтобы в телефонном капсюле звук не прослушивался. При движении же катушки над поверхностью земли (почти вплотную к последней) и отыскивается заветное место - по появлению звука в телефонном капсюле.

При использовании рассмотренного выше устройства для отыскания скрытых в земле предметов, представляющих археологическую и национальную культурную ценность, требуется предварительное на то разрешение от соответствующих органов.


 

Внимание!!! Информация, содержащаяся на данной странице, добавлена из непроверенных источников, может быть устаревшей и содержать ошибки. Поэтому приводиться исключительно в ознакомительных целях.

Н. Кочетов, по материалам «Млад Конструктор»



8

комментариев

82 309

просмотров

Похожие самоделки

Комментариев 8
  1. Короче шляпа это всё! я его собрал по улучшенному варианту.из моделиста конструктора.катушек штуки 3 перепробовал. кондёры все с 0-вым ТКЕ ставил. чутьё дерьмо. с лопатой быстрее чё нить наковырять в слепую быстрее будет. правильно... бумага и нет всё стерпят... не стройте его. смысла не имеет...
    +10
  2. Лет 20 назад собрал я такую штуковину. Что удалось найти- Да ключи в лесу потеряли от машины-нашли быстро в траве высокой.
    Вещь действительно рабочая. Чувствительность оставляет желать лучшего конечно. Самое интересное, что эта схема универсальная (можно настроить на поиск органики (человек под завалом) сам разрабатывал, и в журнал "МК" писал, так никто и не откликнулся).

    Для Артёмки. Если правильно настроить, то в наушниках полная тишина, пока метал не появился. Шум- неправильная настройка или низкокачественные детали. Еще момент- схемку надо в экран поместить.

    Цитата: lexsus
    Короче шляпа это всё! я его собрал по улучшенному варианту.из моделиста конструктора.катушек штуки 3 перепробовал. кондёры все с 0-вым ТКЕ ставил. чутьё дерьмо.

    А кварц какой (в стекле или железе)? Ему термостабильность и экран нужны.
    +1
  3. народ кто подскажет как повысить чувствительность этого агригата?я собрал данную схему когда включаю чувствительность отличная после 5минут работы всёпроподает искать нехочет.
    +1
  4. я собираю щас такой, вроде всё правильно, щум в динамеке постоянно на мелоч не реагирует
    0
  5. В описании прибора говорится ... "медная монета диаметром 20 мм и толщиной 1,5 мм на глубине 0,9 м"
    0,9 м - это значит видит на глубине 90 сантиметров, правильно ли я понял ?
    -заинтересовало.
    у кого получилось- подскажите ...
    схемку экранировать ? как кто-то написал ...
    "кварц в стекле или в железе"
    - То какой кварц нужен ? экранирован отдельно или как со всей платой ?
    Кварц термостабильный брать или желательно все детали термостабильные какие только есть ?
    Он только цветной метал видит или и "чёрный" ? можно ли последний отключить ?
    Как, если можно, впаять гнездо для простых наушников 3.5"
    На сегодня не будет ли проблем с радиодеталями что в схеме ? И
    какая примерная стоимость выйдет на все радиокомпоненты с проводом для намотки ?
    Заранее благодарен (за ответы без приколов)... ))
    +1
  6. Цитата: Grigoriy1981
    В описании прибора говорится ... "медная монета диаметром 20 мм и толщиной 1,5 мм на глубине 0,9 м"
    0,9 м - это значит видит на глубине 90 сантиметров, правильно ли я понял ?


    Схема довольна старая, да и из журнала совдопеовского. Теоретически даже в описании могут быть ошибки.

    в 90 см мне и самому что-то не вериться.
    +1
  7. ммонета-5-10см,можно настроить чтобы цветной брал лучше обычного металла

    0
  8. Сайт старый, по годам. Скажу так, в течение месяца можно Логику понять. Я когда то и книгу перепечатал, на машинке печатной, ради познания. Потом отношение как к лего-конструктору, кубикам. Но опять, здесь собираешь, а шкребёт мысль, что можно на меньшем количестве МС, только не ловится..  Эта схема - на биениях. Без разделения металлов. Но, подбирая гармоники можно добиться очень красивой работы (копаю всё). Пара 561ЛА7, кварц, ДМШ в ухо, рейка сечением 1х2см и мыльница корпус, 5 таблеток - аккумуляторов. Катушки ни когда не мотал по правилам, 30-40-50, как получится, по 3л банке. Вся конструкция 300г ! Расход по току 3мА, громкость ДМШ 99.9% всего потребления. Запас хода - полгода, подзаряжал раза 3 за сезон. Мой МИ называли Золотым ключиком. Мелкий но чуствительный. По концу сезона продал, символически.
    Сейчас прорабатываю уже третью схему, по принципу счёта. Вариантов много. Но самый заманчивый - без отстройки Земли. Сравнение частот, было - стало, и с учётом допуска +/- 3,200, 500... разницы меду пачками импульсов. Оптимально 14-16 пачек в секунду. Тут уход  вверх - вниз - естественно виден. Принцип - катушка МИ при подъёме на 3 см даст сигнал Выше, вниз - Ниже, и тут же примет эту высоту за Ноль (тихо). При пролёте над целью - В-Н, или Н-В, по ситуации. И регулировка именно этой Нулевой, +/- 3 см зоны. 2, 5,...10 см допуска. Такова идея. Ты мотаешь, а внутри бухгалтер сравнивает на кулькуляторе, было импульсов, стало, и допуск +/- штук, иначе сигнал В или Н. 14-16 замеров в секунду. Вроде не сложно, но кубик рубика из единиц и нулей требует хорошей "оперативки" в голове, перегрузы...
    +3
Имя:*
E-Mail:


Песочница RSSРеклама на сайтеFreeseller.ru - Полезные самоделки
Copyright © 2008-2025