
При разработке этого оригинального комбайна пришлось учитывать целый ряд специфических требований: работать с приспособлением удобнее стоя; срезать капусту нужно без дополнительной обработки кочерыги, чтобы сразу придать кочану - товарный» вид; приспособление должно позволять складывать кочаны отдельными кучками - так удобнее грузить, необходимо исключить возможность травм.
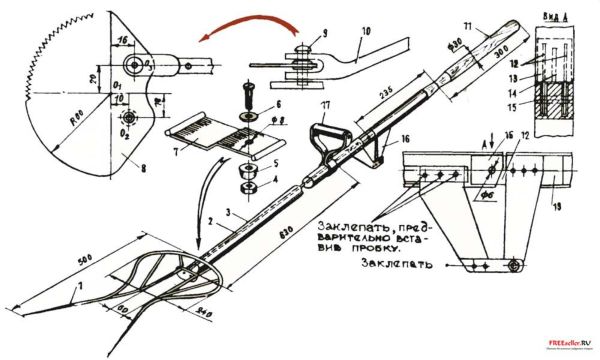
Созданное в ученическом КБ устройство внешне напоминает вилы. Основанием его служит дюралюминиевая труба наружным диаметром 33 мм и с толщиной стенки 1 мм. Длина трубы 1260 мм, с рукояткой - 1460 мм. Труба имеет шарнирно-штоковое соединение с рабочей частью. К нижнему концу трубы крепится приемная срезающая головка, представляющая собой вилообразный каркас, изготовленный из проволоки ОВС диаметром 5 мм с приваренной стальной пластиной для крепления ножа-фрезы.
Нож-фреза - из пружинной листовой стали толщиной 1,5 мм. Левая часть его имеет острую режущую кромку, а дальше нарезаны прямые зубья, как у ножовки. Центр вращения (точка 02) смещен, что позволяет режущей кромке одновременно с вращением совершать и поступательное движение В точке 03 закреплен шток. Им служит дюралюминиевая трубка диаметром 15 мм, проходящая внутри трубы. Второй конец штока соединен с верхней, ломающейся» частью трубы (см. рис.).
Рис.1. Схема вил-комбайна для уборки капусты:
1 - приемная часть, 2 - шток, 3 - труба, 4,5,6 - крепление пластины, 7 - пластина, 8 - нож фреза 9 - болт, 10 - головка штока, 11 - рукоятка, 12,13,14,15 - элементы шарнира-рукоятки, 16 - шарнирный рычаг, 17 - ручка.
Сила действия режущей части ножа-фрезы примерно в четыре раза больше усилия, прилагаемого на рукоятку.
Приспособление вилообразной частью накладывается на кочан, пригибая листья. Затем резким движением досылается вперед, при этом режущая кромка фрезы войдет в кочергу. Теперь делается характерное для работы с вилами движение, словно поднимается поддетый кочан При этом нужно нажать на черенок, который переламывается», уходит вниз и через шарнирный рычаг толкает шток. Тот подается вперед и поворачивает нож-фрезу происходит срезание кочана. После этого поддетый «вилами» и срезанный кочан легко отбрасывается в кучу.
Е.Н. Дилигентов