Сауна на садовом участке

  • Опубликовано: 3 января 2009


При разработке проекта и постройке бани-сауны на садовом участке я исходил из того, чтобы на нее потребовалось как можно меньше материалов и времени. И это, мне кажется, удалось, причем в основном за счет уменьшения габаритов строения,  это достигнутого благодаря замене большого мыльного отделения малым душевым.


Кроме того, конструкция сауны рассчитана так, что все ее основные элементы можно изготовить самому: или заказать в мастерской по чертежам.

Малогабаритная печь-каменка и прямоточная система получения душевой воды и пара позволяют до минимума сократить время подготовки бани к действию:

 

- после растопки печи через 10 - 15 минут уже можно принимать душ

- сухой пар с температурой 100° С и выше при относительной влажности 5 - 6% готов через 25 - 30 минут.

Пропускная способность бани-сауны не ограничена: подливай воду в баки, подбрасывай дров  в топку. В дни паломничества друзей и соседей полный банный сервис  проходило до 15 человек.

Такая сауна может быть легко поместиться и в комнате жилого дома, и в бытовку животноводов на ферме, строителей или других рабочих, занятых на  передвижных участках или работающих вахтовым методом.
Компоновка сауны:

Проектом предусмотрены три основных помещения бани-сауны:

- раздевалка,

- парная

- душевая.

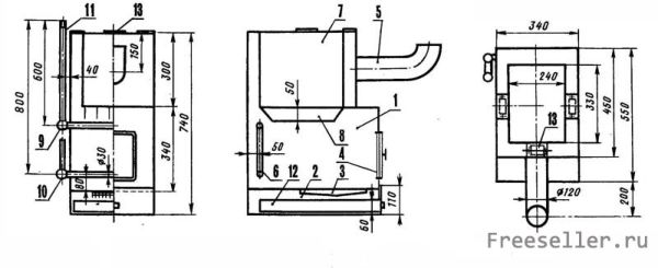
Общая компоновка их дана на рисунке 1.

 

 

Рис. 1. Общая компоновка бани сауны:
 1 -  раздевалка, 2 - парная, 3 - душевая, 4 - печь, 5 - асбестовый экран, 6 - полок, 7 - ступень, 8 - поддон, 9 - решетка, 10 - водослив, 11 - кирпичная кладка, 12 - смеситель, 13 - отливная доска, 14 - экран, 15 - скамейка.


Фундамент сауны
Если на месте постройки грунт песчано-суглинистый, с глубоким залеганием грунтовых вод, фундамент достаточно выполнить в виде бетонных тумб под углами строения (после снятия растительного слоя земли). На грунтах, способных к вспучиванию, фундамент закладывается на глубину замерзания грунта.

Помещение бани сауны

Основанием строения служит нижняя обвязка (рис. 2), выполненная из бруса 80X120 мм. Лаги имеют сечение 30Х 120 мм. По углам брусья врезаны в полдерева и крепятся гвоздями. Обвязка укладывается на фундамент с прокладкой гидроизоляции из рубероида и проверкой по диагоналям.

 

 

Рис.2. Нижняя обвязка.

 

Стены бани выполняются в виде отдельных каркасно-засыпных щитов в горизонтальном положении на пазе. Их каркасы вяжут из брусьев сечением 50X60 и 50X30 мм. Соединение элементов в накладку, с врезкой на полдерева.

На готовый каркас накладывают слой рубероида или полиэтиленовой пленки и зашивают в горизонтальном направлении (по высоте щита) досками толщиной 15 - 20 мм и шириной 100 - 120 мм (в четверть). Щит переворачивают, полость засыпают сухими древесными опилками с трамбовкой (или минеральной ватой), покрывают полиэтиленовой пленкой, двумя слоями бумаги и зашивают досками по диагонали щита. Такое расположение досок создает продольную устойчивость.


Лучшим материалом для наружной обшивки являются хвойные породы дерева. Потолок парной, стену, прилегающую к полку, и сам полок необходимо выполнить из лиственных пород. Лучшей из них является осина. Она имеет меньшую теплопроводность, быстро прогревается.

 

Также не забывайте, что хвойные породы, содержащие много смолы, обжигают кожу, а на потолке появляются «сталактиты».

Во избежание образования щелей влажность досок не должна превышать 15%. Такая стенка хорошо держит тепло без «отпотевания».

 

Боковой правый щит (рис. За)  имеет проем для установки печи и окна.
В переднем (рис. 36) — проемы для двери и окна в раздевалку. Боковой левый и задний щиты, имеющие 1 равномерно разнесенные стойки, зашиваются сплошь. На все щиты на вы-1 соте 2020 мм, по стойкам, набивается  брусок 30X40 мм для опоры потолочных балок и подшивки потолка. Боковые щиты устанавливают на нижнюю обвязку; с торцов и в середине пришивают длинными гвоздями.

 

 

Рис.3. каркасы щитов сауны: а - боковой правый, б - передний

 

Крепление переднего и заднего щитов к торцам боковых осуществляется тремя шурупами («глухарями») по дереву через мягкую прокладку. «Глухари» диаметром 10 - 12 мм и длиной 180 мм можно изготовить на токарном станке. В крайнем случае, надежное крепление выполняется и гвоздями аналогичной длины. Стыки зашиваются доской шириной 150 мм с мягкой прокладкой.

 

 

Пол в парной и раздевалке настилается досками толщиной 30 мм из осины, по рейкам 30X40 мм, пришитым к нижней обвязке и лагам.
Потолок подшивается на брусья и балки досками толщиной 20 мм в четверть. Затем сверху настилается несколько слоев плотной бумаги, полиэтиленовая пленка, на высоту балок засыпаются древесные опилки, которые закрывают рубероидом.


Перегородка бани выполняется досками толщиной 20 мм (в четверть). Каркасом ей служат бруски на щитах и стойки, опертые на пол и потолок. Крыша бани односкатная, покрыта шифером.

 

Двери изготавливаются в виде рам из брусков 40X50 мм, по углам и на перемычке завязанных в замок. В середине они затягиваются березовой фанерой 4 мм (в четверть), с обеих сторон, на казеиновом клее.

Поддон в душевой размером 900X900 мм изготовлен из листовой стали толщиной 1,5 - 2 мм.
Отбортовка высотой 120 мм по углам заваривается сплошным швом. Уклон для стока воды выполняется за счет вытяжки металла по диагоналям от центра. В центре к отверстию 0 50 мм приваривается патрубок. С обеих сторон поддон окрашивается в два слоя суриком и крепится к нижней обвязке гвоздями. На него устанавливается деревянная решетка.

 

Сточная вода трубой в 2,5" (рис. 1) отводится за пределы строения в яму размером 1200X800X600 мм, облицованную шифером и перекрытую плитой и слоем земли. Эти работы удобней выполнить до установки стен бани.

Стены душевой на высоту роста человека покрываются гидроизоляцией. Поверхность стен выравнивается шпаклевкой.
После высыхания стены покрываются густой масляной краской, по которой сначала в углах, а затем по всей поверхности накладывают с перекрытием полосы текстильного материала (старые простыни и др.) и прокатывают катком. Покрытие выполняется в два слоя (необходимо перекрыть стык «стена — поддон»). Таким же образом обрабатывается пол в раздевалке. Окончательно душевая и раздевалка окрашиваются «серебрянкой» (алюминиевая пудра на прозрачном лаке). После пятилетней эксплуатации такая гидроизоляция показала свою высокую надежность.

Душевая оборудуется откидной скамейкой, полками. Проход из раздевалки в душевую закрывается откидной занавеской.

 

Печь для сауны

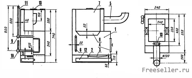
Печь (рис. 4) — двухходовая, с развитой поверхностью нагрева каменки и топкой, изолированной от помещения бани; сварена сплошным швом из листовой стали толщиной 4 мм.

 

 

Рис . 4. Печь:
 1 - топка, 2 - зольник, 3 - колосник (стандартный), 4 - дверца, 5 - дымоход, 6 - водоподогреватель, 7 - каменка, 8 - ребра, 9 - уголок 3/4Х 1/2, 10 - тройник 3/4 X 1 /2Х 1/2, 11 - труба 1/2, 12 - ящик зольника, 13 - крышка люка.


Основанием установки печи и защитного экрана является кирпичная кладка (рис. 1).


Топка и дымоход выведены через стенку, толщиной в полкирпича, за пределы парной. Сопряжения «кладка — корпус печи» уплотняются мягкой асбестовой прокладкой.


Снаружи на дымоход устанавливается труба высотой 2,5 м. Три стенки экрана (рис. 1, поз. 5) из асбоцементных листов размерами 1100X500X8 мм крепятся болтами к уголкам 40X40 мм, выход которых внизу образует ножки. Такое устройство, кроме защиты, хорошо выполняет функцию вентиляции помещения конвективным потоком. Второй экран (поз. 14) из листа на высоту печи крепится на перегородку (с зазором внизу 100 мм).

При сравнительно небольших размерах печь полностью обеспечивает непрерывную подготовку воды и пара.
В зависимости от интенсивности горения в топке и количества вылитой воды на каменку можно получить режим сауны — сухой пар с температурой до 100° С и выше при относительной влажности 5 - 6%, или влажный пар при температуре 60 - 70° С при относительной влажности 40% - русская баня с веником.

 

Водоподготовка

На рисунке 5 дана схема водоподготовки. Напор, возбуждающий циркуляцию воды в нагревательном контуре, возникает за счет весовой разности столбов холодной воды в опускной трубе и нагретой  - в подъемной трубе.

Прямоточная система подготовки душевой воды заключается в том, что горячая вода на смеситель отбирается не из бака нагретой воды, как это обычно делается, а из подъемной трубы (поз. 2). Это позволяет до минимума сократить время подготовки душевой воды, не дожидаясь, пока вся она в баке нагреется до определенной температуры.

Напорные емкости на 120 л установлены на металлической конструкции из старых труб, примкнутой к правой стороне бани-сауны, на высоте 400—500 мм по отношению к решетке смесителя. Резьбовые штуцеры 1 /2" привариваются к днищу баков в углах (по диагонали). Разводка выполнена трубами и арматурой 1/2" на резьбе.

 

 

Рис. 5. Схема водоподготовки:
 1 - водонагреватель, 2 - подъемная труба, 3 - бак горячей воды, 4 -опускная труба, 5 - смеситель, 6  - бак холодной воды, 7, 8, 9 - вентили.

При монтаже необходимо соблюсти минимальные уклоны труб для слива воды из системы. Наружные и внутренние поверхности емкостей грунтуются и окрашиваются масляной краской. На бак горячей воды со всех сторон накладывается теплоизоляция из пенополистирола толщиной 50 мм. Питание напорных баков водой в зависимости от местных условий может производиться от водопроводной сети, из резервного бака насосом и, наконец, ведрами с подставкой лестницы.

В нашем случае нагрев воды производится также и от солнечной батареи. Устройство ее простое. Тонкостенная сварная батарея, окрашенная черной краской, помещается в ящик и затягивается полиэтиленовой пленкой. Шарнирная подвескаящика обеспечивает две степени свободы перемещения — так, чтобы большую часть дня лучи падали нормально на поверхность батареи.

Через штуцеры батарея подсоединяется гибкими шлангами к баку горячей воды. В жаркий солнечный день вода нагревается до 70° С; даже к утру сохраняется температура 40 -45° С - в любое время можно принять душ.

Пользоваться баней можно и в зимних условиях. Для этого в схеме предусмотрен вентиль (рис. 5, поз. 8), отключающий бак холодной воды: ее в этом случае отбирают из обратной трубы.

При небольших отрицательных температурах наружного воздуха необходимо: затопить печь, залить в бак ведро воды, открыть дверь парной и слегка приоткрыть вентиль горячей воды смесителя (для прогрева). После установившейся циркуляции в контуре долить воды до потребности. При более низких температурах первую порцию воды подогревают до 50— 60° С.

К зимнему сезону необходимо обезводить систему: слить воду шлангом через вентиль (рис. 5, поз. 9) из нагревательного контура; открыть вентили смесителя; повернуть рукоятку на нижний ход и слить воду из солнечной батареи.

Б. Вдовин

Источник информации: Моделист Конструктор 1991 02



1

комментарий

37 290

просмотров

Похожие самоделки

Комментариев 1
  1. Мне нравится, жаль конечного результата бани нет. Я начал делать каркасную баню, думаю из чего утеплить стены, междосочное пространство.. Может кто подскажет.
    0
Имя:*
E-Mail:


Песочница RSSРеклама на сайтеFreeseller.ru - Полезные самоделки
Copyright © 2008-2025