
Ручная сеялка изготовленная своими руками может быть использована в парниках, теплицах, питомниках, цветниках, на индивидуальных огородах. По сравнению с обычным ручным посевом производительность труда повышается примерно в 10 -15 раз.
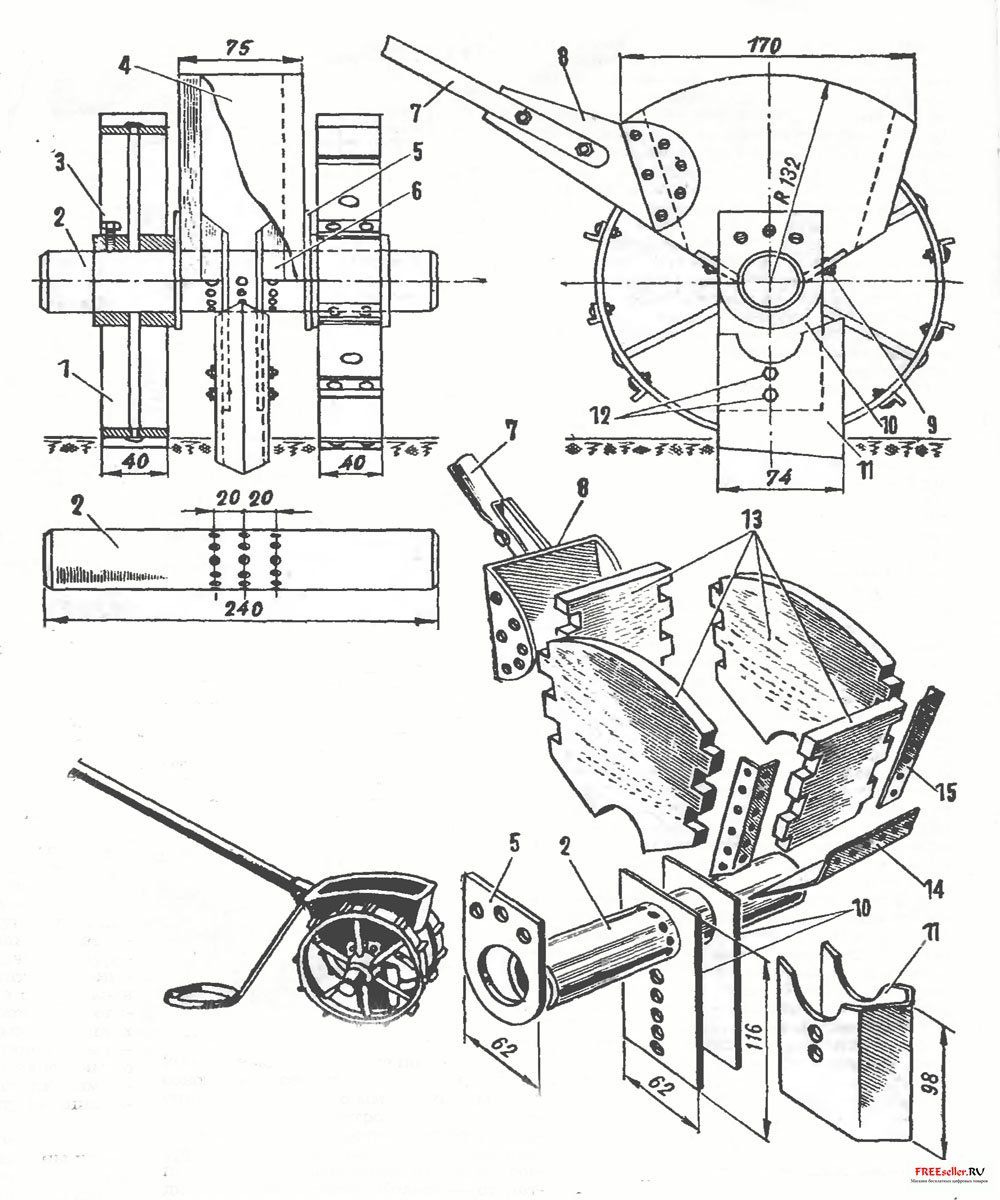
Самодельная ручная сеялка состоит из следующих основных частей:
семенного ящика 4;
высевающего валика 2;
двух подшипников 5;
двух ходовых колес 1;
двух кронштейнов для крепления сошника 11;
ручки 7 с кронштейном 8.
Семенной ящик сделан из деревянных досок толщиной 15 мм. Снизу он закрывается 2-мя стальными накладными донышками 14 толщиной 1 мм. Продольные и поперечные стенки соединяются между собой шипами, стальными уголками и саморезами.
В нижней части поперечных стенок ящика прикрепляются гвоздями или шурупами деревянные накладки 6 толщиной 15 мм. В стенках и накладках сделаны полукруглые вырезы для установки высевающего валика. К накладкам привинчены шурупами стальные пластинчатые кронштейны крепления сошника с круглыми отверстиями для установки высевающего валика. В наклонных донышках на болтах с гайками Мб установлены резиновые пластинки 9 для эластичного сопряжения донышек с высевающим валиком и сбрасывания выступающих семян из ячеек.
С наружных сторон поперечных стенок семенного ящика укреплены шурупами стальные подшипники высевающего валика, изготовленные из листовой стали толщиной 4 мм.
Рис.1. Ручная сеялка (общий вид и ее схема):
1 - колесо; 2 - высевающий валик; 3 - стопорный болт; 4 - семенной ящик; 5 - подшипник; 6 - деревянная накладка; 7 - ручка; 8 - кронштейн ручки; 9 - резиновые пластинки; 10 - кронштейн сошника; 11 - сошник; 12 - болты крепления сошнинка; 13 - стенки семейного ящика; 14 - наклонное донышко; 15 - стальной угольник.<
Высевающий валик диаметром 40 мм выполнен из стали. На нем в три ряда по окружности высверлено 18 крупных, 22 средних и 30 мелких ячеек - по размеру высеваемых семян. Крупные ячейки служат для посева укропа, шпината; средние - для семян репы, лука, салата; мелкие- для капусты и подобных по размерам семян.
Перед посевом устанавливается против выходного отверстия сошника тот ряд ячеек, размеры которых соответствуют размеру высеваемых семян. Положение высевающего валика фиксируется стопорами 3, имеющимися на ступицах ходовых колес.
При вращении валика семена заполняют ячейки и выбрасываются в сошник.
Колеса сеялки диаметром 200 мм имеют большие ободья из полосовой стали сечение 40 х 3 мм, спицы диаметром 8 мм и ступицы с наружным диаметром 60 мм. Отверстия в ступицах соответствуют диаметру высевающего валика. Спицы крепятся на ступице резьбой, а с ободом соединяются заклепкой. Колеса - от детских колясок или просто самодельные. Почвозацепы (из угловой стали) на ободках колес обеспечивают лучшее сцепление с почвой.
Сошник изготовляется из листовой стали толщиной 1,5 мм и крепится к кронштейнам двумя болтами с гайками 12. На кронштейнах делается несколько отверстий. Перезакрепляя сошник в отверстиях, можно регулировать заданную глубину высева семян. ; Для закрытия семян почвой сошник устанавливается загортач в виде гибкого тросика со стальным кольцом. ; К задней стенке семейного ящика крепится кронштейн с трубчатой ручкой.
И. Г. Китаев