
Лето вместе с радостью приносит иногда огорчения. Пыль, жара, а если нет ветра, то и совсем плохо. Так что же, ложиться в тень под дерево и ждать, пока вечер наступит? Нет, конечно. Деятельный человек найдет способ избавиться от жары. Один из таких способов - сооружение самодельного кондиционера (охладителя воздуха) своими руками.
Кондиционеры бывают в основном двух типов:компрессорные и испарительные.
Изготовить компрессорный - своими силами трудно: очень уж он сложен и дорог.
Испарительный гораздо проще, и сделать его может любой - было бы только желание, вернее, нежелание выносить жару в своем доме или в кабине автомобиля. Принцип его работы основан на известном законе физики. Для испарения требуется тепло; испаряющаяся вода забирает его из окружающего воздуха. Две конструкции, которые можно изготовить своими руками, приведены на рисунках.
Первая установка (рис. 1) совсем проста. Чтобы её собрать, нужно иметь старый инерционно-масляный воздухоочиститель автомобильного типа и центробежный вентилятор с электромотором на 200Вт. (Фланцевое соединение можно заменить гибким шлангом с хомутами или стяжными винтами.)
Если у вас есть только вентилятор, сделайте сами корпус испарителя. Не надо повторять сложные формы воздухоочистителя, изготовленного в заводских условиях, их следует максимально упростить.
Фильтрующий элемент изготовляется из мелкой сетки, свёрнутой несколькими слоями в цилиндр заданного диаметра (250-300 мм). Внизу сетка припаивается к дну корпуса. После подсоединения электромотора вентилятора и переключателя к цепи и заполнения корпуса воздухоочистителя (ставшего теперь испарительной камерой) водой установка готова к работе.
Вентилятор засасывает воздух, который требуется охладить, и подает его в испарительную камеру. Воздух проходит через толщу воды крупными пузырьками и выходит через фильтрующие сетки в выпускные отверстия. В пузырях, а также при проходе через сетки, обладающие капиллярными свойствами, происходит интенсивное испарение воды. При этом воздух теряет часть тепла и охлаждается.
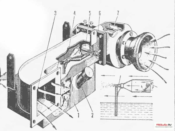
Рис. 1. Простая испарительная установка:
1 - корпус; 2 - проволочная сетка; 3 - воздуховод; 4 - отверстия для выхода охлажденного воздуха; 5 - фланцевое соединение; 6 - вентилятор с мотором.
Вторая конструкция (рис. 2) также состоит из центробежного электровентилятора и смесительной камеры, роль которой здесь выполняет воздуховод прямоугольного сечения, изогнутый с конца. Воздуховод лежит на баке, заполненном водой, и крепится к нему. Внутри испарительной камеры устанавливается распылитель воды - обычный пульверизатор, снабжённый насадкой. Проходное сечение насадки регулируется воздушной заслонкой.
В этой установке испаряются частички воды, выбрасываемые пульверизатором. Количество ее, подаваемое в распылитель, регулируется поворотом заслонки: чем больше она открыта, тем больше воды засасывается из бака. ![]()
Рис.2. Испарительная установка с пулевизатором:
1 - бак с водой; 2 - заливная горловина; 3 - отверстия для воздуха: 4 - пульверизатор; 5 - заслонка пульверизатора; 6 - фланцевое соединение; 7 - вентилятор с мотором.
Для работы распылителя пульверизатора можно использовать микрокомпрессор МК-1, соединив его приводом с валом электровентилятора. Привод микрокомпрессора можно осуществить и от отдельного малогабаритного электромоторчика.
Корпус, бак, испарительную камеру, колена можно делать из любого водостойкого материала: листового железа, плексигласа. Сетки для фильтров - мелкие, из оцинкованной стальной или медной проволоки. Прокладки: твердый картон или паронит.
В автомобиле установка размещается под ящиком для мелких вещей, на полу перед ним или за задним сиденьем. В последнем случае для охлаждения сидящих впереди должны быть установлены дополнительные воздуховоды.
Если в вентиляционной системе автомобиля имеется электровентилятор, то необходимость в нём на самой установке отпадает.
Кондиционер можно поставить и в комнате, приделав к нему для устойчивости основание.
В.Королев, г. Москва
МК 07 1966