Как сделать грохот своими руками

  • Опубликовано: 9 декабря 2010

Самодельный грохот


При строительстве дачных домиков, гаражей в приусадебном хозяйстве часто приходится просеивать сыпучие строительные материалы, грунт или садовую почву. Для этого используется специальное приспособление — так называемый грохот. Его классический вариант — рама с решеткой, установленная на козлах,— очень громоздкий и малопроизводительный. Я попытался сделать его механизированным, а также более компактным и бесшумным по сравнению с промышленными образцами.


Первый электрогрохот получился у меня не совсем удачным. Однако второй, доработанный, стал удовлетворять всем запланированным требованиям. Для изготовления не понадобилось ни дефицитных материалов, ни высокой квалификации исполнителя.

 

Самодельный грохот

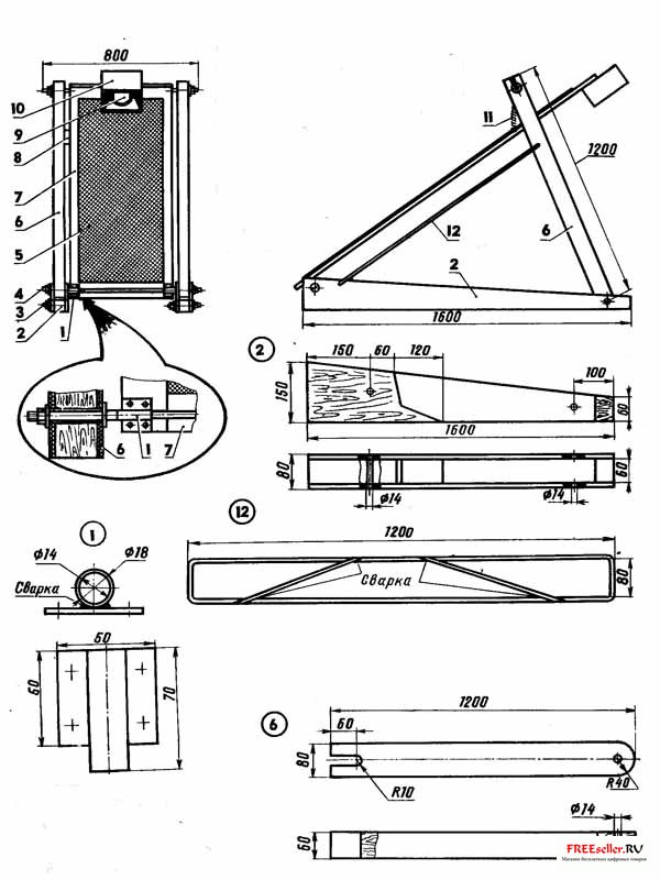
>Конструкция состоит из основания, стоек, рамы с электродвигателем, подпорок и стяжек. Указанные на чертежах размеры ориентировочны и могут меняться в соответствии с местными потребностями и возможностями.

Основание представляет собой два полых бруска, каждый из них изготовлен из двух досок, соединенных через проставки. В брусках основания просверливаются отверстия диаметром 14 мм.

Самодельный грохот

Рис.1. Грохот - устройство для просеивания сыпучих материалов:
1 - кронштейн (2 шт.), 2 - основание (2 шт.), 3- шпилька М12 (2 шт.), 4 - стяжка (2 шт.), 5 - сетка, 6 - стойка (2шт.), 7 - рама, 8 - автоматический выключатель, 9 - электродвигатель, 10 - защитный кожух, 11 - пружина (2 шт.), 12- подпорка (2 шт.).


Две наклонные стойки - бруски сечением 60X80 мм. На одном конце каждого бруска делается отверстие 014 мм, а на другом - прорезь, Стойки вставляются между дощечками основания и крепятся шпильками с гайками Mt2.


Рама собрана из брусков, длины которых выбираются в зависимости от размеров имеющейся сетки, а сечение - от предполагаемой нагрузки. При помощи кронштейнов рама устанавливается на нижнюю стяжку. К верхней стяжке она подвешивается на пружине.


Электродвигатель (от пылесоса «Буран»)закреплен на верхнем краю рамы и закрыт кожухом. Наличие кожуха - обязательно. Он защищает

двигатель от попадания на него грунта, а также в целях безопасности ограждает вращающийся эксцентрик вала. Чтобы просеиваемый материал не рассыпался по сторонам, по бокам рамы прибиты бортики.


Для придания конструкции колебательных движений я отказался от редуктора с храповиком из-за сложности изготовления и производимого им сильного шума. Вибрация создается путем разбалансировки вала электродвигателя. Эксцентрик делается из обыкновенной деревянной чурки.


Подбором ее формы и веса достигаются необходимые частота и амплитуда колебаний.


Подпорки (для придания конструкции жесткости) изготавливаются из проволоки диаметром 6...8 мм; стяжки и шпильки - из прутка с резьбой M12 на концах.


Занимаясь дальнейшей модернизацией, я установил на грохот устройство, которое автоматически включает или выключает двигатель в зависимости от нагрузки на раме. Это позволяет исключить холостой цикл работы, сэкономить электроэнергию

и увеличить ресурс конструкции в целом. Самодельный грохот

Рис. 2. Устройство автоматического управления:

1 - крышка, 2- кнопка S1, 3 -плата (текстолит, 3 шт.), 4 пружина (6 шт.), 5-кнопка S2, 6 - реле МКУ-48, 7- корпус, 8- шпилька М4 (3 шт.), 9 - втулка.Самодельный грохот

Рис.3. Электрическая схема грохота.


Работает «автоматика» следующим образом. При загрузке рама опускается вниз и нажимает на кнопку S1. Ее контакты замыкают цепь электродвигателя. Он начинает вращаться и трясти раму. При первом же «провале» рамы от вибрации она нажимает на кнопку S2. Та, в свою очередь, замыкает цепь питания электромагнитного реле, которое контактами К1 самоблокируется, а контактами К2 отключает обмотку возбуждения (пусковую) двигателя. Благодаря самоблокировке реле пусковая обмотка остается отключенной на все время работы. После просеивания материала нагрузка с рамы снимается. Она подтягивается пружинами вверх и размыкает кнопку S1. Схема возвращается в исходное состояние.


Кнопки и реле установлены на трех платах. При этом между платами кнопок S1 и S2 находятся две пружины, служащие для снижения жесткости ударов и достижения постоянного замыкания контактов при нагруженной раме, а между платами кнопки S2 и реле - четыре пружины, нужные для более позднего замыкания контактов S2 и их сохранности от механических повреждений при вибрации. В устройстве работают обычные кнопки от электрозвонка, реле типа МКУ-48 (или любое другое с рабочим напряжение"-. 220 В). Пружины взяты от садового секатора. Корпус сделан из обрезанных флаконов из-под шампуня. Подбором их диаметра можно добиться необходимой влагозащищенности. Крепеж автоматического выключателя выполняется (с помощью хомутов) на одной из стоек. Такой способ позволяет регулировать время замыкания кнопки S1 в соответствии с нагрузкой.


Хранится грохот в разобранном виде в помещении, защищенном от влаги и снега.


Тем, кто захочет изготовить подобное приспособление, по опыту двухлетней эксплуатации своего грохота хочу дать несколько рекомендаций. Во-первых, переход проводов питания от автоматического выключателя, закрепленного на стойке к электродвигателю и смонтированного на раме, желательно осуществить через нижний край рамы. Во-вторых, не следует делать слишком короткую раму. Точку крепления пружины желательно выбрать как можно дальше от двигателя, что позволяет увеличить амплитуду колебаний. И последний совет: во избежание поражения электротоком во время работы необходимо заземлять корпус двигателя или пользоваться разделительным трансформатором.

МК 07 1992 П. Шерстобитов, г. Пермь

Похожие самоделки

Комментариев 1
  1. Откуда взялась пусковая обмотка на двигателе от пылесоса буран ?????? Там коллекторный двигатель  и ПУСКОВАЯ обмотка полностью отсутствует в принципе такого двигателя .
    0
Имя:*
E-Mail:


Песочница RSSРеклама на сайтеFreeseller.ru - Полезные самоделки
Copyright © 2008-2025