
Конструкция несложной самодельной мотофрезы. В качестве силового агрегата для нее можно использовать любой двигатель из серии Ш (Ш-52 Ш-58) с рабочим объемом цилиндра 50 см3.
Режущий инструмент (фреза) агрегата собрана из стальных полос сечением 5x40 мм. На каждую из фрез их потребуется восемь штук. Полосы изгибаются в виде буквы Г и болтами М6 соединяются между собой, образуя четыре крестовины. Последние попарно привариваются к двум втулкам, имеющим внутренние отверстия в виде шестигранников.
Основа рамы самодельной мотофрезы - стальной короб, в котором располагается одна из ступеней замедления цепного редуктора. Короб сварен из пластин толщиной 4 мм и двух подшипниковых корпусов, расположенных в нижней его части. В верхней части короба разделываются два отверстия, через которые проходит промежуточный вал. Последний вращается в двух подшипниках (205), располагающихся в двух корпусах, каждый из которых сварен из стальной пластины толщиной 5 мм и стального же кольца. Корпуса могут перемещаться по коробу за счет овальных отверстий на пластине - это дает возможность натягивать цепь, связывающую звездочки рабочего и промежуточного валов. Для фиксации выбранного положения предусмотрены две резьбовые шпильки, приваренные к пластинам-основаниям, накладка сотверстиями - прорезями и две гайки с шайбами.
Двигатель крепится на кронштейне, приваренном спереди к коробу. Горизонтальная и вертикальная части кронштейна представляют собой отрезки стального профиля «тавр», подкос- стальная полоса сечением 5x40 мм. На вертикальной части кронштейна имеются две скобы из полосы толщиной 5 мм - к ним двумя болтами с резьбой М8 крепится двигатель.
Рукоятки мотофрезы выгнуты из двух стальных труб с внешним диаметром 22 мм. Между рукоятками располагается топливный бак емкостью около 2 л, спаянный из оцинкованного кровельного железа.
Рукоятки крепятся к раме через переходник - валик с двумя фланцами и разрезную трубу-хомут с зажимной рукояткой. Труба-хомут закрепляется на стойке, приваренной к коробу рамы мотофрезы.
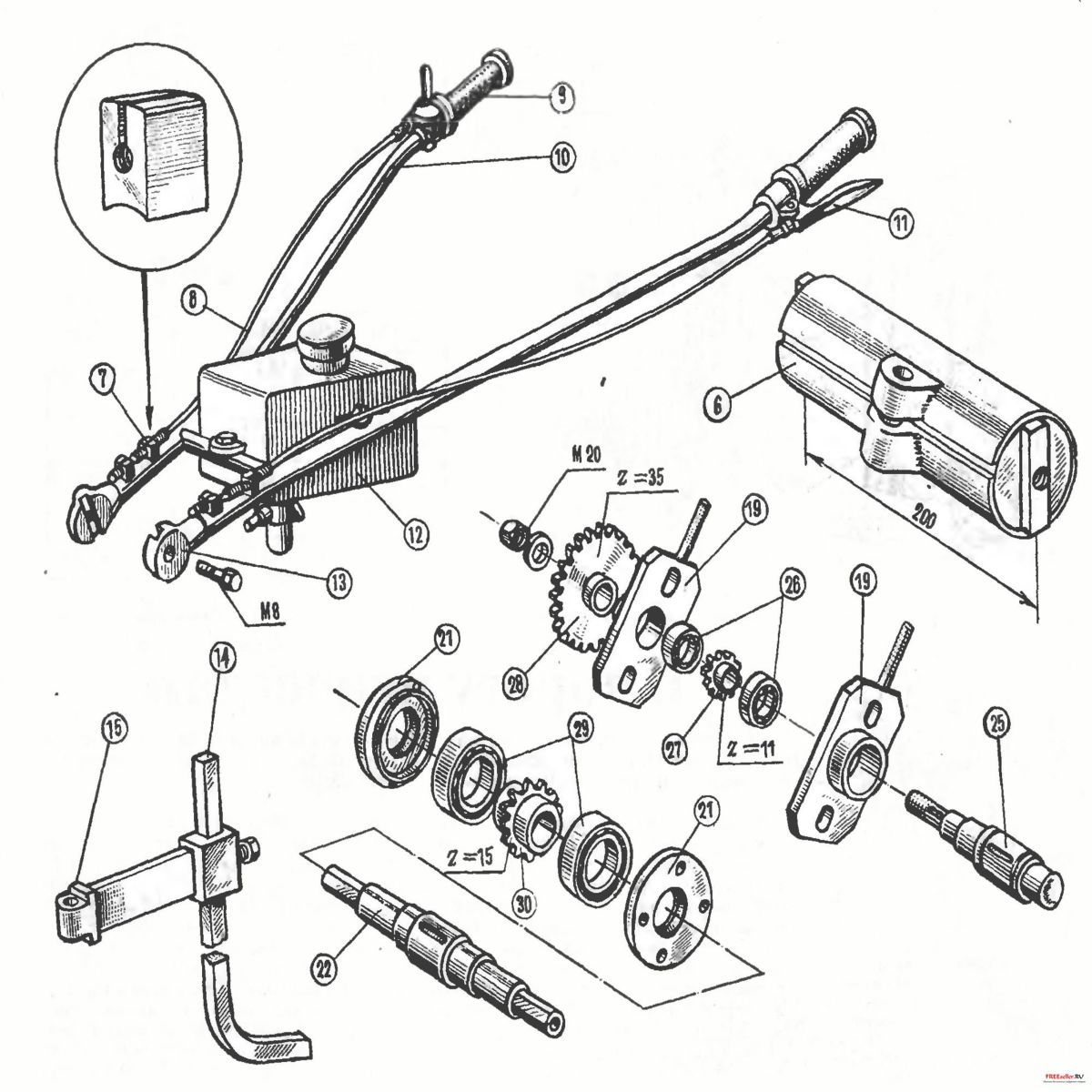
Рис. 1,2,3 Устройство самодельной мотофрезы:
1 - кронштейн крепления глушителя, 2 - глушитель, 3 - двигатель, 4 - защитный кожух цепи, 5 - стопорная рукоятка, 6 - механизм поворота рукояток мотоагрегата, 7 - регулятор натяжения троса управления двигателем, 8 - трос управления, 9 - рукоятка газа, 10 - рукоятка мотоагрегата, 11- рукоятка выключения сцепления, 12 - топливный бак, 13 - переходник, 14 - костыль, 15 - кронштейн, 16 - упорная пластина механизма натяжения цепи, 17 - вилка сцепного устройства, 18,21 - крышки, 19 - корпус подшипника промежуточного вала, 20 - короб рамы, 22 - рабочий вал, 23 - стяжка, 24 - фреза, 25- промежуточный вал, 26 - подшипники 205, 27, 28 - промежуточные звездочки, 29 - подшипники 306, 30 - звездочка рабочего вала.
В задней части рамы располагается сцепное устройство- стальная полоса с приваренной к ней П-образной скобой. При использовании мотофрезы в основном варианте в сцепном устройстве шарнирно закрепляется тормозной костыль, с помощью которого регулируется скорость продвижения по пашне и степень обработки почвы. При использовании же агрегата в варианте мототягача (совместно с транспортной тележкой) вместо костыля закрепляется проушина водила тележки. Естественно, в этом случае вместо фрез на рабочий вал устанавливаются колеса.
Для мотофрезы потребуются три звездочки - две из них (z-35 и z-11) располагаются на промежуточном валу и одна (z-15) на рабочем. Все звездочки вытачиваются из стали, но возможен вариант сварной конструкции: ступица - отрезок подходящей трубы и диск - стальная пластина толщиной 7 мм.