
Каждому приходилось во время болезни измерять себе температуру ртутным термометром по 5-7 минут, или электронным по 3-5 минут. Если взрослые держат градусник спокойно, то за детьми приходится наблюдать, чтобы они, завозившись, случайно не сломали хрупкую стеклянную трубочку.
Предлагаемая конструкция электрического градусника хоть и имеет большие габариты, но такой замерить температуру в диапазоне от 20 до 45°С всего за 3 секунды с точностью до 0,1°С.
Этот диапазон легко можно расширить или сдвинуть при изготовлении термометра.
Подобная конструкция электронного градусника уже рассматривалась в этой статье>>>
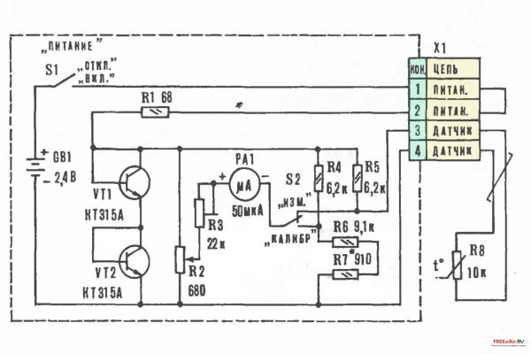
В основу построения схемы (рис. 1) положен мостовой преобразователь. Изменение величины сопротивления термодатчика R8 приводит к разбалансу моста и появлению на стрелочном индикаторе РА1 тока, пропорционального температуре.
Особенностью электрического термометра является применение в качестве датчика температуры резистора типа СТЗ-19 10 кОм, который обладает очень малой массой, за счет чего и удается получить высокую скорость измерения. Этот датчик удобно закрепить на конце пластмассовой трубки от шариковой авторучки и перевитыми между собой проводами длиной 1-0,6 м и через разъем XI подключить к измерительному блоку. На разъеме между контактами 1 и 2 установлена перемычка, которая не позволит включить схему прибора, если не подключен термодатчик, что предохраняет индикатор РА1 прибора от повреждения.
Рис.1. Схема электрического градусника.
Питается схема от двух любых аккумуляторов или батареек общим напряжением 2...3 В и потребляет от источника ток не более 5 мА.
Транзисторы VT1 и VT2 используются, как низковольтные стабилитроны и могут быть заменены на КТ3102А, Б, В, Г.
Переменные резисторы для удобства настройки лучше использовать многооборотные, типа СП5-2 или аналогичные.
Габариты электрического термометра определяются размерами стрелочного индикатора РА1 и при использовании микроамперметра М4205 0...50 мкА не превышают 85 х 65 х 60 мм (рис. 2).
Настройку прибора начинают с измерения сопротивления R8 (желательно с высокой точностью) при фиксированной
температуре 20°С. Для этой цели удобно использовать промышленную термокамеру с автоматическим поддержанием заданной температуры, куда и помещают термодатчик.
Рис.2. Внешний вид электрического градусника.
После этого, установив движки резисторов R2 и R3 в среднее положение, включают схему тумблером S1 и выполняют последовательно следующие операции:
1) установить переключатель S2 в положение «калибровка», а регулятором R2 вывести стрелку измерительного прибора в нулевое положение на шкале;
2) поместить датчик температуры в место с известной постоянной температурой (в пределах желаемого измерительного диапазона);
3) установить переключатель S2 в положение «измерение», а резистором R3 вывести стрелку прибора на значение шкалы, которое будет соответствовать измеренной величине.
Операции 1, 2, 3 необходимо повторить несколько раз, после чего настройку можно считать законченной.
В заключение хотелось бы отметить, что в настроенном приборе диапазон измерения можно сдвинуть резистором R2 при переключении в режим «калибровка» и устанавливать стрелку на любое значение шкалы (положение стрелки будет соответствовать значению 20°С).
При переключении прибора в режим «измерение» шкала будет соответствующим образом сдвинута относительно положения стрелки в режиме «калибровка».
Прибор имеет большой запас по чувствительности, которая увеличивается с уменьшением сопротивления R3 (при первоначальной настройке). Можно даже с помощью прибора улавливать температуру дыхания или же ее изменение при циркуляции воздуха.