Электронный пульсометр - схема

  • Опубликовано: 22 декабря 2009


Питание прибора осуществляется от 3 батарей “Крона-ВЦ”, энергии которых хватает для работы в течение 4 месяцев при 25 ежедневных замерах пульса. За интервал времени, равный 12 с, подсчитывается число ударов сердца, затем это число умножается на 5 и результат появляется на светодиодных индикаторах.


Результат не всегда получается кратным 5, так как хотя каждый импульс, соответствующий удару сердца, заменяется 5 импульсами, которые заносятся в счетчики, но при отсутствии жесткой синхронизации такой способ подсчета импульсов обеспечивает выдачу на индикаторы практически всех чисел от 40 до 199.

Функциональная схема измерителя пульса представлена на рис. 1 (73 кБ). Сигнал, излучаемый ИК - светодиодом, отражается от пальца и улавливается фотодиодом датчика, который подключен ко входу усилителя А1. Далее, пройдя через фильтр низких частот, сигнал поступает на второй усилительный каскад А2, на выходе которого его амплитуда достигает значения, достаточного для работы схемы формирователя D1. Последний представляет собой триггер Шмитта и вырабатывает импульсы, соответствующие ударам пульса, которые, пройдя через дифференцирующую цепь R1C1, запускают ждущий одно вибратор D2. Одно вибратор D2 выполняет две функции: блокирует триггер D1 и запускает схему цифрового пересчета. Блокирование триггера D1 делает считывание сигналов пульса более надежным, так как после прохождения импульса в течение следующих 200 мс триггер Шмитта не реагирует на другие входные сигналы. Кроме того, выходной импульс одно вибратора D2 в режиме “Счет” через схему совпадений D3 запускает два ждущих одно вибратора D4 и D5. Одно вибратор D4 задает время измерения пульса, а другой одно вибратор D5 вырабатывает сигналы, осуществляющие пересчет.

В результате подачи сигналов одно вибратора D5 и генератора G1 на вход схемы совпадения D8, на ее выходе формируются пачки импульсов, каждая из которых состоит из 5 импульсов. Таким образом осуществляется умножение на 5. Эти пачки импульсов поступают на вход счетчика D10 и по окончании времени измерения, определяемого одно вибратором D4, на счетчике фиксируется число, равное количеству ударов пульса в минуту. По окончании счета триггер D7 сбрасывается в нулевое состояние и запрещает прохождение импульсов через D3. Одновременно с помощью триггера D9 открывается ключ К1 и загорается светодиодное табло. Чтобы начать новый цикл измерения пульса, надо снова нажать кнопку “Сброс” - тем самым гасятся светодиодные индикаторы и очищается счетчик D10, а затем нажать кнопку “Счет”.

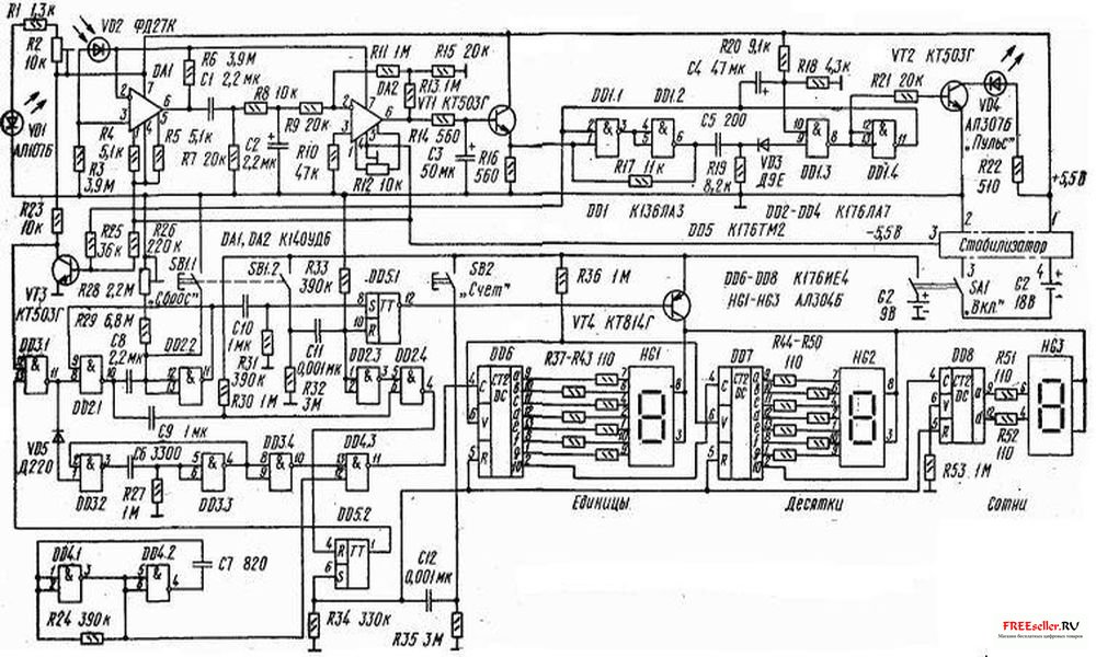
Принципиальная схема измерителя пульса изображена на рис. 1 (74 кБ). ИК-датчик содержит излучающий светодиод VD1 и приемный фотодиод VD2. Усилительная часть собрана на операционных усилителях (ОУ) К140УД6, имеющих низкое значение разности входных токов (дельта Iвх<=25нА) и небольшой ток потребления (Iп = 1 мА), что позволило создать экономичный прибор, работающий в широком диапазоне температур. Фотодиод VD2 включен между инвертирующим и не инвертирующим входами первого ОУ, поэтому постоянное напряжение на нем не превышает нескольких мВ, что является особенностью первого каскада. Второй каскад усилителя имеет коэффициент усиления около 1000, а амплитуда полезного сигнала на его выходе достигает 3 В. Между первым и вторым каскадами включены разделительный конденсатор С1 и RС-фильтр (R8C2), снижающий фон с частотой 50 Гц. С этой же целью на выходе элемента DA2 включен фильтр R14C3. Усилительная часть прибора заканчивается собранным на транзисторе VT1 эмиттерным повторителем, который служит для согласования выхода ОУ и входа ТТЛ микросхемы DD1 К136ЛАЗ. Четыре логических элемента этой микросхемы выполняют функции триггера Шмитта (DD1.1 и DD1.2) и одно вибратора (DD1.3 и DD1.4). Триггер Шмитта по входу 2 блокируется импульсами одно вибратора, что позволяет четко фиксировать количество ударов пульса. На выходе 11 одно вибратора сигнал имеет вид прямоугольных импульсов отрицательной полярности длительностью 200 мс и амплитудой 5 В, частота повторения которых изменяется от 0,5 до 3,3 Гц.

Электронный пульсометр - схема


Рис. 1 Принципиальная схема электронного пульсометра

Индикация ударов пульса осуществляется светодиодом VD4. Таким образом посредством микросхем DA1, DA2 и DD1 удается выделить импульсы ударов пульса.

При желании радиолюбители могут заменить цифровую часть прибора более простой, аналоговой, в качестве которой подойдет простой стрелочный частотомер с диапазоном измерения 0,5...3 Гц и шкалой, проградуированной в уд/мин.

Измерение частоты пульса в приборе принято самое простое - подсчет импульсов за определенный период времени, хотя, строго говоря, удачней была бы система отсчета пульса в режимах “средний” (за 10 ударов пульса) или “мгновенный” (от удара к удару). Однако последние способы подсчета пульса требуют более сложной реализации, что приведет к нежелательному увеличению габаритов прибора.

Цифровая часть измерителя частоты пульса содержит следующие функциональные узлы: двенадцатисекундный одно вибратор (DD2.1 и DD2.2), одно вибратор с длительностью импульса 2,5 мс (DD3.2-DD3.4), генератор прямоугольных импульсов с частотой 2 кГц (DD4.1 и DD4.2), триггеры управления (DD5.1 и DD5.2) и двоично-десятичные счетчики-дешифраторы (DD6-DD8).

Подсчет числа импульсов цифровой частью начинается после нажатия на кнопку SB2 “Счет”. При нажатии вырабатывается импульс, который обнуляет счетчики DD6-DD8 и переводит RS-триггер DD5.2 в состояние, при котором его выходной сигнал дает разрешение на прохождение импульсов подсчета пульса через логический элемент DD3.1. Первый же пришедший сигнал пульса запускает оба одно вибратора. Каждый импульс одно вибратора DD3.2-DD3.4, поступая на схему DD4.3, стробирует прохождение пяти импульсов генератора на счетчики. Такой режим работы продолжается в течение 12 с после прихода первого импульса пульса и длится до тех пор, пока одно вибратор DD2.1, DD2.2 спадом импульса не сбросит RS-триггер DD5.2 и, следовательно, прохождение импульсов через элемент DD3.1 прекратится. Одновременно с этим одновибратор DD2.1, DD2.2 через цепь C10R31 воздействует на триггер DD5.1, который открывает транзистор VT4, и на трех семи сегментных светодиодных индикаторах будет высвечено число ударов пульса в минуту. Кнопка SB1 “Сброс” служит для установки начальных состояний триггеров управления и одно вибратора DD2.1, DD2.2, ею же происходит гашение светодиодов индикации.

Соединение счетчиков-дешифраторов DD6-DD8 семи сегментных индикаторов HG1-HG3-стандартное. Микросхема DD8, с которой задается значение сотен, соединена с индикатором только через два резистора R51, R52, поэтому, если число ударов пульса меньше ста, светодиодная матрица HG3 не загорается.

Схема стабилизатора двуполярного напряжения ±5 В изображена на рис. 3. Собственно стабилизатор собран на транзисторах VT1-VT3. Применение двухкаскадного усилителя на транзисторах VT2, VT3 и включение опорного стабилитрона в цепь базы транзистора VT3 позволили получить коэффициент стабилизации по напряжению более 500 при выходном сопротивлении не более 0,2 Ом. Включением в качестве регулирующего элемента р-n-р транзистора VT1 удалось добиться стабилизации выходного напряжения при минимальном напряжении на входе не менее 11,8 В. При включении запуск стабилизатора осуществляется цепочкой C1R1VD2R4. В момент включения импульсом тока зарядки конденсатора С1 открывается транзистор VT2 и выводит устройство в режим стабилизации. Стабилизатор имеет защиту от короткого замыкания в выходной цепи. Выходное напряжение стабилизатора, равное 11 В, с помощью микросхемы DA1 и транзисторов VT4, VT5 преобразуется в двуполярное напряжение ±5,5 В с искусственной средней точкой. К сожалению, установка такого расщепителя. после стабилизатора лишает последний возможности реагировать на короткие замыкания в цепях нагрузки. Выходной ток стабилизатора при коротком замыкании в одной из нагрузок достигает 200 мА, однако применение транзисторов средней мощности обеспечивает достаточную (при недлительном КЗ) надежность. Разумеется, такой большой выходной ток при настройке можно получить, питая стабилизатор от мощного источника. В реальном приборе короткое замыкание приведет к быстрому разряду батарей “Крона-ВЦ”. Для предотвращения пробоя транзисторов при неправильном подключении батарей питания в схему введен диод VD1. Ток, потребляемый стабилизатором двуполярного напряжения в режиме холостого хода, не превышает 7 мА.

Измеритель пульса заключен в прямоугольный пластмассовый корпус черного цвета. Его размеры определяются размером наибольшей из печатных плат (рис. 4-6), на которой смонтирована основная часть устройства. На передней панели прибора расположены кнопки и надписи “Счет”, “Сброс” белого цвета, светодиодное табло прикрыто прозрачной целлулоидной пленкой красного цвета.

Печатные платы прибора, а их всего 3, изготовлены из двустороннего фольгированного стеклотекстолита толщиной 2 мм. Высота установленных элементов на плате не должна превышать высоту ИК-датчика. Потенциометры R2 и R12 приклеивают эпоксидным клеем таким образом, чтобы их регулировочные винты были расположены перпендикулярно к плате. Микросхема DD1, имеющая планарные выводы, распаивается со стороны печатных проводников. Семисегментные индикаторы расположены на небольшой отдельной плате из стеклотекстолита, разводка проводников которой ввиду ее простоты не дается. Она соединяется с основной платой через ограничительные резисторы R37-R52, которые одновременно выполняют и функции элементов крепежа платы. Резисторы устанавливаются вертикально. Один конец у каждого резистора распаян на основной плате, другой на плате индикаторов (в статье не приводится). Важным узлом прибора является ИК-датчик, конструкция которого представлена на рис. 7. Он представляет собой прямоугольный брусок текстолита, имеющий два цилиндрических канала, в которые вставляются светодиод и фотодиод. В собранном датчике эти элементы несколько выступают из каналов и упираются в пластмассовую крышку.
Крепится датчик к плате с помощью винта М3. Пластинка датчика, закрывающая ИК-диоды, требует при изготовлении особого внимания и аккуратности. Ее внутреннюю и внешнюю поверхности необходимо тщательно отполировать, так как шероховатость пластинки может привести к недопустимому рассеиванию ИК-лучей и, как следствие этого, к дроблению сигнала пульса. Под основной печатной платой расположены плата стабилизатора (рис. 8, 9) и отсек питания для размещения 3 батарей “Крона-ВЦ”. При изготовлении отсека питания необходимо обеспечить его герметизацию. Светодиод VD4 “Пульс” впаивается в основную плату вертикально.

В левой боковой стенке установлен тумблер включения питания SA1.
В приборе применены конденсаторы КМ-6 (C1, С8, С9, С10), KM (С5, С6. С7, С11, С12), К53-1 (С2, С4), К50-6 (С3), Все постоянные резисторы, примененные в приборе, МЛТ-0,125, переменные R2 и R12- СП-5-3; R28-СП4-1. Кнопка SB1 состоит из двух микропереключателей МП-9; SB2-МП12. Тумблер включения питания SA1-MT-1. В стабилизаторе двуполярного напряжения применены конденсаторы К53-1 (C1), КМ-6 (С2), К52-1 (С3, С4), резисторы - МЛТ-0,125.

Отметим возможные замены некоторых элементов схемы, хотя таких вариантов очень мало. ИК-фотодиод VD2 ФД-27К можно заменить более распространенным ФД-3, транзисторы КТ503Г, примененные в усилительной части, заменяются КТ312Б, транзистор КТ814Г - КТ503Г. Вместо ОУ К140УД6 можно применить другие ОУ, но они должны удовлетворять следующим основным требованиям: Uпит.мин20000, Iвх<=200 нА. Это могут быть ОУ К140УД7, К140УД12 и К153УД5. Микросхемы серии К176 можно заменить на аналогичные из серии К561.

Налаживание смонтированного устройства начинают с проверки стабилизатора напряжения. Для этого на его вход подают от внешнего источника напряжение 15 В и подбором стабилитрона и сопротивления резистора R7 (150...200 Ом) устанавливают на коллекторе VT1 выходное напряжение 10,8...11 В. Это напряжение на выходе платы стабилизатора делится пополам относительно общей клеммы. Так как микросхема К140УД1А склонна к самовозбуждению, необходимо проконтролировать отсутствие на ее выходе ВЧ колебаний, наличие которых значительно увеличивает ток, потребляемый стабилизатором. При необходимости емкость корректирующего конденсатора С2 следует увеличить. Если выходные напряжения отличаются более чем на 6,1 вольт, их выравнивание осуществляется незначительным изменением сопротивлений резисторов R8 и R9. После этого готовый стабилизатор проверяют под током нагрузки 40...50 мА в интервале входного напряжения 12...18 В. Изменение выходного напряжения при изменении тока нагрузки от 0 до 20 мА не должно превышать 10 мВ.

Для настройки основной платы потребуется осциллограф с секундной разверткой (например, С1-76). Сначала проверяется режим работы ИК-датчика и входного ОУ. Для этого, положив палец на датчик (пока без, защитной пластины), регулируют ток излучающего светодиода VD1 потенциометром R2, устанавливая выходное напряжение ОУ DA1 в пределах + 2...3 В. Если постоянное выходное напряжение отрицательной полярности, необходимо изменить распайку фотодиода VD2. После проведения этой регулировки на выходе DA1 с помощью осциллографа можно наблюдать сигналы пульса с амплитудой 0,5...4 мВ. Вторая контрольная точка - выход микросхемы DA2. Переменным резистором R12, при закрытом светонепроницаемым предметом датчике, устанавливают положительное напряжение на выводе 6 микросхемы DA2 в пределах + 0,6...0,7В. Затем контролируют напряжение на выходе эмиттерного повторителя VT1 - резистором R12 устанавливают напряжение + 0,1...0,15 В. После этих операций первичная настройка усилительной части заканчивается - при касании пальцем ИК-датчика в такт с пульсом мигает светодиод VD4.
Если цифровая часть смонтирована без ошибок, то какой-либо специальной настройки не потребуется. При включении питания должны загореться нули на индикаторах единиц и десятков, а индикатор, указывающий сотни, не должен светиться. Затем, положив палец на ИК-датчик, добиваются мигания светодиода “Пульс”. Теперь, если нажать на кнопку SB2 “Счет”, число на светодиодных индикаторах при каждом ударе пульса должно увеличиваться на пять. Примерно через 12 с счет импульсов заканчивается. При нажатии на кнопку SB1 “Сброс” индикаторы должны погаснуть. Если цифровая часть исправна, следует проверить точность пересчета импульсов. Но вначале настраивают одновибратор DD2.1, DD2.2, который легко проверить с помощью секундомера, замеряя время от момента прохождения первого импульса пульса после нажатия кнопки “Счет” до загорания светодиодного табло. Период импульсов одновибратора регулируется резистором R28. Для проверки пересчета необходимо подавать секундные импульсы положительной полярности на вход транзистора VT1. Проще всего такие импульсы получить от генератора Г3-39. Изменяя частоту генератора от 0,5 до 3,3 Гц, проверяют точность измерения. Если подобного генератора нет в наличии, импульсы такой частоты можно подучить либо от цифровых электронных часов, либо от генератора горизонтальной развертки осциллографа. При необходимости производят подстройку генератора частоты 2 кГц или одновибратора DD2.1, DD2.2. Последняя операция настройки - установка защитной пластинки на ИК-датчик, который обязательно следует протереть спиртом. Положив палец на датчик, вновь проверяют выходное напряжение ОУ DA1 и, при необходимости, подстраивают его, учитывая, что приближение выходного напряжения к своему предельному положительному значению увеличивает чувствительность прибора.
Если чувствительность прибора оказалась недостаточной, следует уменьшить толщину пластинки ИК-датчика до предела или изготовить ее из другого, более прозрачного для ИК-лучей материала. Повысит чувствительность и увеличение емкости конденсатора С1 на 1...2 мкФ.

Пользоваться цифровым измерителем пульса несложно. Включают прибор и сразу же нажимают кнопку “Сброс” в целях экономии энергии батарей питания. Затем, взяв прибор в руки, нежно, без нажатия, кладут палец на пластинку ИК-датчика и добиваются мигания светодиода в такт с ударами пульса. Через 3...4 удара пальцем левой руки нажимают кнопку “Счет”. Через 12 с на табло появится цифра, показывающая число ударов пульса в минуту. Индикаторы гасятся нажатием на кнопку “Сброс”. Во время измерения надо следить за тем, чтобы рука не колебалась и, если во время 12 - секундного цикла было дробление сигналов светодиода от колебаний руки, измерение надо прервать нажатием кнопки. “Сброс” и снова запустить кнопкой “Счет”. Измеряя пульс, надо помнить, что, если прибор улавливает биение крови внутри капилляров, то колебание руки будет отмечено и подавно, что приведет к искажению результата измерения. Работа с прибором на открытом воздухе имеет некоторые особенности. Так, зимой может оказаться, что замерить пульс очень трудно, если у человека холодные руки, а на ярком солнце его лучи “ослепляют” ИК-датчик, и пульс можно измерять только в тени.

Похожие самоделки

Комментариев 2
  1. здравствуйте нет ли у вас схемы этой в формате компас? очень надо
    +4
    1. нету, нарисуйте сами и выкладывайте для других в комментариях
      -2
Имя:*
E-Mail:


Песочница RSSРеклама на сайтеFreeseller.ru - Полезные самоделки
Copyright © 2008-2025