Конструкция данного самодельного мотороллера с люлькой очень надежна в работе. Двух человек она без труда повезет со скоростью 60 км/ч, расходуя при этом всего 5 л топлива на 100 км пути. Кроме того, тщательно продуманная компоновка и великолепный внешний вид.
Как устроен мотороллер
Его рама (рис. 1) сварена из полудюймовых, дюймовых и полуторадюймовых стальных труб. Спереди - втулка для рулевой колонки, в центре - под моторная рама. Обе они от мотоцикла М-105.
Рис. 1. Рама самодельного мотороллера:
1 - втулка рулевой колонки, 2 - труба, 3 - опора пола, 4 - ось педалей, 5 -косынки, 6 - петли крепления пола, 7 -под моторная рама, 8 - держатель капота, 9 узел подвески задней вилки, 10 - кронштейны крепления задних амортизаторов, 11 - петли крепления крыла, 12 - кронштейны для капота, 13 - кронштейн бензонасоса, 14 - кронштейн катушки зажигания, 15 - расходный бачок, 16 - лапки крепления вентилятора, 17 - кронштейн крепления тяги коляски, 18 - подкос, 19, 20 - кронштейны подвески коляски.
Под моторная рама укреплена поперечными трубами и косынками с отверстиями, в которых подвешивается маятниковая вилка от мотоцикла Иж-56, только укороченная на 120 мм (рис. 2). На ней имеются короткие, консольные закрепленные оси для головок амортизаторов от М-106.
Рис. 2. Задняя маятниковая вилка самодельного мотороллера:
1 - втулка подвески, 2 - петля крепления реактивной тяги тормозного диска, 3 - ось под головки амортизаторов, 4 - упоры винтов натяжения цепи.
Заднее крыло взято от этого же мотоцикла и укорочено. Переднее крыло вырезано из старого кузова «Жигулей». Из листа 0,8 мм сделано и гнездо для фары от мопеда «Верховина».
Руль выгнут из трубы 0 22 мм и покрыт хромом.
Передняя маятниковая вилка (рис. 3) - самодельная. К ней крепятся амортизаторы от «Верховины» с укороченными на 40 мм штоками.
Рис. 3. Передняя маятниковая вилка самодельного мотороллера:
1 - опорные втулки, 2 - ось под головки амортизаторов, 3 - петли соединения с вилкой.
Капот от мотороллера «Вятка», но обрезанный, зауженный, вытянутый в некоторых местах, например, спереди, чтобы головка цилиндра не упиралась в него. (Вытягивали капроновым молотком на капроновой плите.) Багажник на капоте от М-106, задний фонарь от «Явы-634». Перед капотом, на полу, расположены самодельные педали тормоза и двуплечий рычаг переключения передач. А вот на руле органы управления мотоциклетные: рукоятка газа от М-105, сцепления от «Восхода».
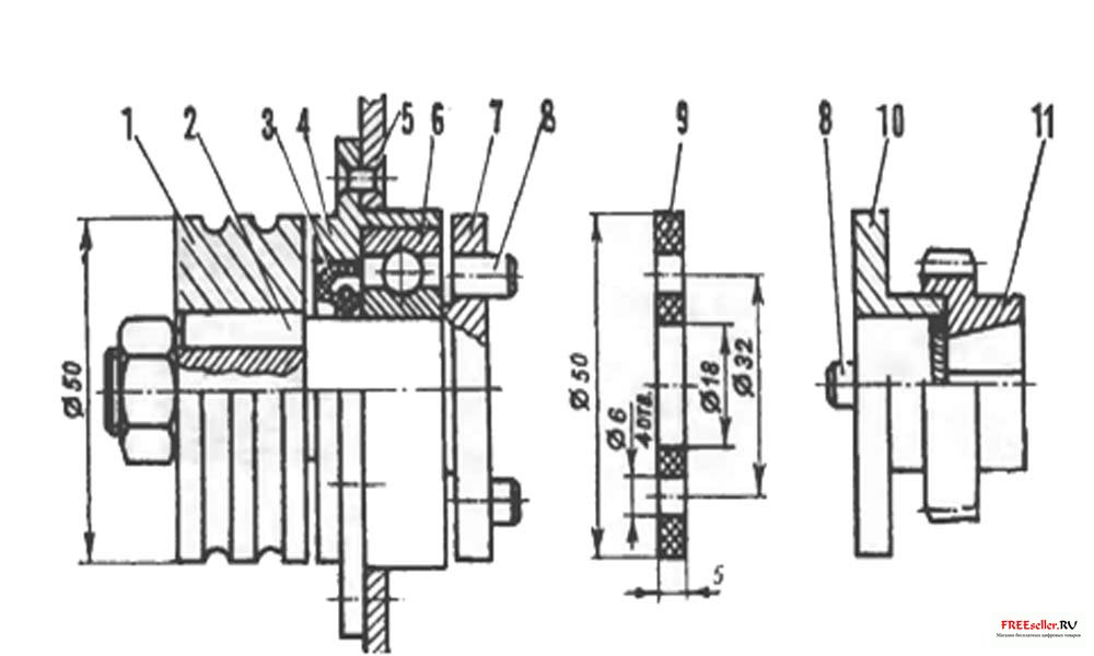
Двигатель целиком от М-105. Так как головка цилиндра находится под капотом, то условия охлаждения ее иные, нежели на мотоцикле. Поэтому понадобился вентилятор, чтобы принудительно отбирать у головки излишки тепла. Для этого к малой ведущей шестерне коробки передач приварили полумуфту привода вентилятора.
Рис. 4. Привод вентилятора самодельного мотороллера:
1 - ведущий шкив, 2 - шпонка, 3 - манжета, 4 - корпус, 5 - стенка коробки передач, 6 - подшипник № 204, 7 - диск левой полумуфты с валом, 8 - штифты (4 шт.), 9 - текстолитовая шайба, 10 - правая полумуфта, 11 - шестерня коробки передач.
Рис. 5. Вентилятор самодельного мотороллера:
1 - ведомый шкив, 2 - вал, 3 - подшипники № 201, 4 -корпус, 5 - крыльчатка (слева - ее заготовка).
Другую полумуфту с валом и подшипниками установили в стенке корпуса коробки. На внешнем конце вала закрепили ведущий шкив. Двумя пассиками (уплотнительными кольцами тракторного двигателя) соединили его с расположенным выше ведомым шкивом, на валу которого находится дюралюминиевая крыльчатка вентилятора - как раз напротив головки цилиндра. Чтобы ее ребра охлаждались лучше, она повернута вправо на 90° (на работе цилиндра это не сказывается). Отработанные газы выводятся через выхлопную трубу и глушитель, взятые от мотоцикла М-105. Как и многие другие детали, они укорочены по месту.
Системы зажигания и управления двигателем оставлены без изменения. Только педаль переключения передач, вынесенная вперед на пол перед капотом, соединена с коробкой передач тягой из трубы диаметром16 мм.
Топливо в карбюратор подается вакуумным насосом от лодочного мотора «Вихрь». Разрежение создается в продувочном канале двигателя, в который ввернут штуцер, соединенный шлангом с диафрагмой насоса. От него топливо поступает в расходный бачок (рис. 6), расположенный на раме. Из бачка топливо идет в карбюратор, а излишки сливаются назад в бак.
Рис. 6. Расходный бачок самодельного мотороллера:
1 - штуцер «от насоса», 2 - штуцер «к карбюратору», 3 - штуцер слива излишков топлива в бак, 4 - приливы для крепления.
Рама коляски (рис. 7) сварена из дюймовых стальных труб и крепится к раме мотороллера в трех точках. Одна из них тяга - отрезок трубы, в торцы которой заделаны гайки М18 х 1,5 и ввернуты болты с проушинами. В середину рамы вварена половина передней подвески колеса мотоколяски СЗА. Упругим элементом здесь служит торсион, пропущенный сквозь трубу. Одни конец его имеет рычаг подвески, другой заделан.
Рис. 7. Рама коляски самодельного мотороллера:
1, 10 - кронштейн крепления к мотороллеру, 2 - передняя опора люльки, 3 - люлька, 4 - подножка, 5 - труба с торсионом, 6 - рычаг подвески колеса, 7 - ось под верхнюю головки амортизатора колеса, 8 - опоры пружин, 9 - кронштейн крепления глушителя, 11 - ухо крепления тяги коляски.
Люлька коляски контактирует с рамой передней опорой и двумя спиральными пружинами сзади. Ушки передней опоры с вилками на раме соединены через конические резиновые втулки болтами. Корпус люльки сделан из четырех передних и четырех задних крыльев старого кузова «Жигулей». Обтекатель - из переднего капота мотоколяски СЗА. Соединяли детали, отбортовав края газовой сваркой. Потом зачищали, грунтовали, шпаклевали и красили. Сиденья как в люльке, так и на мотороллере переделали из сидений «Москвича-412».За спиной сиденья в люльке расположен топливный бак размером 320 х 200 х 80 мм емкостью пять литров. Его горловина от «Москвича-408» выведена на заднюю стенку люльки и закрыта крышкой. Топливо к насосу и обратно - из расходного бачка - идет по двум бензостойким шлангам.
Все оси и ступицы колес (рис. 8, 9 и 10) - стальные, выточены на токарном станке.
Подвеска рулевого колеса простая. Разве, что рулевая вилка, соединенная с маятниковой, через резиновые втулки - амортизаторы.

Рис. 8. Ступица переднего колеса самодельного мотороллера:
1 - ось, 2 - подшипники № 202, 3 - ступица, 4 - диск колеса, 5 - опорная втулка маятниковой вилки, 6 - головка амортизатора.
Гораздо сложнее подвеска заднего, ведущего колеса. Ось его может перемещаться в пазах маятниковой вилки винтами, натягивающими цепь от мотоцикла М-104. К ступице справа привинчена звездочка от «Верховины», слева тормозной барабан от «Вятки».
Рис. 9. Ступица заднего колеса (вал с тормозным диском не показан) самодельного мотороллера:
1 - подшипники № 203, 2 - ступица, 3 тормозной барабан, 4 - диск колеса, 5 - звездочка.
Рис. 10. Ступица колеса коляски самодельного мотороллера:
1 - заглушка, 2 - ось, 3 - подшипники № 203, 4 - диск колеса, 5 - рычаг подвески, 6 - головка амортизатора.
В подвеске колеса прицепной коляски применен амортизатор от мотоцикла «Восход». Нижний конец торсиона закреплен на оси колеса, верхний - на специальной оси, вынесенной на Л-образной стойке на 90 мм выше плоскости рамы коляски.
Как видите, новую машину можно сделать фактически из утиля. Если приложить руки и смекалку.
К.А. Ремеза, г. Слонима, Беларусь