
Этот станочек-«универсал» поможет заточить инструмент, отшлифовать поверхности деталей, разрезать материал, фрезеровать фальцы, пазы и... много что еще. У него всего два основных узла — электромотор с насаженным на конец его вала патроном под сверла диаметром 1-16 мм и поворотный регулируемый по высоте столик.
Для станочка подходит асинхронный двигатель на напряжение 220-380 В мощностью от 0,6 до 1,5 кВт при скорости вращения вала 2800 об/мин. Важно, чтобы «вылет» вала имел длину, достаточную для крепления сверлильного патрона. Обработать вал можно и в домашних условиях, для чего конец вала предварительно грубо обточите на наждаке (или напильником) до диаметра несколько большего, чем диаметр посадочного отверстия патрона. Затем включив мотор, напильником понемногу затачивайте вал на конус. На остановленном моторе проверяйте обработку по синьке, нанесенной на конус патрона. Когда патрон наденется на вал хотя бы не полностью, начните контролировать и его биение, зажав в него прямой стержень. При отсутствии специальной краски, необходимой для этих процедур, приготовьте ее, растерев сухую синьку. в машинном масле.
Окончательную подгонку патрона сделайте на остановленном двигателе мелким надфилем и притирочной пастой. Если пасты нет, ее можно приготовить, смыв немного абразива с наждачной бумаги. После просушки абразив слегка разведите маслом.
В центре вала двигателя просверлите отверстие и нарежьте резьбу М5 и М6. Для страховки от самопроизвольного сползания с конуса из-за вибрации закрепите патрон винтом с потайной головкой.
Общая компоновка станочка (рис. 1) позволяет размещать обрабатываемую деталь на разной высоте и под различными углами по отношению к рабочему инструменту. Стол (рис. 2) крепится к раме (рис. 3) двумя болтами, а планки (рис. 4), скрепленные болтом, фиксируются на столе двумя скобами. Раму собирают из шести металлических уголков сечением 25x25 мм и одного сечением 40x40 мм. Все они длиной 300 им соединены сваркой. Столешница может быть металлической, из пластика, толстой фанеры или доски.
Для установки в патрон рабочего инструмента (наждачные и отрезные круга, пилы, фрезы, шкивы и т.п.), необходимо изготовить оправку (рис. 5) и переходные втулки (рис 6) Посадочные места у этой оснастки совершено одинаковые.
Переходной конус Морзе (рис. 7), проточенный в хвостовой части под сверлильный патрон, позволит использовать инструменты с коническими хвостовиками. Для обработки внутренних полостей примените патрон, в который можно зажать сверла, шарошки, шлифовальные головки.
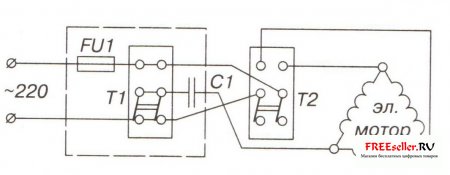
Трехфазный электродвигатель нужно включать в сеть, используя фазосдвигающий конденсатор (МБМ) на напряжение не менее 400-600 В. Емкость его выбирают из расчета 9-10 мкФ на 100 Вт мощности используемого в станке двигателя. Электрическая схема включения (рис. 8) позволяет с помощью переключателя Е1 изменять направление вращаемого вала.
Выключатель Т2 включает и выключает напряжение, и его нужно установить в непосредственной близости к двигателю. При мощности привода до 1 кВт в качестве Т1 и Т2 можно применять тумблеры ТПТ-2.