
Схема прибора для измерения толщины лакокрасочного покрытия автомобиля предназначен для примерного определения толщины лакокрасочного покрытия на изделиях из чёрного металла. Он пригоден, например, для обнаружения скрытых повреждений на кузове автомобиля. Диапазон измерения толщины покрытия составляет 0,05...1 мм, что позволяет при сравнении двух деталей автомобиля убедиться в разной толщине покрытия, а значит, выявить заделанные шпатлёвкой или стеклотканью вмятины и повреждения, а также обнаружить залужённые участки кузова. Кроме того, технология окраски требует нанесения различных покрытий, скажем, грунтовки, толщину которых нетрудно проконтролировать предлагаемым прибором.
Рис.1. Трансформатор прибора для измерения толщины лакокрасочного покрытия автомобиля.
Принцип действия прибора прост (рис. 1). Если у трансформатора, магнитопровод которого собран "встык", удалить замыкающие пластины, а вместо них приближать к Ш-образным пластинам ферромагнитный материал, напряжение на вторичной обмотке будет увеличиваться и станет максимальным, когда материал практически замкнет пластины. Как было установлено опытным путём, наибольшая чувствительность такого датчика лежит в указанных выше пределах при условии, что на первичную обмотку поступает напряжение частотой 30...50 Гц. ![]()
Рис.2. Принципиальная схема прибора для измерения толщины лакокрасочного покрытия автомобиля.
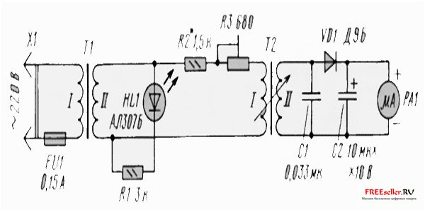
Прибор питается от сети переменного тока через понижающий трансформатор Т1 (рис. 2). Индикатор включения - светодиод HL1, ток через который ограничивает резистор R1. Напряжение со вторичной обмотки трансформатора подается через резисторы R2, R3 на первичную обмотку трансформатора Т2 - датчика прибора. Со вторичной обмотки напряжение поступает на выпрямитель, выполненный на диоде VD1. В зависимости от толщины лакокрасочного покрытия будет изменяться значение выпрямленного напряжения. Толщину определяют по отклонению стрелки индикатора РА1. На условный нуль отсчёта её устанавливают переменным резистором R3.
Трансформатор Т1 - любой малогабаритный, мощностью около 5 Вт с напряжением на вторичной обмотке 10...12 В, светодиод - любой из серии АЛ307, диод - серии Д9 либо маломощный выпрямительный, резисторы и конденсаторы - любого типа, стрелочный индикатор - с током полного отклонения стрелки 50 мкА.
Рис.3. Корпус прибора для измерения толщины лакокрасочного покрытия автомобиля.
Трансформатор Т2 - самодельный, его выполняют на магнитопроводе Ш12x14, обмотка I содержит 200, а II - 2000 витков провода ПЭВ-1 0,12. При сборке магнитопровода замыкающие пластины не устанавливают. Вместе с конденсаторами и диодом трансформатор размещают в пластмассовом корпусе подходящих габаритов (рис. 3), который после предварительного налаживания заливают эпоксидным клеем. Когда клей затвердеет, рабочую поверхность датчика зачищают наждачной бумагой до получения гладкой поверхности. Остальные детали укрепляют в другом пластма
ссовом корпусе, а на его задней стенке располагают калибровочную металлическую пластину из магнитомягкого материала.
Налаживание прибора до заливки в корпус сводится к подбору конденсатора С1 для получения максимальной чувствительности - наибольшей разности показаний индикатора, при прижатой к датчику калибровочной пластины и удалённой. Далее подбирают резистор R2 такого сопротивления, чтобы при прижатой пластине и примерно среднем положении движка подстроечного резистора стрелка индикатора отклонилась на конечное деление шкалы - нуль отсчёта. Калибровать прибор удобно с помощью денежных купюр, вкладываемых между датчиком и пластиной. Зная толщину новой купюры (0,1 мм), нетрудно нанести значения толщины на шкалу индикатора либо составить калибровочную таблицу. Следует учесть, что шкала прибора неравномерная, а при отсутствии металла вблизи датчика стрелка индикатора отклоняется примерно на пятую часть шкалы.
А. Бельский, г. Королев Московской обл.