
Самодельная складная ручная тележка пригодиться для перевозки любых хозяйственных грузов в пределах 50 кг. А возможно, и больше.
Предлагаем вашему вниманию чертежи для изготовления самодельной тележки для ручной перевозки грузов, у тележки все складывается, что делает ее компактной. Хранение также удобно: она просто висит на стене. Несколько вариантов откидных и раздвижных узлов, фиксирующихся в рабочем и сложенном положении, было изготовлено в металле. Самым надежным оказался последний.
При изготовлении упора не советую делать его из трубы с толщиной стенки менее 2 мм, поскольку при поездке в автобусе на крутых поворотах его просто скручивает боковой нагрузкой.
Чтобы сделать рамки, сначала нужно вычертить на бумаге шаблон в натуральную величину и им же воспользоваться как плазом при сгибании труб. При стыковке элементов тележки детали следует сначала прихватывать друг к другу двумя-тремя точками, а затем сваривать окончательно, в противном случае раму «поведет», а рихтовка может существенно нарушить ее внешний вид.
Сварка откидной грузовой площадки производится в следующем порядке: втулки шарнира надеваются на оправку - стержень 0 15 мм, прихватываются сваркой к рамке площадки, а затем окончательно привариваются. После этого втулки рамы тележки с помощью оправки - металлического стержня с длиной и диаметром как у оси - прихватывают к основной раме тележки, проверяют узлы на легкость вращения и производят окончательную сварку. Все швы и заусенцы тщательно зачищаются и наполировываются. Следует заметить, что складная тележка конструировалась в расчете на колеса 0 160 мм. Соответственно, если они окажутся больше или меньше этого размера, придется доработать полуоси.
При сгибании заготовок для рамы использовался ручной трубогиб с диаметрами роликов 30 мм
Рис. 1 Универсальная складная тележка: 1 - выдвижная ручка (изображена в убранном положении), 2 - втулка выдвижной ручки, 3 - рама тележки, 4 - поперечины рамы, 5 - колесо, в - откидной упор, 7 - грузовая площадка, 8 - поперечины площадки, 9 - цепь-фиксатор, 10 - ось, 11 - втулка грузовой площадки, 12 -втулка рамы.
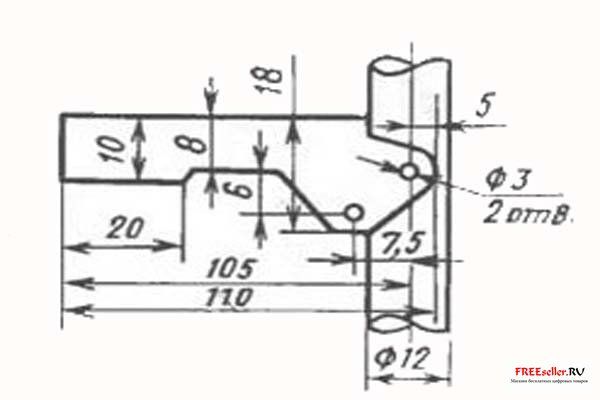
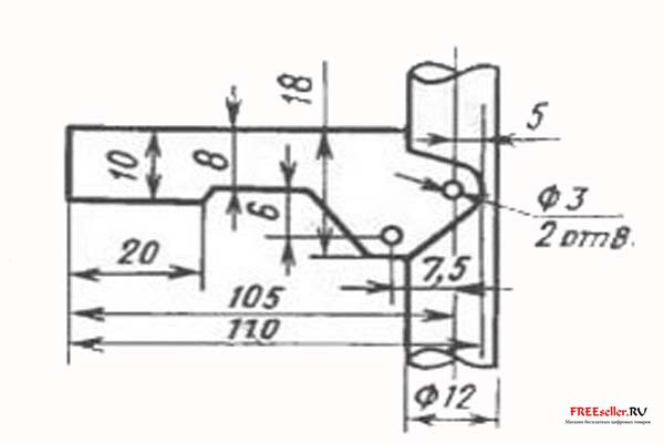
Рис. 2. Конструкция выдвижной ручки.
Рис. 3. Устройство откидного упора.