
Телевизионное вещание на дециметровых волнах (ДМВ) получило широкое распространение, как за рубежом, так и в нашей стране. Диапазон ДМВ (470-1270 МГц) охватывает 80 телевизионных каналов (с 21 по 100) и имеет низкий уровень шумов и помех, что позволяет вести в нем многопрограммное высококачественное вещание.
Телеприем ДМВ имеет ряд особенностей:
1. ДМВ практически не огибает земную поверхность и обладают низкой проникающей способностью, поэтому зона уверенного приема ограничивается прямой видимостью между передающей и приемной антеннами.
2. В то же время ДМВ хорошо отражаются от земной поверхности и от ионизированных слоев атмосферы. Это делает возможным прием на значительном (300-500 км) удалении от телецентра. При этом прохождение ДМВ достаточно стабильно и не имеет замираний свойственных метровым волнам (MB).
3. Характерной особенностью ДМВ является так называемое волновое распространение, при котором сигнал может быть принят на расстоянии до нескольких тыс. км от телецентра. Оно имеет место над морской поверхностью в ясные дни весенних и летних месяцев.
4. Приемные антенны ДМВ имеют значительно меньше чем антенны MB геометрические размеры. При этом мала их эффективная площадь, а следовательно, и мощность сигнала, подаваемого на вход телеприемника.
5. Чувствительность телеприемников в диапазоне ДМВ значительно ниже, чем в диапазоне MB, что связано с плохими шумовыми параметрами селектора ДМВ.
Анализ перечисленных особенностей показывает принципиальную возможность дальнего и сверхдальнего приема телевидения в диапазоне ДМВ и два основных пути его реализации. Это - повышение эффективности антенной системы и реальной (ограниченной шумами) чувствительности телеприемника. Возможности повышения коэффициента усиления антенн ДМВ на практике ограничены сложностью их конструкции и согласования с фидером.
Увеличение чувствительности телеприемника требует переделки селектора ДМВ и обычно не дает желаемых результатов. Дело в том, что в диапазоне ДМВ велико затухание сигнала в кабеле, и при использовании антенн с малым усилением не удается получить на входе телеприемника существенного выигрыша в соотношении сигнал-шум.
Наиболее оптимальным путем является использование конструктивно простой антенны с усилителем, расположенным в непосредственной близости от неё. В этом случае возможно одновременное повышение и эффективности антенны и чувствительности телеприемника без его переделки.
Антенный усилитель должен иметь большой коэффициент усиления, малый коэффициент шума, широкий диапазон рабочих температур. При этом он должен быть несложен по конструкции, собран из доступных деталей, прост в настройке и несклонен к самовозбуждению.
В результате многолетних теоретических и экспериментальных исследований нам удалось создать оптимальную по перечисленным требованиям схему и конструкцию усилителя ДМВ. не имеющего промышленных и любительских аналогов
1. Антенный усилитель диапазона ДМВ.
Параметры и схема усилителя:
Усилитель обладает следующими параметрами:
Режимы транзисторов по постоянному току задаются резисторами R1 и R5 так, чтобы получить оптимальные значения коллекторных токов I1 и I2 транзисторов VT1 и VT2. Ток I1 выбирается из условия получения минимального коэффициента шума первого каскада, а I2 - из условия получения максимального усиления второго каскада.
Детали и конструкция усилителя.
Все резисторы усилителя МЛТ-0,125. Конденсаторы С1, С2, С4- С7, С9, С10 - малогабаритные дисковые (типов КД, КД-1 и т.п.); СЗ, С8 и С11 - типа КМ-5б, КМ-6 и т.п.
Все катушки усилителя бескаркасные. Катушка L1 содержит 2,75 витка посеребренного провода диаметром 0,4-0,8 мм, её наружный диаметр 4 мм, межвитковое расстояние - 0,5 мм. Катушки L2- L5 представляют собой выводы резисторов R2 и R5, намотанные на оправку диаметром 1,5 мм, так чтобы межвитковое расстояние составляло 0,5 мм, и содержит по 1,5 витка. Направления намоток L2, L3 и L4, L5 должны быть одинаковы (т.е., например, L2 и L3 представляют собой катушку из 3-х витков, в разрыв которой включен резистор R2). Катушка L6 содержит 15-20 витков медного эмалированного провода диаметром 0,3 мм, намотанных виток к витку на оправку диаметром 3 мм. Дроссель L7 - стандартный типа ДМ-0,1 с индуктивностью более 20 мкГн. Стабилитрон VD1 - любой с напряжением стабилизации 5,5-7,5 в.
В усилителе могут быть использованы СВЧ малошумящие транзисторы с граничной частотой fгр. более 2 ГГц. Если усилитель будет работать в диапазоне 21-60 каналов, то можно применять транзисторы с fгр. более ГГц, а если - только в диапазоне 21-40 каналов, то - с fгр. более 800 МГц. при этом необходимо в первый каскад ставить транзистор с меньшим коэффициентом шума, а во второй - с большим коэффициентом усиления. В табл. 1 приведены параметры транзисторов, которые можно использовать в усилителе. Транзисторы расположены в порядке ухудшения параметров.
Не рекомендуется применять транзисторы КТ372 из-за их склонности к самовозбуждению и ГТ346 - из-за плохих шумовых параметров. Если используются р-п-р транзисторы, то необходимо изменить полярность источника питания усилителя.
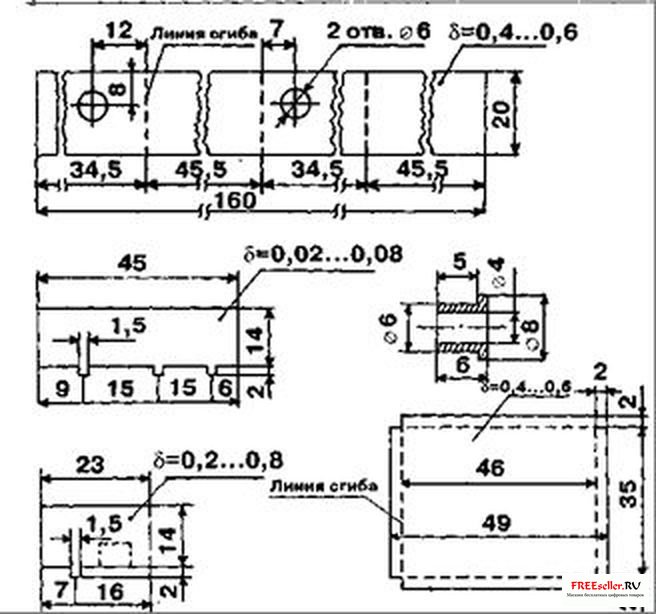
Усилитель собран на печатной плате из фольгированного стеклотекстолита толщиной 1-1,5 мм. Рисунок печатной платы и схема монтажа деталей на ней приведены на рис. 2. Плата рассчитана на использование транзисторов с планарными выводами (КТ3132, КТ3101, КТ391 и т.п.), которые припаиваются непосредственно к контактным площадкам со стороны фольги. Однако она допускает и монтаж транзисторов с другим расположением выводов (КТ399, КТ3128 и т.п.), но со стороны монтажа, для чего необходимо просверлить в плате соответствующие отверстия под выводы (см. ниже).
Выводы транзисторов должны иметь минимальную длину, особенно вывод эмиттера, который не должен превышать 4 мм. Выводы конденсаторов С4, С5, С7 и С10 должны быть не более 4 мм, а конденсаторы С1, С2, С6 и С9 - составлять 4-6 мм (они являются дополнительными индуктивностями, включёнными в контура). Одни из выводов конденсаторов С1 и С2 впаяны в плату, а другие - припаяны непосредственно к центральной жиле входного коаксиального кабеля. Конденсаторы С6 и С9 одним концом припаяны к очищенным от краски головкам резисторов R2 и R6. Другой конец С6 в плату, а С9 - припаян к центральной жиле выходного коаксиального кабеля. Конденсатор С2 одним концом впаян в плату, а другим концом припаян к катушке L1 на расстоянии 3/4 витка от верхнего по схеме конца. Резисторы R3, R4, R7 и R8 установлены вертикально.
Печатная плата помещена в прямоугольный герметичный корпус, разделённый на 4 части экранирующими перегородками (рис. 2, 4). Чертежи деталей корпуса приведены на рис. 3. Он состоит и боковой стенки 1, втулки 2, перегородки 3, 4 и крышек 5. Детали 1, 3, 4 и 5 изготовляют из листовой латуни (удобно использовать отожженную над газовой горелкой пластину фотоглянцевателя), детали 2 вытачиваются из латунного прутка. Втулки 2 рассчитаны на то, что вход и выход усилителя выполнены 75-омным коаксиальным кабелем с наружным диаметром по изоляции 4 мм. Можно использовать другой 75-омный кабель, но в этом случае необходимо соответственно изменить диаметры втулок 2 и отверстий в стенке корпуса 1.
Разделительный фильтр питания L7, С12, С13 монтируют в отдельной коробочке произвольной конструкции, на которой устанавливают входное антенное гнездо и выходной антенный штекер.
Питать усилитель можно от любого стабилизированного источника 9-12 В, например, от имеющихся в продаже блоков питания транзисторных приемников БП9В, Д2-15 и т.п.
Можно также смонтировать элементы фильтра внутри телевизора рядом с антенным входом ДМВ, а для питания усилителя использовать напряжение 12 В с селектора ДМВ.
Монтаж и настройка усилителя.
Собирают усилитель в следующей последовательности. Монтируют на плате все элементы кроме резисторов R1 и R5. Если используются транзисторы не с планарными выводам, то для них сверлят в плате отверстия, а в перегородках 4 делаются прямоугольные вырезы (на рис. 3 показаны штриховой линией). В плату впаиваются соответствующими выступами перегородки 3 и 4. Сгибают и спаивают боковую стенку корпуса 1. В неё герметично впаивают втулку 2. Входной 7 и выходной 8 коаксиальные кабели длиной по 80 см вставляют в отверстия втулок, оплетку разделяют на 2 части и припаивают к корпусу изнутри. Центральная жила кабелей должна выступать внутрь корпуса на 3-4 мм. Вставляют плату в корпус, так чтобы кромки перегородок 3, 4 и кромка стенки 1 лежали в одной плоскости (рис. 4), и пропаивают стыки перегородок между собой и корпусом. Кроме того в 10-ти точках припаивают нечетную плату к стенке 1. Места пайки показаны на рис. 2 и рис. 4. Припаиваются к центральным жилам кабелей элементы С1, L1 и С9, L6. Внимательно сверяют рис. 1, 2 и 4 правильности монтажа.
Далее производят настройку усилителя. Для этого по выходному кабелю 8 подают на усилитель питание. Измеряя напряжение U1 на резисторе R3 подбором резистора R1 устанавливают значение тока I1 ( I1 = U1/R3 ) в соответствии с табл. 1 для транзистора первого каскада. Впаивают в плату подобранный резистор R1. Аналогичную процедуру проделывают для второго каскада, измеряя напряжение U2 на резисторе R7 и устанавливая ток I2 = U2/R7 в соответствии с табл. 1. Впаивают резистор R5. На рис. 1 величины R1 и R5 даны ориентировочно, реально они могут значительно отличаться от указанных. Проверяют отсутствие самовозбуждения усилителя. Для этого подключают параллельно R3 вольтметр и касаются пальцем вывода коллектора транзистора VT1. Если первый каскад не возбуждается, то показание вольтметра не изменится. Аналогично проверяют второй каскад. Устранить самовозбуждение (о его наличии свидетельствует резкое уменьшение тока транзистора при его касании пальцем) можно лишь заменой транзистора. Следует отметить, что усилитель не склонен к самовозбуждению - из нескольких десятков изготовленных усилителей возбуждался лишь один, собранный на транзисторах КТ372А. Проверяют потребляемый усилителем ток, которых должный быть равен: I1 + I2 = 10 мА; при необходимости подбирают резистор R8, так чтобы ток через стабилитрон VD1 составлял около 10 мА. Заключительной операцией является герметизация усилителя. Для этого крышки 5 пропаивают по периметру корпуса, а места ввода коаксиального кабеля дополнительно промазываю каким-либо герметиком, водостойким клеем и т.п. Затем усилитель крепят к мачте антенн.
2. Антенна ДМВ
Как указывалось выше, добиваться очень большого коэффициента усиления антенны ДМВ не имеет смысла, поскольку это ведет к неоправданному усложнению её конструкции. Однако и рассчитывать на дальний прием с малоэффективной антенной тоже не приходится.
Опыт конструирования и использования антенн ДМВ показывает, что наиболее простой и в то же время весьма эффективной является Z-антенна с рефлектором. Её отличительными особенностями является широкополостность, большой коэффициент усиления, хорошее согласование непосредственно с 75-омным коаксиальным кабелем и некритичность размеров.
Конструкция антенны для 21-60 каналов показана на рис. 5. Если антенна будет использоваться в диапазоне 61-100 каналов, то все её размеры необходимо уменьшить в 1,5 раза. Активное полотно 1 антенны изготавливается из алюминиевых полос и скрепляется «внахлест» винтами с гайками. В точках соприкосновения пластин должен быть надежный электрический контакт. На матче 6 (она может быть металлической или деревянной) полотно закрепляется при помощи стоек-опор 2 в точках С и D. Поскольку эти точки имеют нулевой относительно земли потенциал, то стойки 2 могут быть металлическими. Кабель 3 подсоединяется к точкам А и В (оплетка - к одной точке, а жила - к другой) и прокладывается вдоль полотна по нижней стойке 2 и по матче 6 к усилителю 7. Закрепляется кабель проволочными хомутиками. Полотно 1 может быть само по себе использовано как антенна. Её коэффициент усиления составляет 6-8 дБ. Однако лучше снабдить полотно рефлектором.
Простейший рефлектор 4 (рис. 5б) представляет собой плоский экран, изготовленный из трубок или отрезков толстого провода. Диаметр элементов рефлектора некритичен и может быть 3-10 мм. Антенна с плоским рефлектором имеет коэффициент усиления 8-10 дБ. Поднять коэффициент усиления до 15 дБ (эквивалентно 40-элементной антенне «волновой канал») позволяет сложный рефлектор типа «полуразвалившийся короб» (рис. 5в). Конструктивное исполнение такого рефлектора может быть самым различным, в зависимости от Ваших возможностей.
Пространственная ориентация антенны, изображённая на рис. 5 соответствует приему сигналов с горизонтальной поляризацией. Для приема вертикально-поляризованных сигналов необходимо полотно и рефлектор повернуть на 90°.
Усилитель ДМВ располагают в непосредственной близости от антенны (см. рис. 5). Вход усилителя с полотном антенны соединяют тем же кабелем, что заделан в усилитель. Входной кабель усилителя наращивают кабелем снижения. Желательно, чтобы он был как можно большего диаметра (от этого зависят потери в кабеле), использовать кабель диаметром 4 мм можно лишь в том случае, если его длина не превышает 10 м.
Соединения кабелей должно выполняться «ветик», так чтобы минимальным образом нарушалась коаксиальная структура фидера.
Если нет возможности изготовить описанную антенну, то усилитель может быть с несколько худшими результатами использован с промышленными наружными широкополосными антеннами ДМВ, например, типа, АТНГ(В)-5.2.21-41 (торговое название «ГАММА-1»).
Установка антенны определяется тем, на какой тип прохождения ДМВ вы рассчитываете. Если необходимо вести прием непосредственно за зоной обслуживания телецентра (60-200 км), то антенну следует установить так, чтобы в направлении прихода сигналов между ней и линией горизонта не было препятствий (дома, холмы и т.п.). Если же Вы ориентируетесь на сверхдальний прием при тропосферном или волновом распространении (при этом сигнал приходит «с неба» под углом 5-10° к горизонту), то не очень близко расположенные препятствия обычно помехой не является.
ЗАКЛЮЧЕНИЕ
В заключение несколько слов о практических результатах приема ДМВ. Изготовление по прилагаемому описанию антенны с усилителем в течение нескольких лет использовался в г. Одессе для регулярного приема сигналов Кишиневского телецентра (расстояние - 160 км). За городом, в зоне радиотени для MB телецентра, уверенно принимаются сигналы маломощных ДМВ ретрансляторов, находящихся на противоположной стороне Одесского залива (расстояние - 60-80 км). В ясные дни весенних и летних месяцев с хорошим качеством ведется прием болгарской программы БТ2 из Варны (расстояние - 500 км) и турецкой программы TV2 из Стамбула (расстояние более 600 км).