
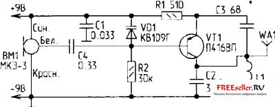
Самодельный очень простой жучок.
Эта наиболее простая и распространенная схема жука, которую можно встретить в Интернете. Отличается простотой сборки и настройки, малыми размерами, а также своей не очень высокой стабильностью. Но для новичков я бы рекомендовал именно ее.
Все используемые мной детали были в SMD корпусах (Размер 0805) Для начала советую взять в корпусе 1206.

Между плюсом и минусом питания(параллельно батарейки) советую поставить конденсатор емкостью 0.01 мкф.
Катушка имеет 5-6 витков проводом диаметром 0.5мм, на оправке диаметром 4-5 мм (возьмите стержень от гелевой ручки).
Питание от 4.5в до 9в.
Антенна - кусок провода, длиной 40 см. Микрофон от китайского магнитофона, или вообще любой китайский.
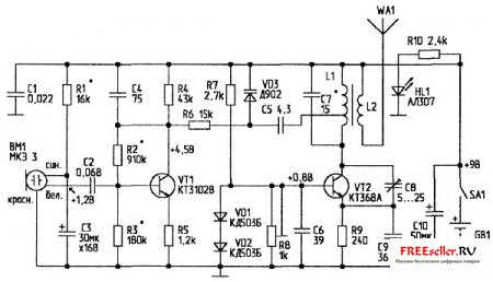
Детали на плате слева на право
R 10к, R 100к, R 10к, R 10к, C 10н, C 15пф, С 0.1мк, С 0.1мк, КТ368а9, С 15пф, КТ3130а9, R 3к, С 75пф, R 100.
Настройка самодельного жучка
Настройте приемник на примерно 96 мгц. Подключите питание (ИСПОЛЬЗУЙТЕ БАТАРЕЙКУ крона или аналогичную !!! Не китайский блок питания ). Покрутите ручку настройки приемника.
Если себя плохо слышите
1) Поищите ещ;
2) пожимайте/ порастягивайте катушку.
Если при включении передатчика в приемнике не слышно изменений вероятно
1) ошибочный монтаж;
2) неисправен второй транзистор.
Если слышно, но плохо, то
1) подберите вместо резистора (на плате в верхнем левом углу 10к) другой;
2) нужно заменить первый транзистор.
Самодельный жучок собранный по схеме должен получиться очень маленьким, если Вы хотите сделать его еще меньше используйте более маленький микрофон, но из-за размеров батарейки типа: "Крона" его размер сильно таки и не уменьшишь.
