Бюджетный ремонт компьютерного кресла

  • Опубликовано: 17 февраля 2016

Бюджетный ремонт компьютерного кресла


Самостоятельный и совершенно бесплатный ремонт компьютерного кресла, заключающийся в замене пластиковой втулки удерживающей цилиндр газлифта, на деревянную втулку, изготовленную своими руками.


Привет всем любителям самоделок!

 

На днях у меня сломалось домашнее компьютерное кресло.

Хотя кресло это уже староватое (ему уже около шести лет), тем не менее, до сей поры, оно служило мне и членам моей семьи, достаточно исправно. Тем более что примерно раз в полгода, я проводил профилактику, заключающуюся в подтягивании всех резьбовых элементов, а также смазывании трущихся частей (в первую очередь - подшипника на конце штока газлифта).

Однако некоторое время назад, я почувствовал, что кресло стало болтаться и раскачиваться из стороны в сторону, причем чем дальше, тем сильнее.

Разобрав его, я увидел, что пластиковая втулка, которая стоит в верхней части наружной трубы газлифта и служит для центрирования и фиксации цилиндра газлифта, сильно потрескалась, и от нее даже отвалилось несколько кусков.

Когда же я стал ее вытаскивать, то часть втулки, которая непосредственно вставлялась в наружную трубу газлифта, вообще развалилась на куски, так что целым остался лишь обод, то есть самая верхняя часть данной втулки.

 

Бюджетный ремонт компьютерного креслаБюджетный ремонт компьютерного кресла

Естественно, что я тут же стал смотреть в Интернете, не продаются ли такие втулки среди запчастей для компьютерных кресел. Однако оказалось, что такие мелкие детали как втулки, отдельно не продаются (по крайней мере, я таких нигде не нашел).

Тем не менее, покупать газлифт целиком, мне не хотелось, поскольку, на моем кресле, газлифт работает еще достаточно хорошо и без всяких нареканий.

Поэтому решил изготовить такую втулку самостоятельно.

Для начала конечно, хотел найти какую-нибудь похожую пластиковую втулку, однако не найдя такой, решил изготовить втулку из дерева. Для этого лучше всего подойдет древесина березы, она достаточно прочная и хорошо обрабатывается.

Однако тут проблема состояла в том, что такая втулка - ярко выраженное тело вращение, поэтому ее лучше всего изготавливать на токарном станке.

 

У меня же, токарного станка нет, а использовать для этого дрель, тоже было бы проблематично, поскольку деталь достаточно сложная - нужно обрабатывать не только наружную поверхность заготовки, но и внутреннюю (отверстие втулки).

В итоге, я решил пойти другим путем и практически всю втулку изготовить при помощи кольцевых пил (или коронок) по дереву.

И тут надо сказать, что мне очень повезло, поскольку измерив, внутренний диаметр трубки, в которую вставляется втулка (он равен 48 мм.), а также наружный диаметр цилиндра газлифта, который будет вставляться в эту втулку (он равен 28 мм.), я смог подобрать кольцевые пилы, практически идеально подходящие для выпиливания указанных диаметров!

 

Итак, для того чтобы изготовить упомянутую втулку, мне понадобились следующие принадлежности:

 

Материалы и крепежные элементы:

 

- Отрезок толстого, хорошо просушенного сука от березы, диаметром 6-7 см, и длиной около 50 см.
- Четыре мелких шурупа 3,5х10 мм.

 

Основные инструменты:

 

  • Чертежный и мерительный инструмент (карандаш, угольник и штангенциркуль).
  • Шило.
  • Ручная пила по дереву.
  • Электродрель-шуруповерт (лучше две электродрели).
  • Сверло по металлу диаметром 4 мм.
  • Кольцевая пила по дереву диаметром 29 мм.
  • Кольцевая пила по дереву диаметром 51 мм.
  • Перовое сверло по дереву диаметром 25 мм.
  • Струбцина.
  • Наждачная бумага.

 

Бюджетный ремонт компьютерного кресла

 

Надо сказать, что выше я упомянул только самые основные инструменты, но в процессе работы, мне периодически приходилось пользоваться и многими другими инструментами (например, стамесками, ножом, напильником и т.д.), но я не стал их упоминать, иначе получится огромный список инструментов.

 

Процесс изготовления

 

Итак, сначала, если необходимо - обновляем торец у березовой заготовки, отпилив у него небольшую часть пилой. Это кстати можно сделать и электролобзиком, но я специально взял ручную пилу, чтобы лишний раз погреться, поскольку на улице мороз! :e113:

 

Бюджетный ремонт компьютерного кресла

 

Затем откладываем от торца заготовки, примерно 35 мм, (это как раз глубина кольцевой пилы и длина нижней части нашей будущей втулки) и делаем в этом месте пропил по окружности, глубиной примерно 5-6 мм, ручной пилой с мелким зубом.

 

Бюджетный ремонт компьютерного кресла

 

После этого размечаем на торце заготовки центр, зажимаем ее струбциной и делаем вдоль продольной оси заготовки, пропил до упора, с помощью кольцевой пилы диаметром 51 мм, установленной в дрель.

 

Бюджетный ремонт компьютерного кресла

 

Далее, скалываем полукруглой стамеской лишнюю древесину.

 

Бюджетный ремонт компьютерного кресла

 

Теперь также делаем пропил до упора, но уже кольцевой пилой диаметром 29 мм.

 

Бюджетный ремонт компьютерного кресла

 

После этого, вставляем в дрель перовое сверло диаметром 25 мм, и высверливаем им лишнюю древесину из внутреннего пропила.

 

Бюджетный ремонт компьютерного кресла

 

Когда будет выбрана древесина на глубину два-три сантиметра, можно снова делать пропил кольцевой пилой до упора, чтобы углубить внутренне отверстие.

Затем опять убираем лишнюю древесину перовым сверлом. И так делаем несколько раз попеременно, пока у нас глубина внутреннего отверстия не достигнет 4,5-5 см. Кстати, для этих операций лучше использовать две дрели (если есть возможность), чтобы каждый раз не переставлять сверла.

После того, как втулка у нас будет сформирована, можно снять струбцину и произвести чистовую доработку поверхности втулки сначала ножом, а затем наждачной бумагой.

 

Бюджетный ремонт компьютерного креслаБюджетный ремонт компьютерного кресла

Теперь можно отпилить заготовку втулки.

 

Бюджетный ремонт компьютерного кресла

 

Чтобы придать ей более аккуратный вид, можно обрубить лишнюю древесину с верхнего уступа втулки стамеской.

 

Бюджетный ремонт компьютерного кресла

 

Затем проводим окончательную чистовую доработку ножом и наждачной бумагой.

И вот наша втулка готова окончательно!

  Бюджетный ремонт компьютерного кресла

Теперь необходимо произвести небольшую доработку трубки компьютерного кресла, в которую будет вставляться наша втулка, а именно просверлить в ней отверстия под шурупы.

Поэтому сверлом диаметром 4 мм, сверлим в трубке четыре отверстия под шурупы.

 

Бюджетный ремонт компьютерного кресла

 

Затем снимаем фаски, а заодно и заусенцы с этих отверстий сверлом большего диаметра (8-9 мм.).

 

Бюджетный ремонт компьютерного кресла

 

Внутри трубки, заусенцы снимаем при помощи круглого напильника по металлу с мелкой насечкой.

Бюджетный ремонт компьютерного кресла

 

Теперь нужно тщательно очистить трубку от мелкой металлической стружки и можно устанавливать в нее нашу втулку.

Втулку аккуратно забиваем несильными ударами молотка.

 

Бюджетный ремонт компьютерного кресла

 

А затем заворачиваем шурупы в подготовленные отверстия, для дополнительного крепления втулки.

 

Бюджетный ремонт компьютерного кресла

 

Теперь можно собирать компьютерное кресло.

Но прежде, необходимо хорошо смазать пластичной смазкой, упорный подшипник.

 

Бюджетный ремонт компьютерного кресла

 

И, конечно же, внутреннюю поверхность нашей втулки.

 

Бюджетный ремонт компьютерного кресла

 

Ну а теперь, окончательно собираем кресло, то есть, одеваем на шток газлифта подшипник, затем крестовину с трубкой и втулкой одеваем на цилиндр газлифта, устанавливаем наружную шайбу и фиксирующую шайбу-защелку.

 

Бюджетный ремонт компьютерного креслаБюджетный ремонт компьютерного кресла

 

И вот так выглядит наше кресло с новой деревянной втулкой.

 

Бюджетный ремонт компьютерного кресла

 

После испытания кресла, оказалось, что все функционирует нормально, кресло поворачивается, высота подъема кресла, регулируется без проблем, никаких особых люфтов нет.

 

Бюджетный ремонт компьютерного кресла

 

В общем, не знаю, как будет дальше, но пока все работает нормально!

Хотя надо сказать, что теоретически, деревянная втулка по прочности особо не должна уступать пластмассовой. Поэтому надеюсь, что проработает она достаточно долго.

Единственное, на мой взгляд, что с этой втулкой может случиться - она может треснуть. Но думаю, что и в этом случае она не потеряет своей работоспособности, а для ее усиления можно будет просто скрепить ее верхнюю часть хомутом или даже просто покрепче обмотать изолентой.

Ну, впрочем, дальше будет видно!

Ну, а на этом у меня все!

Всем пока и надежных и долговечных самоделок!



5

комментариев

19 389

просмотров

Похожие самоделки

Комментариев 5
  1. сделай мне такую, та же проблема. оплачу. сам никогда такое не смогу сделать
    0
    1. Да в принципе в изготовлении такой втулки ничего сложного нет! Пожалуй самая ответственная операция это высверлить посадочные отверстия во втулке, а для этого просто нужно иметь набор коронок и набор перовых сверл по дереву. smile
      +2
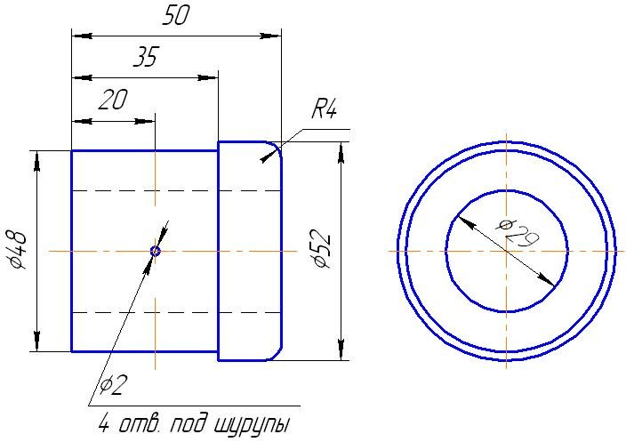
  2. А нету чертежика втулки?
    0
    1. Вот примерный чертеж втулки. Хочу обратить внимание, что самые важные и неизменные размеры, это посадочные диаметры: 48 мм, под трубу крестовины и 29 мм, под цилиндр газлифта. А остальные размеры можно слегка изменять по усмотрению.



      +9
  3. Спасибо, очень круто! Такая же проблема, но сверл больше 10 мм нет.
    Попробую из доски сороковки выпилить втулку диаметром 48 мм и просверлив множество отверстий по кругу - сделать внутренний 29 мм размер.
    Потом на саморезы, как у вас. Шляпу 52 мм над патроном делать-извращаться, конечно не буду.
    0
Имя:*
E-Mail:


Песочница RSSРеклама на сайтеFreeseller.ru - Полезные самоделки
Copyright © 2008-2025