Подсветка дверных ручек Лада Гранта своими руками

  • Опубликовано: 26 июня 2013

Подсветка дверных ручек Лада Гранта своими руками


Как сделать подсветку дверных ручек в салоне автомобиля на примере ВАЗ (Лада гранта) своими руками.


А сделать это просто и доступно любому автолюбителю своими руками.

Многие в свои железные кони вкладывают с свои автомобили много времени. сил и средств, постоянно пытаясь что доработать в нем или улучшить. Лично я после покупки шестой в своей жизни автомобиля немного от этих доработок немного отошел, но самое необходимое все таки решил сделать.

 

Например вот решил сделать светодиодную подсветку дверных ручек. Для чего спросите Вы? А я отвечу, поставил эти светодиодные ручки чтобы не искать в ночное время эти самые дверные ручки мне или моим пассажирам.

 

Процесс установки подсветки

 

Этап 1: Снятие облицовок дверей и ручек

Снимите облицовки дверей, и сами дверные ручки.

 

Этап 2: Установка диодов в дверные ручки

 

Отмечаем на дверных ручках место установки светодиодов и высверливает небольшое отверстие, диаметром около 5 мм во всех ручках.

 

Подсветка дверных ручек Лада Гранта своими рукамиПодсветка дверных ручек Лада Гранта своими рукамиПодсветка дверных ручек Лада Гранта своими руками

 

Я бы рекомендовал использовать специальные цоколи для диодных ламп, чтобы в дальнейшем их замена не обошлась большим геморроем.

 

Подсветка дверных ручек Лада Гранта своими руками

 

Этап 3: Подключение подсветки к электропроводке автомобиля

Подключать подсветку будем к проводам электрических стеклоподъемников. Это и быстро и просто. Включил зажигание - подсветка загорелась выключил - потухла. (При условии, что на вашем авто не установлена перемычка вместо реле стеклоподъемников а также отсутствуют доводчики стекол).

 

Подсветка дверных ручек Лада Гранта своими руками

 

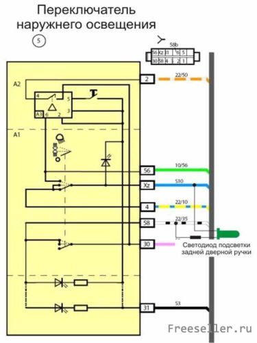
Схемы подключения светодиодов в дверных ручках передних и задних дверей даны ниже, обратите внимание на наличие в схеме резисторов, для защиты диода от перегорания.

Подсветка дверных ручек Лада Гранта своими руками - схема

 

А вот схема подключения подсветки в задних ручках.

 

Подсветка дверных ручек Лада Гранта своими руками - схема

 

Ну и для тех, у кого все таки установлены доводчики стекол и стоит перемычка вместо релюхи в блоке предохранителей.

- Массовый провод можно соединить прямо на корпус самой двери,

+ Плюсовой провод выводим в салон автомобиля через гофру дверной проводки и подключаем его к ISO колодке автомагнитолы (разъем А6), либо к переключателю наружного освещения, ну а для задних дверей можно использовать к примеру контакты подсветки багажника.

 

Подсветка дверных ручек Лада Гранта своими руками - схема

 

Ну и конечно же несколько фоток диодной подсветки после установки.

 

Подсветка дверных ручек Лада Гранта своими рукамиПодсветка дверных ручек Лада Гранта своими рукамиПодсветка дверных ручек Лада Гранта своими руками

Похожие самоделки

Комментариев 1
  1. Проще будем ленту светодиодную приклеить,и сверлить не надо и снять в любой момент можно без последствий.
    0
Имя:*
E-Mail:


Песочница RSSРеклама на сайтеFreeseller.ru - Полезные самоделки
Copyright © 2008-2025