
Конструкция самодельного электрического котла для отопления дом с помощью радиатора. По объему и расходу электроэнергии самодельный котел на самом деле почти не отличается от домашнего прибора.
Действующая модель такого котла среди прочих экспонатов была представлена на Всероссийской выставке технического творчества учащихся, проводившейся на XII Всероссийском слёте юных техников в городе Волгодонске Ростовской области летом 1995 года. А придумал котёл Дмитрий Губернаторов - член кружка "Космическое моделирование" (пос. Гусино Смоленской обл.), где его проект ребята и претворили в жизнь под руководством Николая Ивановича Хлебникова.
По замыслу создателей, котел предназначен для использования в подогревающих устройствах и отопительных системах. С применением батарей, заполняемых водой или маслом, он рассчитан на круглосуточный режим обеспечения теплом 14 - 16 стандартных батарейных регистров.
Потребляемая мощность подогревателя 1 кВт, но автоматика котла обеспечивает экономное расходование электроэнергии, поддерживает уровень заданной температуры жидкости с защитой от перегрева и предотвращает включение котла при ее отсутствии. Простота и надежность конструкции позволяют использовать и обслуживать котел даже малоквалифицированным персоналом на любых объектах. Да еще, кроме отопления помещений, ее можно использовать для разогрева смазочных материалов.
Конструкторы котла использовали стандартный ТЭН заводского изготовления, рассчитанный на напряжение 220 В, вмонтировав его в самодельный корпус (рис. 1). Размеры деталей последнего произвольные, ибо критических значений не имеют. Однако, как показывают расчеты, объём камеры котла следует по возможности свести к минимуму, что будет способствовать наиболее быстрому обмену жидкости в отопительной системе. Этот момент особенно важен для достижения ее максимальной эффективности и экономичности - ведь в больших котлах значительная часть "лишней" воды нагревается зря, что приводит к перерасходу энергии и, следовательно, уменьшению КПД, так как теплообмен с окружающим воздухом происходит в основном у батарей, а отнюдь не у котла!
Рис. 1. Устройство самодельного электрического котла:
1 - плата датчиков; 2 - окно; 3 - фланец; 4 - поплавок; 5 - штуцер; 6 - щиток; 7 - контакты; 8 - ТЭН; 9 - шпилька М6х250; 10 - корпус; 11 - гнездо датчиков; 12 - прокладка; 13 - геркон с нормально замкнутыми контактами; 14 - кольцевой постоянный магнит; 15 - терморезистор R4.
Вообще-то, по теории, котел как таковой и вовсе можно исключить из системы, а вместо него вмонтировать ТЭН прямо в соединительную трубу, как схематично показано на рисунке 2. Данный участок трубы должен быть, разумеется, съёмным - для удобства ремонта, профилактики и обслуживания. Однако при детальном анализе нетрудно прийти к заключению, что и такое устройство представляет собой некое подобие котла, только совсем уж миниатюрного и со своими особенностями. Не будем на них подробно останавливаться - вы их сами обнаружите, внимательно рассмотрев рисунок (не забывайте, что это всего лишь схема). А немножко подумав, легко найдете неоспоримые достоинства и возможные недостатки такой конструкции и увидите, что она практически ничем не отличается от котла Губернаторова-Хлебникова. И подчеркивает, насколько это техническое решение близко к идеалу.
Рис. 2. Идеальная схема отопительной системы с использованием для теплообмена рабочей жидкости, разогреваемой с помощью электроэнергии:
1 - датчик, следящий за уровнем жидкости в системе; 2 - расширительный бачок; 3 - отопительная батарея; 4 - сливной вентиль; 5 - узлы стыковки участка трубы, содержащего ТЭН, с соединительными трубами системы. Эти места должны быть разъемными, чтобы обеспечить возможность разборки для ремонта и профилактики; 6 - ТЭН; 7 - блок автоматики; 8 - термодатчик; 9 - провод, соединяющий датчик уровня жидкости с блоком автоматики.
Однако оставим теоретические изыски и вернемся к практике. Для подключения котла достаточно герметично соединить его с рабочим объемом отопительной или подогревательной системы (батареи, бак с маслом), заполнив жидкостью объем котла. Затем подключить блок автоматики (рис. 3) к сети 220 В, а вилку котла - к разъему блока. Если при этом в гнездо котла не установлена плата с датчиками или ее разъем не подключен к блоку автоматики - ТЭН котла не включится. Не включится он и в тех случаях, когда в полости бака недостаточен уровень жидкости, когда ее температура достигла определенного предела или когда последний установлен регулировочным потенциометром на слишком малое значение.
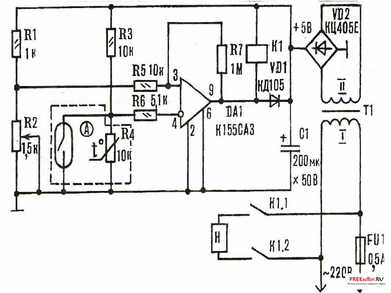
Рис. 3. Принципиальная схема блока автоматического управления котлом подогрева жидкости.
Н - ТЭН; Р2 - регулятор температуры; А - плата датчиков уровня жидкости и температуры (контакты геркона замыкаются, когда уровень воды в котле недостаточен или она отсутствует; сопротивление терморезистора R4 падает при нагреве); К1 - герконовое реле (обмотка), а К1.1 и К1.2 - его контакты; трансформатор Т1 должен иметь на вторичной обмотке II переменное напряжение около 5 В.
С помощью потенциометра для жидкости задают необходимую температуру, которую можно контролировать на любом удобном для пользователя участке теплотрассы. Показания температуры могут фиксироваться, например, электронным термометром прямо с датчика терморегулятора, необходима только коррекция регулировочным потенциометром температурного режима котла.
Отметим, если котел дает низкую температуру, то в проточном режиме необходимо уменьшить интенсивность потока жидкости, в замкнутом режиме отрегулировать температуру регулятором R2, а если большую - увеличить проточность, отрегулировать R2. И не забывайте, что перегрев жидкости до парообразного состояния недопустим!
При использовании котла нужно, конечно, соблюдать элементарные требования техники безопасности: перед вводом в эксплуатацию его следует заземлить за клемму на трубке датчиков или на сливной трубке, а при ремонте или разборке - отключить от сети.
Котел данной конструкции испытан в течение зимы 1994-1995 года для отопления индивидуального дома с жилым помещением площадью 32 кв.м. И только весной внутренние поверхности были очищены от накипи гальваническим способом. А чтобы уменьшить образование накипи, систему следует заполнять хорошо прокипяченной, а лучше всего - дистиллированной водой.
От существующих конструкций данный котел выгодно отличается незначительным расходом электроэнергии, возможностью питания от бытовой электрической сети, бесконтактным режимом подогрева жидкости, малыми габаритами, плавной регулировкой и доступностью изготовления.
Ю. Степанов
Левша 10 1995