
Самодельное овощехранилище, которое можно разместить на балконе состоит из контейнера из пенопластовых плит размером 900 х 900 х 90 мм, стянутых между собой с помощью алюминиевых уголков сечением 25Х 25 мм, длиной 950 мм и стальных шпилек диаметром 8 мм (L= 950 мм).
Самодельное овощехранилище, которое можно разместить на балконе состоит из контейнера из пенопластовых плит размером 900 х 900 х 90 мм, стянутых между собой с помощью алюминиевых уголков сечением 25Х 25 мм, длиной 950 мм и стальных шпилек 0 8 мм (L= 950 мм). На концах шпилек нарезана резьба М8. В местах соединения плит приклеен поролон толщиной 5-8 мм для герметизации. Крышка прижата двумя рычажными замками и может свободно сниматься. Замки закреплены на двух металлических полосках, охватывающих ящик по периметру (рис. 1).

Рис. 1. Внешний вид самодельного овощехранилища:
1 - плита из пенопласта, 2 - металлическая полоса, 3 - шпилька диаметром 8 мм, 4 - уголок 25 х 25 мм, 5 - гайка М8, 6 - замок.
Нагревателем служат две соединенные параллельно лампы накаливания на 230 В, 25 Вт, подвешенные в центре цилиндра диаметром 120 мм, длиной 800 мм, изготовленного из листа алюминия толщиной 0,8 мм.
Подогретый лампами воздух поднимается вверх по трубе и, выйдя из нее, равномерно распространяется по всему объему, циркулируя внутри ящика (рис. 2).
Рис. 2. Термостат самодельного овощехранилища:
1- нагреватель (лампа накаливания), 2 - металлический цилиндр, 3 - картофель, 4 - термодатчик, 5 - направление циркуляции воздуха.
Датчиком температуры является термопара ТСМ-5071, которая по мере уменьшения картофеля постепенно опускается вниз. Прибор подключен к электронному регулятору температуры РТ-2, установленному за пределами «картофелехранилища», например, в комнате, кухне.
О работе нагревателя сигнализирует контрольная лампочка, к которой подсоединен резистор сопротивлением около 25 Ом. Они включены в цепь ламп накаливания и расположены рядом с регулятором температуры (рис. 3).
Рис.3. Электрическая схема термостата.
Чтобы убедиться в исправности нагревателя, ручку потенциометра РТ-2 поворачивают в сторону увеличения температуры. Прибор срабатывает, загорается контрольная лампочка на 2,5В, указывая на исправность ламп накаливания. Затем движок потенциометра возвращают в прежнее положение.
Если у вас нет возможности достать регулятор температуры РТ-2 и датчик ТСМ, соберите термореле самостоятельно по одной из схем, опубликованной в радиолюбительской литературе, например, в книге Н. Дробницы «Автоматика в быту» (Киев, «Техника», 1984). Устройство предназначено для поддержания температуры с точностью ±0,1 °С.
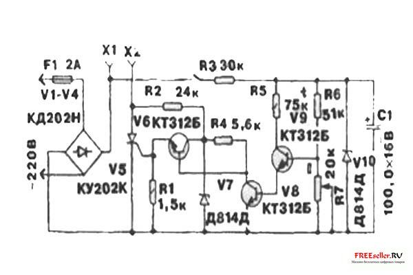
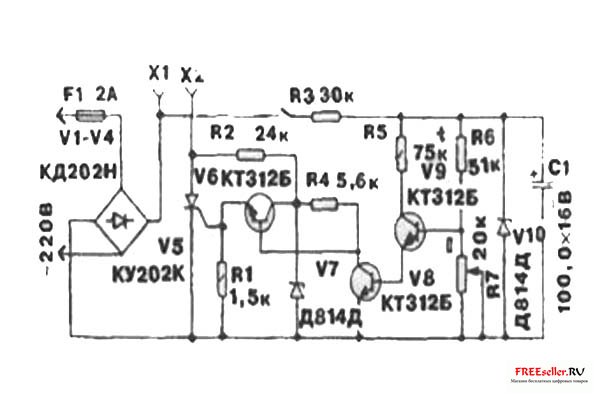
Принципиальная схема такого термореле представлена на рисунке 4, его монтажная плата со схемой расположения деталей - на рисунке 5. Диоды VI - V4 мостового выпрямителя установлены на радиаторах, изготовленных из алюминиевых пластин толщиной 2 - 3 мм.
Рис. 4. Принципиальная схема терморегулятора.
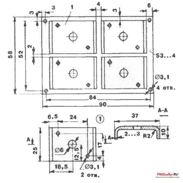
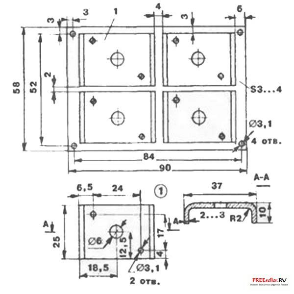
Рис.5. Монтажная плата терморегулятора со схемой расположения деталей.
Радиаторы прикреплены к плате (рис. 6), выполненной нз диэлектрического материала (гетинакс, винипласт, оргстекло, фанера) толщиной 3 - 4 мм.
Рис.6. Радиаторы для диодов.
Нагревательный элемент (лампы накаливания мощностью 50 Вт) через гнезда XI, Х2 (см. рис. 4) включен в цепь тиристора V5. Если протекающий через терморезистор R6 ток создает на построечном резисторе R7 падение напряжения больше 1, 2 В, транзисторы V8 и V9 будут открыты, а V6 закрыт: ток через тиристор V5 и нагреватель протекать не будет. По мере остывания терморезистора его сопротивление увеличивается, приводя к снижению напряжения на R7. Когда оно становится ниже 1,2 В, транзисторы V8, V9 закрываются. Ток, протекающий в начале каждого полупериода через резисторы R2, R4, открывает транзистор V6 и связанный с ним тиристор V5 - нагреватель начинает работать. После повышения температуры сопротивление терморезистора уменьшается и нагреватель отключается.
Термореле можно собрать на любых транзисторах серий КТ315, КТ312, у которых коэффициент передачи тока не менее 50. Диоды VI-V4 рассчитаны на прямой ток не менее ЗА и обратное напряжение 400 -600 В. Тиристор марки КУ202 должен выдерживать максимальное прямое напряжение не менее 400 В.
Терморезистор R6 любой серии ММТ, К.МТ или СТ. Его сопротивление при температуре 20°С равно 50 - 200 кОм. В зависимости от параметров терморезистора выбирают номинал подстрочного резистора R7, величина которого должна быть примерно в два раза меньше сопротивления терморезистора при температуре 20°С.
Чтобы установить заданную температуру, возле терморезистор а располагают термометр и регулятор R7 переводят в верхнее по схеме положение. Когда температура повысится до нужного значения, ручку R7 медленно вращают в обратную сторону, пока не отключится нагреватель.
Терморезистор помещен в тонкую изоляционную трубку и вместе с выводами залит эпоксидным компаундом.
Рис. 7. Внешний вид готового овощехранилища, сделанного своими руками, по данным чертежам
Е. Бабынин