Изготавливаем самодельный лобзик из дрели.
В наше время электродрель не редкость. Просверлить дыру в бетонной стене или отполировать металлическую деталь, зажав в патрон оправку с войлочным кругом, - в таких случаях она незаменима. Деревянный диск с наклеенной шкуркой поможет вам отшлифовать любую плоскую деталь, а если между шкуркой и диском проложить поролон, можно содрать старый лак с паркета, шлифовать поверхности сложной формы.

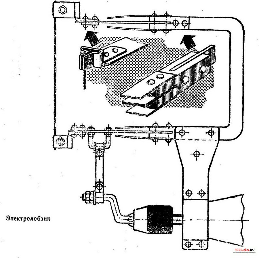
Электролобзик - приставка к дрели. Основание его представляет собой П-образную скобу, вырезанную из листовой стали толщиной 3 мм. Скоба с помощью хомута (листовая сталь толщиной 2 мм) прикрепляется к дрели. К каждому из концов скобы приклепаны пружинные полоски толщиной 0,8 мм. На концах - зажимы для пилки. Их можно вырезать из стального листа толщиной 1,5 мм. Пилка приводится в движение кривошипом, согнутым из стального прутка ?8 мм. Шатун сделан из стальной полосы толщиной 2 мм.
Держать такой лобзик во время работы в руках не имеет смысла, он довольно тяжел. Лучше всего зажать дрель в слесарные тиски, а обрабатываемый материал располагать на небольшом фанерном столике.

При написании статьи использовались материалы И . Сергеева "новые профессии электродрели" "Моделист-Конструктор" 1977, №10