
Самодельный навесной замок внешне ничем особенным не отличается от тысяч своих собратьев, стерегущих кладовые и дачи, сараи и подсобки, магазины и склады. Кроме одной ошарашивающей детали: он открывается... отверткой.
Кто-то скажет: зачем самому изготавливать замок, когда проще купить готовый, заводской? Но даже к самому хорошему из них злоумышленники подбирают ключи, и даже секрет кодовых, с фиксированными промежуточными положениями механизма, разгадывают на слух и на ощупь. А зимой общая беда: механизмы заводских замков замерзают так, что требуется их отогревать.
Но ведь каждому хотелось бы иметь запирающее устройство, лишенное этих недостатков, к тому же самое «хитрое», не поддающееся никакой отмычке. Мною разработана целая серии таких висячих кодовых замков различного назначения. Их изюминкой является конструктивно гарантированная защищенность не только от подбора кода, но и от выворачивания дужки этих замков ломом.
Ниже приведены описание конструкции такого замка и технологические особенности изготовления его деталей и приспособлений. Я не боюсь их раскрывать, потому что условная секретность устройства с данными размерами и конструктивной схемой может иметь свыше четырех тысяч кодовых комбинаций.
Замок имеет корпус, дужку, две втулки, стопорное кольцо и два штифта. Втулки фиксируются в корпусе выдвижной дужкой, входящей в полукруглые пазы втулок. В последних на резьбе вращаются штифты, перемещаясь по отверстиям в корпусе и выполняя роль запорных элементов. На цилиндрической поверхности штифтов также имеются полукруглые пазы, которые при определенном положении во втулках совпадают с глухим отверстием в корпусе под дужку замка — зто соответствует положению «открыто»: дужка свободно вставляется в корпус замка до упора. Если теперь ввести ключ-отвертку, то она попадает в шлиц штифта; при вращении штифт своей цилиндрической частью войдет в паз дужки и запрет ее. Кодом для открывания будут местоположение паза на штифте и число поворотов ключа. Для увеличения секретности замка служит второй штифт со своим кодом.
Механическая прочность такого узла на взлом несомненно намного выше, чем в большинстве конструкций, в которых дужка фиксируется ригелем малого сечения — наиболее слабой деталью. Не удастся подобрать код замка и «на ощупь», так как в момент открывания ключ находится в проточке дужки и не дает почувствовать — освободилась ли она от запирающих элементов?
Сквозное отверстие для длинного конца дужки рассверлено снизу под диаметр стопорного кольца, не позволяющего ей выходить из корпуса, что привело бы к нарушению сборки замка.
Предлагаемый замок, как уже отмечалось, не только особо прочный, но и тонкий механизм. Однако, поскольку мы ориентируемся не на заводское его изготовление, опустим на чертежах допуски и посадки: требуемая точность может быть достигнута за счет совместной обработки и подгонки деталей, вполне доступных для самой скромной мастерской домашнего мастера.
Вначале из круглого стального прутка диаметром 10 мм отрежем заготовку длиной 162 мм для дужки. На ней выполним фаску и две проточки, затем согнем дужку (любым рычагом с ушком или приваренной на конце гайкой).
Выточим две втулки (из бронзы) и два штифта (из стали), а также заготовку для корпуса замка (из дюралюминия, бронзы, латуни). В заготовке просверлим два отверстия диаметром 6 мм под втулки, зажав ее в патроне токарного станка с эксцентриситетом 5 мм. Затем, вставив втулки заподлицо, на расстоянии 8 мм от торца просверлим сквозное отверстие «С» диаметром 10 мм — для длинного конца дужки. Пометив втулки «правая» и «левая», извлечем их из корпуса.![]()
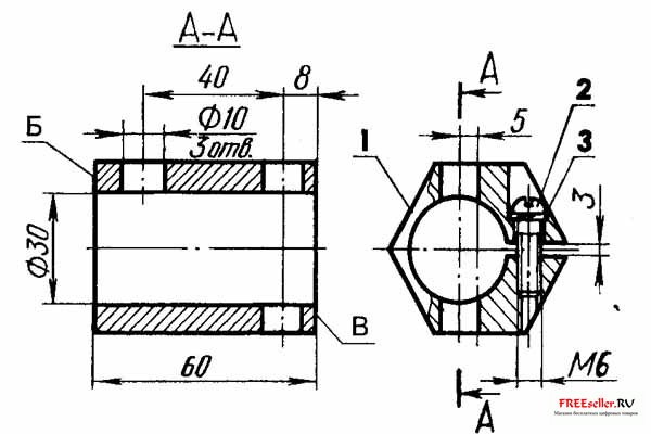
Рис.1 Самодельный кодовый навесной замок:
1 — корпус (дюралюминий, бронза, латунь); 2 — дужка (сталь 40Х, пруток диаметром 10): 3 — втулки (бронза); 4 — кольцо стопорное (сталь, проволока диаметром 2,5); 5 —штифт (сталь 40Х, 2 шт.).
Далее вставим длинный конец дужки в заготовленное для него отверстие в корпусе, дав возможность короткому упереться в корпус; отметим это место (как центр глухого отверстия «Г») и, замерив расстояние «а», доведем его до 6 мм, стачивая короткий конец дужки.
Теперь ввернем штифты во втулки сначала до упора, а затем вывернем их на произвольное расстояние (но меньше, чем 4 мм) и вставим втулки в соответствующие отверстия корпуса согласно пометкам «левая» и «правая». Зафиксируем их введением длинного конца дужки в сквозное отверстие, после чего просверлим в корпусе параллельно ему ранее намеченное глухое отверстие «Г» диаметром 10 мм на глубину 21 мм. Для контроля введем в него короткий конец дужки и при необходимости доработаем.
Снова разберем все до деталей — предстоит пропилить ножовочным полотном (с сошлифованным разводом) шлицы на торцах резьбовых частей штифтов (под отвертку-ключ). Для удобства пользования начальное положение шлицов должно быть одинаковым. Опять соберем замок, но не вводя в корпус короткий конец дужки; совместим проточку на ее длинном конце с отверстиями втулок. Отверткой с диаметром стержня 3 мм через отверстия во втулках проверим свободу осевого перемещения штифтов; при необходимости штифты подшлифуем.
Рис.2. Разметка глухого отверстия.
1— корпус (сталь, шестигранник 46...65); 2 — винт М6 (2 шт.); 3 — шайба пружинная (2 шт.).
Последующие действия направлены непосредственно на создание секретного кода замка. Ввернем один из штифтов до упора, затем вывернем до совмещения его паза с отверстием в корпусе, считая при этом количество полуоборотов. Запишем полученное число — это и будет код данного штифта, соответствующий положению «открыто». Сделаем на торце корпуса (втулке) и отвертке-ключе метки для отпирания замка.
Для проверки повторим действия отверткой-ключом вслепую, отсчитывая про себя кодовое количество ее полуоборотов для данного штифта, и довернем при необходимости отвертку до совмещения меток.
Повторим полностью те же операции по созданию и проверке кода для второго штифта. После этого вынем дужку из корпуса и рассверлим сквозное отверстие снизу до диаметра 12 мм на глубину 10 мм.
Выполним на коротком конце дужки полукруглые пазы. Чтобы не одолела дужку ножовка злоумышленника, закалим ее, а при возможности оксидируем дужку и корпус от коррозии.
Теперь можно окончательно собрать замок и установить в выточку на длинном конце дужки проволочное стопорное кольцо, обточив его до свободного прохода в подготовленное отверстие.
При изготовлении нескольких таких замков целесообразно воспользоваться универсальным кондуктором-оправкой, исключающим разметку. В этом случае заготовку корпуса замка зажмем в кондукторе с помощью затяжных винтов Мб и установим в патрон токарного станка торцем «Б». ![]()
Рис.3. Кондуктор-оправка для изготовления самодельного навесного замка:
Со стороны торца «В» на токарном станке просверлим отверстие диаметром 6 мм на глубину 56 мм; затем кондуктор повернем в латроне станка на 180° — и повторим операцию. Установив в полученные отверстия втулки со штифтами, просверлим, не вынимая заготовку из кондуктора, два отверстия диаметром 10 мм: одно сквозное, другое на глубину 21 мм. Что же касается сборочно-наладочных и доводочных операций, то они те же, что и при единичном изготовлении.
И.Янкин
МК 08 1998