
Электронную ловушку для насекомых представляет собой светильник на лампе дневного света, служащей приманкой для насекомых. Перед лампой натянута сетка из двух тонких металлических проводников, на которые подано высокое напряжение. Чтобы ловушка была безопасна для людей, снаружи на корпусе светильника натянута сетка из рыболовной лесы.
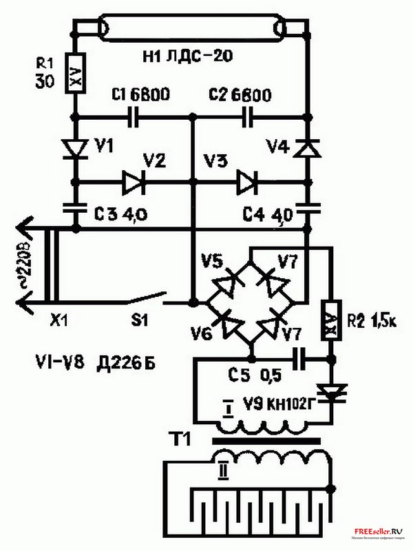
В этой ловушке применена лампа дневного света мощностью 20 Вт. Она включается в сеть через умножитель напряжения, собранный на диодах VI - V4 и конденсаторах С1-С4. Это позволило обойтись без стартера и дросселя - деталей, характерных для обычной схемы включения. Кроме того, для работы теперь пригодна даже лампа с перегоревшими нитями накала - свечение лампы возникает за счет высокого напряжения между ее электродами.
Для получения высокого напряжения питания металлической сетки применен преобразователь, собранный на динисторе по схеме релаксационного генератора. Питается преобразователь от сети через выпрямитель на диодах V5 - V8. В моменты, когда конденсатор С5 заряжается до напряжения включения динистора (иначе говоря, напряжения пробоя его), через первичную обмотку трансформатора Т1 протекает импульс тока, а затем конденсатор начинает заряжаться вновь. Всего за секунду конденсатор успеет зарядиться и разрядиться около 1000 раз, то есть частота импульсов равна 1 кГц. С такой же частотой импульсы появляются на вторичной обмотке, но напряжение их достигает 1000 В - это напряжение и подается на металлические проводники сетки.
Повышающий трансформатор намотан на ферритовом сердечнике от строчного трансформатора (ТВС) телевизора «Рекорд». Обмотка I содержит 20 витков провода ПЭВ-1 0 0,5 мм, обмотка II - 1300 витков провода ПЭВ-1 0,1.
Рис.1. Принципиальная схема электронной ловушки для насекомых.
Конденсаторы C1, С2 - типа КСО-5; СЗ, С4 - МБГЧ на напряжение не ниже 400 В; С5 - МБМ на напряжение 500 В. Резисторы R1 и R2 мощностью не менее 15 Вт. Здесь удобно применить остеклованные резисторы типа ПЭВ, но подойдут и резисторы МЛТ-2,0 в параллельном соединении. Так, резистор R1 можно составить из восьми параллельно соединенных резисторов сопротивлением по 240 Ом, а R2 - из такого же числа резисторов сопротивлением по 12 кОм.
Диоды Д226Б можно заменить другими выпрямительными диодами, рассчитанными на обратное напряжение не менее 400 В при токе до. 200 мА. При отсутствии динистора КН102Г подойдет КН102В или КН102Д, но при этом изменится частота импульсов генератора (в первом случае она увеличится, во втором уменьшится), и, кроме того, напряжение на сетке ловушки - оно упадет при использовании динистора КН102В и повысится с динистором КН102Д.
Валерий Баганов и Дмитрий Лазарев.