Парник автомат своими руками

  • Опубликовано: 6 января 2009

Парник автомат своими руками

 

Рассмотрим конструкции и изготовление следующих парников: малого деревянного, большого (помидорного) парника из труб и парника с двойной пленкой.
Все парники делают разборными, то есть их полностью или частично убирают на зиму. Поэтому все узлы маркируют, чтобы на следующий год парник вновь можно было легко собрать. Все соединения делают на шурупах, винтах и т. п. Возможно секционирование, тогда парник убирают на зиму секциями.

Пленку на парник покупают по возможности толщиной до 0,3 мм. Ориентируют парник вдоль линии запад - восток.

 

Малый деревянный парник

 

Основным материалом для такого парника служат деревянные бруски сечением 40х60 мм и рейки сечением 30х40 мм

Вначале делают расчет парника исходя из ширины полотнища пленки, допустим, имеется пленка шириной 2 м., значит, парник по длине будет накрываться двумя полотнищами. При скате в 30° ширина парника будет около 1,7 м., высота - 1,4 м.

После расчета делают разбивку площадки с помощью шпагата, колышки и рулетки.

По углам площадки и периметру с шагом 0,8 м. вбивают в землю отрезки 1,5-дюймовых водопроводных труб длиной 35-40 см. (рис. 1, а). Забивают их так, чтобы над поверхностью земли оставался отрезок высотой около 5 см. В эти трубы вставляют стойки из деревянных брусков. Все бруски спиливают с внешней стороны на четверть и к ним крепят боковые продольные рейки. При стыковке боковых продольных реек стык должен находиться на одной из стоек.

 

 

Устанавливают две центральные стойки так же, как и боковые. Запиливают (выравнивают) их верхушки и к ним крепят верхнюю коньковую рейку. Затем закрепляют все стропильные рейки, запиливая их по месту.

На торцовых сторонах парника закрепляют поперечные горизонтальные рейки. Для большей прочности (если парник длиннее 3 м) ставят посередине дополнительную вертикальную стойку и поперечную горизонтальную рейку.

К верхней коньковой рейке с помощью накладок из дранки и гвоздиков прибивают два полотнища пленки. Пленку с северной стороны парника крепят ко всем прилегающим брускам и рейкам с помощью дранки и гвоздиков. Внизу у земли пленку прикапывают.

Полотно пленки южной стороны парника - открывающееся. Для этого по боковым краям полотнища делают, карманы, сваривая пленку утюгом. В карманы пропускают толстый шпагат. К нижнему обрезу полотнища прикрепляют планку сечением примерно 30х30 мм с закругленными ребрами. На эту планку наматывают пленку, когда открывают парник (рис. 1, б). По крайним стропильным рейкам и брускам мелкими гвоздиками прибивают шнур, которым обычно уплотняют окна.

При закрытом парнике полотнище, обтянутое с торцов шпагатом, который находится в карманах, плотно облегает стропильные рейки и бруски, обитые шнуром. Внизу планка фиксируется тремя колышками, забитыми у крайних и одной средней стойки (бруска).

Торцы парника обивают пленкой с помощью дранки и гвоздиков.

 

Большой (помидорный) парник

 

Большой парник, в котором можно работать в полный рост,- мечта каждого огородника. Сооружение его недешево и трудоемко, но оно оправдывает себя в климатических зонах, где помидоры не вызревают на открытом воздухе.

Расчет и разметка аналогичны предыдущему парнику. Материалы: желательно иметь дюралевые трубы диаметром 30-40 мм и 20 мм, но можно обойтись трубами одного диаметра. Толстые трубы идут на стойки, тонкие - на продольные связи.

 

 

Общий вид каркаса и узлы соединения показаны на рис. 2, а. Остановимся на двух моментах: обтягивание каркаса пленкой и изготовление дверей.

Для торца, где нет двери, готовят полотнище пленки с карманом по всему периметру (рис. 2, б), кроме низа. Оно должно быть больше торца на 30-40 мм с каждой стороны. В карман вставляют подходящий шнур, закрепляя его внизу, у земли, слегка стягивают и надевают пленку на каркас.

Обтяжку торца, где находится дверной проем, делают так же, как и в предыдущем случае. К дверному проему, который делают из брусков, пленку крепят дранкой (тонкой рейкой) и гвоздиками, как это показано на рис. 2, в.

Полотнище двери имеет карманы с трех сторон. На этих трех карманах ставят металлические пистоны через каждые 15 см. Верх прикрепляют рейкой и гвоздиками к проему. К дверному проему по периметру (по бокам и снизу) прибивают мягкий шнур и вбивают гвозди. Число их равно числу пистонов, они-то и удерживают полотнище двери в закрытом состоянии (при этом пленка плотно прилегает к шнуру).

 

Верх и бока парника обтягивают пленкой так же, как и в малом деревянном парнике. Наверху полотнища пленки прижимаются продольной рейкой, которую ставят на винтах. Внизу полотнища присыпают землей со всех сторон.

 

Парник с двойной пленкой

 

Эксплуатация пленочных парников показала, что даже при небольших заморозках один слой пленки не спасает растения от гибели. Приходится утеплять парник различными подсобными материалами. В частности, можно сделать парник с двойной пленкой.

Каркас для парника собирается из деревянных брусков и реек как обычно, но обязательно усиливается «фундамент». Трубы, которые держат каркас, лучше забетонировать. В этом случае каркас меньше перекашивается, а это важно при эксплуатации парника.

Натягивают (рис. 3, а) сначала внутреннюю пленку, затем внешнюю. Особо надо обратить внимание на натягивание внутреннего полотнища пленки на углах. Внутреннюю пленку можно не сваривать, но в этом случае слой ша слой кладут с припуском и хорошо -натягивают. Получается нормальное уплотнение.

 

 

 

Остановимся на самом сложном узле парника - открывающемся скате. На рис. 3, б показан общий вид (фрагмент), узлы и особенности устройства. Здесь надо отметить следующее. Обитый с обеих старое пленкой открывающийся скат поворачивается на двух болтах-осях. В открытом состоянии его - фиксируют проволочной оттяжкой.

По всем соприкасающимся кромкам на открывающемся скате набиты дюралевые (толщиной 1-1,5 мм) козырьки с наклеенным утеплителем из полосок шинельного сукна. В закрытом состоянии при правильном изготовлении парник надежно изолирован от окружающего холодного воздуха.

 

Небольшое отступление от темы. Бывает трудно приобрести навоз, а теплица с огурцами (да и другими овощами) очень в нем нуждается. Вы можете приготовить «полнокровный» заместитель навоза в любых количествах. Бочку до верха набейте свежескошенной травой. Затем залейте ее водой и бросьте горсть мочевины или какого-либо другого азотного удобрения. Закройте бочку крышкой и сверху положите груз. Через 1,5-2 недели «навоз» готов.

Жидкостью, разбавленной водой 1:1 или 1:2, поливают овощи в парнике. Твердые остатки кладут в компостную яму или перепахивают под ягодные кусты и плодовые деревья.

Жидкая часть этого «навоза» (и твердая) совершенно свободна от яиц гельминтов и чрезвычайно богата питательными веществами.

 

Автоматизация парников

 

В средней полосе и севернее устойчивые урожаи помидоров, огурцов и некоторых других культур можно получить только в парниках. В них также выращивают рассаду различных теплолюбивых овощей. Все это можно сделать при ежедневном минимальном уходе за ними. Но большинство владельцев участков работают и поэтому на участке бывают только в выходные дни.

Какие же минимальные ежедневные агро мероприятия требуются при выращивании в теплице огурцов?

В пору массового цветения при жаркой погоде температура в парнике может подняться выше критической (35-37 °С), в результате цветы огурцов стерилизуются, то есть теряют способность образовывать завязь. В этом случае необходимо немедленное проветривание парника для снижения температуры в нем.

При массовом созревании огурцы требуют ежедневного обильного полива прогретой водой. В противном случае хорошего урожая получить не удается. Во время кратковременных похолоданий, а также при затяжных дождях (почва в парнике сырая) огурцы рекомендуют не поливать.

Выполнить эти мероприятия может помочь малая автоматизация парника.

Предлагаемый вариант автоматизации парника опробован в многолетней эксплуатации и позволил получать ежегодно устойчивые урожаи огурцов. Осуществляется ежедневный полив огурцов в теплице подогретой солнцем водой, в случае похолодания и затяжных дождей полив отключается, при нагреве парника выше критической температуры он проветривается.

Некоторые части электронной схемы можно использовать для других агротехнических мероприятий, о чем будет рассказано ниже.

 

 

 

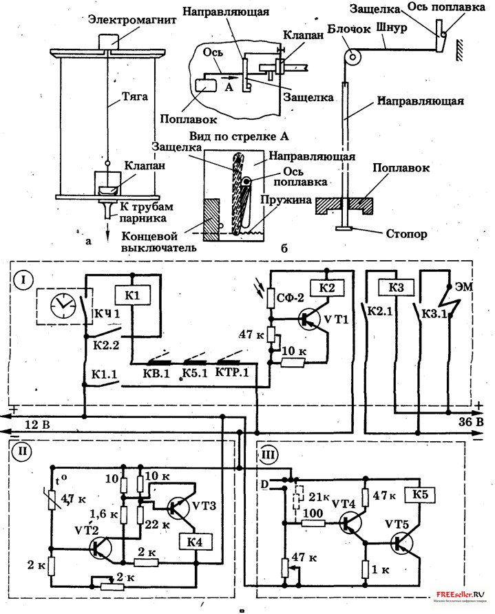
Электромеханическая часть представляет собой следующее. Основа устройства - бочка на 200-250 л (рис. 4, а). В дне бочки сделано отверстие, и в нем установлен выходной клапан обычного сливного туалетного бачка, соединенный нержавеющей проволочной тягой с исполнительным электромагнитом (от старого электромагнитного пускателя, перемотанного на 36 В).

Сверху у верхнего обреза бочки делают второе отверстие, куда вставляют входной клапан сливного бачка, подсоединенный к водопроводу (рис. 4, б). Ось поплавка ходит в направляющей с запорной защелкой (направляющая и защелка сделаны из листового металла), которая удерживает ось поплавка в верхнем положении (при этом налив воды в бочку из водопровода прекращается). Запорная защелка с помощью капронового шнура через блочок соединена с направляющей включающего воду поплавка. Направляющая представляет собой пруток из нержавеющей стали, на нижнем конце которого есть стопор. Поплавок делают из дерева и при необходимости подгружают металлом.

Запорная защелка замыкает и размыкает концевой выключатель, установленный на направляющей.

Труба, выходящая снизу из бочки, соединена с питающими трубами, расположенными в парнике. В них сделаны отверстия для равномерного полива растений.

Электронная часть автоматизированного парника (рис. 4, в) имеет три блока: регулятор I, температурный датчик II и датчик влажности III.

Регулятор I - состоит из датчика времени (электробудильник типа «Слава»). Механизм часов питается от своей батарейки, а контактная часть (КЧ) будильника питается от напряжения 12 В. Будильник устанавливают на 6 часов.

Предположим, в 6 часов утра срабатывает будильник, замыкаются контакт ты КЧ. 1, включается реле К1. Контакты К 1.1 включают фотосхему (транзистор VT1), но она не срабатывает, так как отрегулирована на уменьшение света (фоторезистор СФ-2 направлен на солнце, находящееся в точке, соответствующей 6 ч утра).

Через 3-5 мин контакты КЧ.1 размыкаются.

В 6 часов вечера контакты будильника КЧ.1 замыкаются вторично. Теперь включается фотосхема, и она срабатывает, то есть включается реле К2, которое своими контактами К2.2 позволяет встать реле К1 на самоподхват.

Реле К2 через контакты К2.1 включает промежуточное реле К3 (оно имеет мощные контакты, пропускающие ток до 5 А). Реле, в свою очередь, включает Исполнительный электромагнит ЭМ. Этот электромагнит (рис. 4, а) поднимет резиновый клапан выходного устройства бочки. Вода идет на полив. Включающий воду поплавок (рис. 4, б) спускается на направляющей все ниже и ниже. Дойдя до упора, поплавок своим весом оттягивает запорную защелку. Она открывается и освобождает ось поплавка входного клапана. Водопроводная вода начинает литься в бочку. Одновременно с освобождением оси поплавка входного клапана запорная защелка нижним концом нажимает на концевой выключатель, который срабатывает и своими контактами КВ.1 размыкает цепь реле К1 (рис. 4, в). Оно размыкается, и весь регулятор возвращается в первоначальное (исходное) состояние. Бочка наполняется водой, и как только она достигнет нужного уровня, входной клапан прекращает подачу воды, а запорная защелка фиксирует ось поплавка.

Температурный датчик II - представляет собой электронную схему, которая работает следующим образом. Активный элемент схемы - терморезистор - реагирует на температуру изменением своего сопротивления. Как только температура достигнет определенной величины, схема срабатывает, включая реле К4, которое через промежуточное реле включает два исполнительных электромагнита. С помощью переменного резистора можно регулировать температуру срабатывания температурного датчика от 0 до 40 °С. Исполнительные электромагниты открывают две форточки (рис. 4, г) в противоположных концах парника.

Датчик влажности III - выключает полив при переувлажнении почвы в парнике. Активным элементом датчика являются два стержня D от батарейки 3336Л с деполяризатором (со стаканчика-элемента снимают только цинковую оболочку), зарытые в почву. Расстояние между стержнями около 20 см. При умеренной влажности сопротивление между ними около 1500 Ом.

Схему с помощью переменного резистора регулируют так, чтобы она срабатывала при нужной повышенной влажности.

При срабатывании схемы включается реле К5, размыкая своими контактами К5.1 цепь питания реле К1. Все устройство при этом выключается. Переменный резистор на 20 кОм (на рисунке дан пунктиром) служит для установки начальной влажности.

В цепь питания реле К1 включено еще тепловое биметаллическое реле типа КТР (контакты КТР.1), работающее на размыкание. Оно настроено на температуру +18 °С. При температуре ниже +18 °С устройство не срабатывает и полива не происходит.

Для питания автоматизированного парника делают выпрямитель на напряжении 12 и 36 В. Напряжением 12 В питается электронная часть, напряжением 36 В - исполнительные устройства. Мощность выпрямителя по напряжению 36 В должна быть не менее 75 Вт.

Детали электронной части. Транзисторы VT1, VT2, VT4, VT5 - МП16Б, МП25, МП42; VT3 - МП37Б. Резисторы - любые на мощность рассеяния 0,25 Вт. Реле К1 и К2 - РЭС-9 (паспорт РС4.524.201), реле К3, К4, К5 - РЭС-10 (паспорт РС4.524.302).

Температурный датчик можно использовать как определитель заморозка.

Садоводы знают, что некоторые мероприятия позволяют избежать вымораживания цветов плодовых деревьев. Это задымление и опрыскивание цветущего сада водой. Последнее считается более действенным. Из литературы известно, что швейцарские садоводы спасали свои сады опрыскиванием водой, при понижении температуры воздуха даже до -7 °С!

Удобно опрыскивать деревья с помощью "удочек" от краскопультов, удлинив их до 2,5 м.

Обычно заморозки в пору цветения наступают в ясную погоду ночью. Важно определить момент, когда температура воздуха понизится до 0 °С. Вот здесь и поможет температурный датчик. К нему подключают электрический звонок, и устройство вас разбудит, как только наступит критический момент. Сад обильно опрыскивают 3-4 раза до восхода солнца и прогрева воздуха до положительной температуры.

Температурный датчик используют также при обогреве парников и дома с помощью различных электрических нагревателей.

Датчик влажности помогает определять необходимость полива всего сада и огорода.

Обогрев парников

В средней полосе и севернее бывают весны, когда рассада и овощи, посаженные в парник, гибнут от заморозка. Иногда при этом не помогает и парник с двойным пленочным покрытием. В этом случае урожай может спасти только обогрев парника, который должен обязательно иметь двойное пленочное покрытие.

Обогреть парник площадью до 10 м2 можно с помощью гелиоустановки с аккумулятором тепла или с помощью водяного электрообогревателя.

Универсальная гелиоустановка предназначается для душа и кухни летом. Весной же ее можно использовать для обогрева парника.

Представленная здесь "Гелиоустановка" относительно проста в изготовлении и состоит из двух основных частей: солнечного коллектора и аккумулятора тепла.

 

Солнечный коллектор - наиболее трудоемкая часть гелиоустановки. Из струганных досок сколачивают ящик размером 1500х750х100 мм. В верхних кромках должна быть выбрана четверть для вставки стекла. Снаружи к краю ящика прибивают полоски железа для установки второго стекла (рис. 5, а). Дно и стенки внутри ящика оклеивают слоем пенопласта толщиной примерно 20 мм (клей ПВА).

Внутреннюю полость ящика окрашивают черной масляной краской (предварительно 1 л краски смешивают с 1/3 куска хозяйственного мыла, распущенного в небольшом количестве воды; в результате получится нужная в этом случае матовая масляная краска).

Снаружи ящик покрывают любой краской для наружных работ. В ящике укрепляют радиатор солнечного коллектора (рис. 5, б). Он представляет собой змеевидную трубку из меди или латуни с внутренним диаметром не менее 15 мм. На каждое колено трубки надето 15-20 медных или латунных уголковых планок. Оба выхода подключены к водопроводным трубам.

Радиатор солнечного коллектора начинают делать с U-образных секций трубок. Их гнут с помощью устройства, подобного устройству для изгиба водопроводных труб.

При изгибании U-образных секций трубок, чтобы прямолинейные их части оставались прямыми, используют (как рычаги) две вспомогательные трубки несколько большего диаметра.

Готовят уголковые планки. Нарезанные заготовки (еще не загнутые в уголок) складывают ровной пачкой и зажимают в тиски. Сверлом, равным по диаметру U-образным трубкам, сверлят сначала одно отверстие. В него загоняют (для фиксации планок в пачке) отрезок трубки этого диаметра, пачку заготовок выравнивают, снова зажимают в тиски, сверлят второе отверстие. Затем каждую заготовку в тисках изгибают на уголок.

Начинают сборку секции. На оба конца U-образной трубки надевают уголковую планку. Используя высокоактивный флюс (типа ЛЭТИ-120), припаивают планку к трубке в обоих местах их соединения. Таким образом закрепляют поочередно все уголковые планки. Собрав все секции, а их в коллекторе делают 7-8, соединяют их, спаивая секции соединительными трубками.

На обе выходные трубки напаивают саморегулирующиеся втулки-переходники (которыми соединяются смесители с водопроводными трубами) и через муфты соединяют коллектор с водопроводными трубами.

Стекла коллектора ставят на специальную замазку (состав в массовых частях): мел просеянный - 50, сурик железный сухой - 30, олифа натуральная - 18-20.

Аккумулятор тепла представляет собой обыкновенную бочку вместимостью 20 л. Бочку помещают в деревянный ящик и тщательно теплоизолируют (рис. 5, г). Для этого на дно ящика укладывают крестообразную деревянную подставку и закладывают все свободное пространство в подставке минеральным войлоком (ватой). Бочку ставят в ящик на подставку и все пространство между бочкой и стенками ящика заполняют минеральным войлоком. Толщина изолирующего слоя везде не менее 80 мм.

Съемную крышку бочки утепляют матрасиком с минеральным войлоком (толщина его тоже 80 мм).

К бочке подходят пять труб: две - от солнечного коллектора, две - от радиатора, расположенного в парнике (при питании душа и кухни верхняя труба перекрывается вентилем; к нижней трубе внутри бочки подсоединяют резиновый заборный шланг с поплавком) и одна труба - от водопровода. На последней, внутри бочки устанавливают входной клапан от сливного бачка унитаза. Трубка отвода воды у этого клапана удлинена до дна бочки.

Солнечный коллектор располагают на подставке в защищенном от ветра месте рядом с аккумулятором тепла (рис. 5, б). Поверхность солнечного коллектора должна быть перпендикулярна солнечным лучам в полдень. Поэтому солнечный коллектор с аккумулятором тепла не соединяют жестко с водопроводными трубами, а в разрыв их ставят два отрезка резинового шланга подходящего диаметра.

При обогреве парника от гелиоустановки необходимо сделать вводы труб и установить внутри него несколько пластинчатых радиаторов. Тип радиаторов, число их, температура в парнике определяются экспериментально. Подачу подогретой воды в парник регулируют вентилем (рис. 5, г).

Все трубы, идущие от солнечного коллектора к аккумулятору тепла и от него к парнику, должны быть тщательно теплоизолированы. Для этого их обматывают минеральным войлоком (толщиной около 50 мм), сверху толем и закрепляют все проволокой.

Естественно, что мероприятия по обогреву парника должны быть комплексными. Во-первых, парник хорошо набивают навозом - биотопливом. Во-вторых, подключают к нему гелиоустановку. В-третьих, для экстренных случаев в парнике устанавливается водяной электрический обогреватель. Последний должен иметь температурный датчик, включающий его при критической температуре.

Водяной электрический обогреватель - устройство не сложное и может быть изготовлено своими руками. Он представляет собой корпус негодного огнетушителя. Верхушку корпуса удаляют. На дне корпуса монтируют ТЭН от электрического самовара мощностью 1 кВт (рис. 6, а). Сверху делают съемную крышку.

 

 

К корпусу, подсоединяют две водопроводные трубы, связывающие его с радиатором. При этом используют резиновые уплотняющие прокладки и гайки от водопроводных сгонов (рис. 6, б).

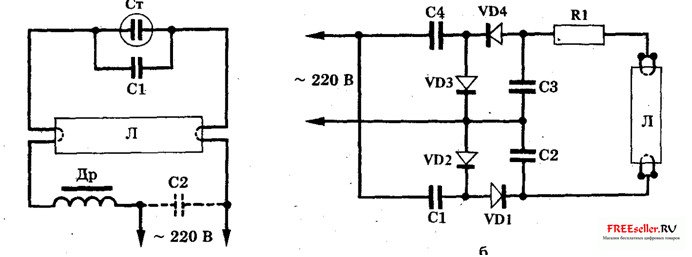
С помощью несложной электрической схемы (рис. 6, в) и уже известного нам температурного датчика обогреватель автоматически включится, когда температура в парнике снизится до заданной.

Электрическая схема обогревателя, показанная на рис. 6, в, работает при наличии реле переменного тока (например, МКУ-48) на напряжение 220 В. Если нет реле переменного тока, используют другую схему (рис. 6, г). Реле в этом случае должно иметь контакты, пропускающие ток не менее 5 А (конденсаторы С1 и С2 на обеих схемах - искрогасительные емкостью 1000 пФ, диоды - Д226).

Схема (рис. 6, б) работает следующим образом. Как только срабатывает температурный датчик, он замыкает свои контакты КТ. Включается реле К.1 и контактами К.1.1 замыкает цепь на нагреватель - ТЭН. Обогреватель начинает греть воду, которая поднимает температуру в парнике. Как только температура в парнике достигнет определенного значения, сработает температурный датчик и своими контактами разорвет цепь питания реле К1. Реле К1 своими контактами К1.1 разомкнет цепь нагревателя (ТЭНа), и он выключится.

Надо отметить, что данный обогреватель можно использовать и для помещений. В этом случае все изолирующие прокладки заменяют на тепломаслостойкие, а обогреватель заливают отстоенным использованным автомобильным маслом.

Почему маслом, а не водой? Это позволяет повысить температуру в системе, что увеличивает ее эффективность. Немаловажно и то, что обогреватель на воде при работе гудит и может мешать сну.

Освещение парников

При выращивании овощей или рассады в обогреваемом парнике ранней весной растениям требуется подсветка. По существующим нормам в общей сложности растения должны быть освещены (дневным и искусственным светом) не менее 10-12 ч в сутки. Более продолжительное освещение неблагоприятно сказывается на растениях.

Для освещения растений в парниках на участках обычно пользуются лампами дневного света как наиболее экономичными и дающими спектр света, близкий к дневному.

В настоящее время наша промышленность выпускает довольно широкий ассортимент ламп дневного света. В табл. 1 приведены некоторые характеристики таких ламп.

 

 

Таблица 1


Для освещения растений лучше применять лампы марок ЛД и ЛДЦ.

 

Обычная схема включения ламп дневного света приведена на рис. 7, а. Включение в схему дополнительного конденсатора С2-4 мкФ (для ламп мощностью 30 и 40 Вт) увеличивает светоотдачу лампы.

На рис. 7, б показана схема (она приводилась в печати) включения ламп дневного света, у которых перегорели нити зажигания. В табл. 2 даны характеристики элементов схем для некоторых ламп.

 

Таблица 2

 

Похожие самоделки

Имя:*
E-Mail:


Песочница RSSРеклама на сайтеFreeseller.ru - Полезные самоделки
Copyright © 2008-2025