
Сделанный мною сварочный аппарат представляет собой отлично зарекомендовавший себя на практике модернизированный вариант устройства, описание и эскизы которого опубликованы в журнале «Моделист-конструктор» №3 за 1966 год-Главное - новый «сварочник» значительно мощнее своего предшественника, проще в изготовлении и эксплуатации. При отсутствии всякого рода «прибамбасов» он позволяет надёжно соединять листовую сталь толщиной до 3 мм. Правда, режим работы пока один, самый необходимый большинству самодельщиков - точечная сварка.
Регулировка величины тока не предусмотрена. Ход сварки определяется временем нагрева (то есть прохождением тока) и контролируется либо визуально (по цвету), либо с помощью реле времени, диапазон выдержки у которого 0,5-5 с.
В качестве базового трансформатора используется серийный ОСМ-1,0 мощностью 1 кВ*А. Первичную обмотку у него желательно оставить без каких- ибо изменений (хотя при необходимости можно и перемотать: ведь здесь всего 200 витков ПЭВ2-1.9). А вот вторичную лучше заменить на более «продуктивную», выполняемую проводом ПВЗ-50 - две трёхвитковые части, включённые параллельно, чтобы общее их сечение составляло 100 мм2.
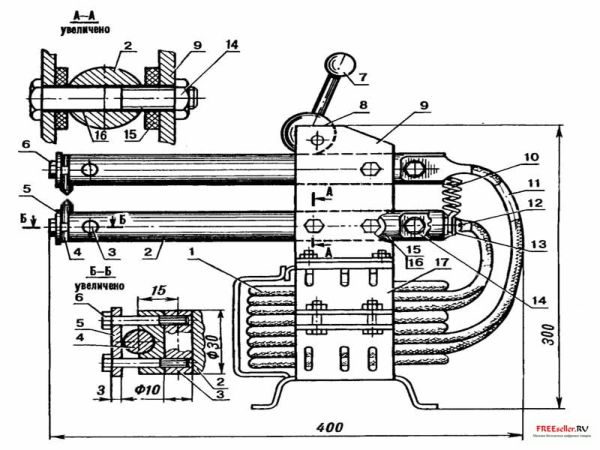
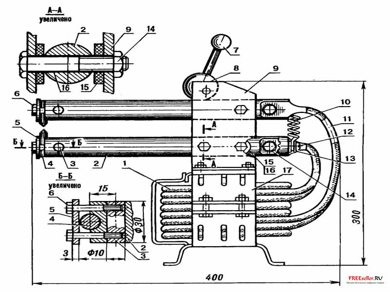
Рис.1. Точечная сварка своими руками для листовой стали:
1 - трансформатор ОСМ-1,0 доработанный; 2 - токопровод (дюралюминиевый пруток диаметром 30, L300, 2 шт.); 3 - вкладыш (стальной пруток диаметром 10, L30, 2 шт.); 4 - электрод (медный пруток диаметром 12, L50, 2 шт.); 5 - шайба латунная (2 шт.); 6,12 - винты М6; 7 рукоятка; 8 - эксцентрик; 9 - щека (2 шт.); 10 - пружина; 11 - вывод половины вторичной обмотки (4 шт.); 13 - втулка текстолитовая (с канавкой под концевую петлю пружины); 14 - болт М8 (6 шт.); 15 - шайба текстолитовая (4 шт.); 16 - покрытие изоляционное (лакоткань или защитная клейкая лента на тканевой основе, 2 шт.); 17 - кожух трансформатора.
Держатели электродов рекомендую изготовить из дюралюминиевого прутка диаметром 30 мм. Причём нижний, как показала практика, лучше сделать неподвижным, изолированным от щёчек текстолитовыми шайбами, а от крепёжных болтов М8 - лакотканью или защитной клейкой лентой на хлопчатобумажной основе. Сами электроды советую использовать медные, диаметром 12 мм, закрепляя их в держателях при помощи прямоугольной латунной шайбы и двух винтов М6, для которых в специальных стальных вкладышах предусмотрительно выполнена соответствующая резьба. ![]()
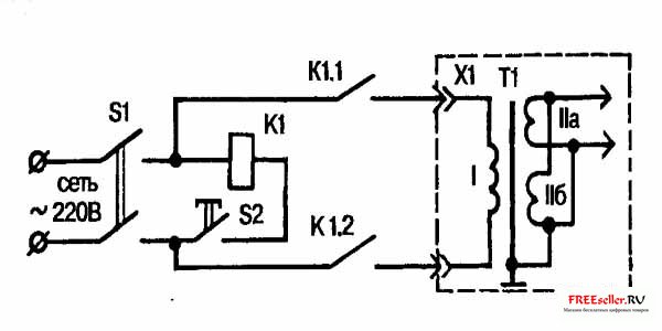
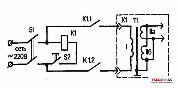
Рис.2. Схема подключения аппарата к бытовой электросети.
В исходном положении держатели с электродами разведены пружиной с подходящими габаритами (например, от старой кровати-раскладушки). Но надо сделать так, чтобы пружина не создавала короткого замыкания на выводах вторичной обмотки во время работы сварочного трансформатора. Одним из вполне приемлемых технических решений является, в частности, вариант с применением разделительной пластмассовой втулки, закреплённой в торце неподвижного держателя электрода винтом М6. Нижний конец пружины электрически изолирован от всех остальных деталей «сварочника» при любых, даже самых невероятных ситуациях.
Подсоединять сварочный аппарат к сети желательно по хорошо зарекомендовавшей себя принципиальной электрической схеме (см. рис.) через автоматический 20-амперный выключатель. На такой же (как минимум!) ток должен быть рассчитан и электросчётчик. Ну а непосредственное управление «сварочником» - с помощью магнитного пускателя К1, включаемого педалью с кнопкой S2 типа «грибок»». Корпус и вторичную обмотку трансформатора необходимо заземлить.
Включать и выключать такой «сварочник» надо только при сжатых электродах. Несоблюдение этого простого правила грозит возникновением интенсивного искрения, что приводит к подгоранию электродов с крайне нежелательными последствиями.
И ещё один, выверенный практикой совет. Так как принудительное охлаждение не предусмотрено ни для трансформатора, ни для токопроводов и электродов, то во время сварки следует постоянно следить за температурным режимом. По мере необходимости делать перерывы в работе, но ни в коем случае не допускать перегрева аппаратуры.
Г. Гаврилов, г.Гомель, Республика Беларусь,
МК 02 1999